2025年广西中考物理试题及答案
一、单项选择题(本大题共10小题,每小题3分,共30分。在给出的四个备选项中,只有一个选项符合题目要求。)
1. 公共场合“请勿大声喧哗”,其中“大声”是指声音的( )
A. 音色美B. 音调低C. 响度大D. 声速小
2. 唐朝诗人李白在《渡荆门送别》诗中有“云生结海楼”的写景名句,其中“海楼”指海市蜃楼,其产生的主要原因是( )
A. 小孔成像B. 光的折射C. 平面镜成像D. 凹面镜成像
3. 在探究摩擦起电现象实验中,发现与头发摩擦过的塑料笔杆能吸起碎纸屑,其原因是塑料笔杆( )
A. 带了电B. 有磁性C. 是导体D. 是半导体
4. 运动员投篮时,将篮球投出去的力的施力物体是( )
A. 地球B. 篮球C. 篮筐D. 运动员
5. 小明在清晨锻炼时发现路边的小草和树叶上结有露珠。查阅资料得知,露珠是空气中的水蒸气遇冷凝结成的小水滴,该过程中发生的物态变化是( )
A. 熔化B. 汽化C. 液化D. 升华
6. 将下列物体接入如图所示电路的
、
两点,可使小灯泡发光的是( )
A. 玻璃片B. 塑料尺C. 橡皮筋D. 金属棒
7. 小明在校运会
赛跑中勇夺冠军,成绩是
。他的平均速度是( )
A.
B.
C.
D. ![]()
8. 大气压强与我们的生活息息相关,能证实大气压强存在的实例是( )
A. 用吸管吸水B. 用筷子夹菜C. 用细线切豆腐D. 用削笔刀削铅笔
9. 在如图所示的电路中,用点燃的蜡烛对镍铬合金丝加热。发现小灯泡缓慢变暗。分析可知,镍铬合金丝的阻值变大,而导致其阻值变化的主要因素是( )
A. 质量B. 长短C. 粗细D. 温度
10. 如图所示,驮着货物匀速上山过程中的智能机器狗( )
A. 动能增大B. 动能减小C. 重力势能增大D. 重力势能减小
二、多项选择题(本大题共2小题,每小题4分,共8分。在每小题列出的四个备选项中,有多个选项符合题目要求,全部选对得4分,逸对但不全得2分,有选错得0分。)
11. 某班级在制作“安全用电”主题板报的活动中,准备了以下行为用语,其中符合安全用电原则的是( )
A. 不弄湿用电器B. 用湿手触摸插座
C. 不靠近高压带电体D. 用水浇灭着火的用电器
12. 如图所示,“广西三月三”活动中,身着壮锦马甲大秀舞蹈的机器人( )
A. 跳跃时受力平衡B. 静止时受力平衡
C. 跳跃时没有惯性D. 静止时具有惯性
三、填空题(本大题共6小题,每空1分,共12分。)
13. 太阳能可以从自然界源源不断地得到,它___________(选填“是”或“不是”)一种可再生能源。我国月球车在月球上利用太阳能电池将太阳能转化为___________能,供月球车使用。
14. 某试电笔的构造如图所示。正确使用试电笔时,手指按住笔卡,用试电笔的______部位接触导线的芯线,若氖管发光,则该导线是______(选填“火线”或“零线”)。
15. 如图所示,悬挂在蹄形磁体两极间的导体与灵敏电流计构成闭合回路。当导体静止不动时,电流计指针___________;当导体向右运动时,电流计指针___________(选填“偏转”或“不偏转”)。
16. 2025年4月25日,神舟二十号和神舟十九号航天员在中国空间站胜利会师,激动人心的画面通过___________波传递全世界。该波___________(选填“能”或“不能”)在空气中传播。
17. 由于平时不注意科学用眼,小明只能看清近处物体,看不清远处物体,他患了___________视眼,可配戴由___________(选填“凹”或“凸”)透镜制成的眼镜矫正视力。
18. 现有刚蒸好的质地均匀的长方体米糕A和B,尺寸如图所示,密度分别为
和
,则A与B所受重力之比为______。用它们自制双层米糕:将A置于水平桌面上,趁热将B放在
的上表面正中央,待冷却后自动粘合成一个双层米糕(忽略冷却过程A和B体积、形状的变化)。若从左向右、竖直向下切割该双层米糕,随着被切割的宽度
逐渐增加,则双层米糕剩余部分对水平桌面的压强的变化情况是______(用文字说明)。
四、作图题(本大题共1小题,共6分。)
19.
(1)请在图中画出竖直悬挂着的粽子所受重力
的示意图。
(2)我们应该警惕“光污染”。请在图中画出太阳光线A、B照射到玻璃幕墙后的反射光线。
(3)如图,某同学正确运用右手螺旋定则(安培定则)判断通电螺线管的磁极,请在图中标出流入螺线管的电流方向和通电螺线管的
极。
五、实验探究题(本大题共4小题,共25分。)
20. 某实验小组做“探究杠杆的平衡条件”实验。
(1)实验前,若杠杆静止时的位置如图甲所示,则需要将杠杆左端的螺母向___________调节,使杠杆在水平位置平衡。
(2)实验操作中,在杠杆两侧挂上不同数量的钩码(每个钩码所受重力均为
),移动钩码位置,使杠杆重新水平平衡,如图乙所示,施加在杠杆右侧的力
为
,读出其对应的力臂
为
,施加在杠杆左侧的力
为___________
,读出其对应的力臂
为___________
。
(3)改变
和
,相应调节
和
,再做几次实验,分析记录的数据得到杠杆的平衡条件是___________。
(4)用木棒撬动大石头时,固定支点位置后,如图丙所示,要想用较小的力撬动这块大石头,应将支点到手施力的作用线的距离___________(选填“增大”或“减小”)。
21.
(1)用温度计测量热水的温度,图甲中做法正确的是______,图乙中读数方法正确的是______,温度为______℃;
(2)在探究平面镜成像大小与物体大小的关系实验中,如图丙所示,在玻璃板前放置一支点燃的蜡烛A,可以看到它在玻璃板后面的______,将另一支外形相同但______(选填“点燃”或“未点燃”)的蜡烛B放在玻璃板后面并移动,直到蜡烛B与蜡烛A的像完全重合,经过比较可知,蜡烛A的像的大小与蜡烛A的大小______(选填“相等”或“不相等”)。

22. 小桂和小明利用所学知识测量芒果的密度。
(1)把托盘天平放到水平台上,将游码移至标尺左端的______刻度线处,调节平衡螺母使横梁平衡;
(2)将芒果放在天平的______(选填“左”或“右”)盘,在另一盘增减砝码并调节游码,当天平平衡时,盘内砝码及游码的位置如图甲所示,则芒果的质量为______g;
(3)用如图乙所示量杯来测量芒果的体积,该量杯的最大测量值为______
,将芒果放入量杯中,往量杯中倒入适量______(选填“已知”或“未知”)体积的液体,得到芒果的体积为
;
(4)小桂通过计算得到芒果
密度为______
;
(5)若小明使用其他方法测量得出该芒果的质量和体积均比小桂测出的大,小明得到的密度一定比小桂得到的密度大吗?答:______(请写出结论并简述理由)。
23. 用图甲所示
电路探究电流与电阻的关系。已知电源电压为
,滑动变阻器最大阻值为
,四个定值电阻的阻值分别为
和
。
(1)在连接电路前,开关应处于___________状态,滑动变阻器的滑片置于___________(选填“A”或“B”)端。
(2)连接好电路后,闭合开关,发现电压表有示数、电流表无示数,则电路故障的原因可能是电流表___________(选填“短路”或“断路”)。
(3)排除故障后,进行实验。每当更换定值电阻,就调节滑动变阻器的滑片,使定值电阻两端电压保持不变,并记下电流表的示数。下表完整记录了前3组数据,第4组的电流如图乙所示,则电流大小为___________A。分析表格数据可知:导体两端电压一定时,导体中的电流跟导体的电阻成___________。
实验序号 | 1 | 2 | 3 | 4 | 5 |
R/Ω | 16 | 20 | 40 | 80 | |
I/A | 0 | 0.40 | 0.20 |
(4)为了得到第5组数据,进一步验证实验结论,现用一个
的定值电阻和上述器材进行实验,你认为是否可行?请作出判断并说明理由。
答:___________(选填“可行”或“不可行”),理由:___________。
六、综合应用题(本大题共2小题,共19分。解答时要求在答题卡相应的答题区域内写出必要的文字说明、计算公式和重要的演算步骤。只写出最后答案,未写出主要演算过程的,不得分。)
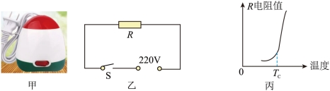
24. 为了解家用电器耗能情况,某小组进行了如下研究。图甲是2,图乙是其工作原理简图,
为热敏电阻,其电阻值随温度变化的部分曲线如图丙所示。将蚊香片装入蚊香器,通电后蚊香器的热敏电阻发热,加热蚊香片可以达到驱蚊功效,最后自动保持在一个特定温度(如图丙中的
)。
(1)蚊香器工作一会儿,人就能闻到蚊香片气味,这是气体分子在空气中的___________现象。
(2)若蚊香器正常工作
电功率为
,则电路电阻值的大小为多少_________?工作
消耗电能为多少_________?
(3)家用电器待机时也消耗电能,某些电视机机顶盒待机的功率可达蚊香器正常工作功率的3倍,我们在日常生活用电时该如何有效节能?请写出一条有效措施_________。
(4)请从能量转化和转移角度并结合热敏电阻的电阻值变化特点,解释蚊香器通电后温度升高,并能自动保持一定温度的原因_________。
25. 某同学探究不同密度的物块在液体中的特点,如图所示,现有质地均匀,不吸水的正方体物块A和B,其质量分别为
和
、边长分别为
和
,以及内部边长为
的正方体玻璃容器。已知水的密度
。
取
。求:
(1)将物块A放置于玻璃容器底部中央,物块A对容器底部的压强;
(2)往容器内缓慢注水,物块A不上浮,当水深为
时,水对容器底部的压强和注入水的体积;
(3)接着把物块B放在物块A的正上方。再将质量为
的水缓慢注入容器。在此过程中,水对物块B所做的功。
参考答案
一、单项选择题(本大题共10小题,每小题3分,共30分。在给出的四个备选项中,只有一个选项符合题目要求。)
【1题答案】
【答案】C
【2题答案】
【答案】B
【3题答案】
【答案】A
【4题答案】
【答案】D
【5题答案】
【答案】C
【6题答案】
【答案】D
【7题答案】
【答案】B
【8题答案】
【答案】A
【9题答案】
【答案】D
【10题答案】
【答案】C
二、多项选择题(本大题共2小题,每小题4分,共8分。在每小题列出的四个备选项中,有多个选项符合题目要求,全部选对得4分,逸对但不全得2分,有选错得0分。)
【11题答案】
【答案】AC
【12题答案】
【答案】BD
三、填空题(本大题共6小题,每空1分,共12分。)
【13题答案】
【答案】 ①.
是 ②.
电
【14题答案】
【答案】 ①. 笔尖 ②. 火线
【15题答案】
【答案】 ①. 不偏转 ②. 偏转
【16题答案】
【答案】 ①.
电磁 ②.
能
【17题答案】
【答案】 ①. 近 ②. 凹
【18题答案】
【答案】 ①.
②. 先增大后减小再不变
四、作图题(本大题共1小题,共6分。)
【19题答案】
【答案】(1)
(2)
(3)
五、实验探究题(本大题共4小题,共25分。)
【20题答案】
【答案】(1)左 (2) ①. 1 ②. 15.0cm
(3)
(4)增大
【21题答案】
【答案】(1) ①. C ②. b ③. 60
(2) ①
像 ②. 未点燃 ③. 相等
【22题答案】
【答案】(1)零 (2) ①. 左 ②. 204
(3) ①. 500 ②. 已知
(4)1.02 (5)见解析
【23题答案】
【答案】(1) ①. 断开 ②. B
(2)短路 (3) ①. 0.1 ②. 反比
(4) ①. 可行 ②. 见解析
六、综合应用题(本大题共2小题,共19分。解答时要求在答题卡相应的答题区域内写出必要的文字说明、计算公式和重要的演算步骤。只写出最后答案,未写出主要演算过程的,不得分。)
【24题答案】
【答案】(1)扩散 (2) ①. 9680Ω ②. 0.05kW·h
(3)不使用电器时拔掉插头 (4)见详解
【25题答案】
【答案】(1)
(2)
,
(3)![]()
