2025年江苏扬州中考物理试题及答案
一、选择题(本题共12小题,每小题2分,共24分。每小题给出的四个选项中只有一个选项正确)
1. “不敢高声语,恐惊天上人”中的“高”是指声音的( )
A. 音调B. 响度C. 音色D. 频率
2. 《江苏省推动氢能产业高质量发展行动方案(2025—2030年)》明确重点发展可再生能源制氢。下列属于可再生能源的是( )
A. 风能B. 石油C. 天然气D. 核燃料
3. 关于热现象,下列说法正确的是( )
A. 春天,草叶上出现露珠,是凝华现象
B. 夏天,打开冰箱门有“白气”产生,是升华现象
C. 秋天,出现大雾,是液化现象
D. 冬天,走进温暖的室内眼镜片变模糊,是汽化现象
4. 如图是单缸四冲程汽油机工作循环中的一个冲程,它是( )
A. 吸气冲程B. 压缩冲程C. 做功冲程D. 排气冲程
5. 2025年5月29日,“天问二号”探测器发射成功,开启小行星探测与采样返回之旅。下列说法正确的是( )
A. “天问二号”发射时加速上升,其动能不变
B. “天问二号”利用电磁波与地球传输信息
C. 太阳能电池将光能全部转化为内能
D. 到达地球后,样品质量变大
6. 今年1-5月份,扬州地区降雨偏少,固定在河床上的水位尺显示水位较去年同期低。如图,水位尺上P点较去年同期( )
A
深度不变B. 深度变大C. 压强变小D. 压强不变
7. 如图,铅笔斜插在水中,看见水中的铅笔向上弯折,解释这一现象的光路是( )
A. 
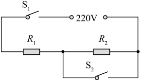
B. 
C. 
D. 
8. 如图,工人用动滑轮提升重物,下列说法正确
是( )
A. 克服动滑轮重力做的功是有用功B. 重物与人手移动的距离相等
C. 重物与人手移动的速度相等D. 增加重物,动滑轮的机械效率变大
9. 为防止“天降冰凌”产生危害,将除冰环从桥梁斜拉索上端由静止释放,除去斜拉索上的积冰。除冰环在下滑过程中( )
A. 只受重力作用B. 速度始终不变
C. 一直处于平衡状态D. 机械能不断减小
10. 对《宇宙探秘》相关内容进行梳理,图中①、②位置内容填写正确的是( )
A. 宇宙大爆炸、中国天眼B. 星系远离我们、中国天眼
C. 宇宙大爆炸、开普勒望远镜D. 星系远离我们、开普勒望远镜
11. 观察电动自行车发现:捏紧左边或右边的刹车把手,车尾的同一盏刹车指示灯就会亮起;拨动向左或向右的转向灯开关,车尾对应一侧的转向指示灯就会亮起。车尾指示灯电路原理图合理的是( )
A. 
B. 
C. 
D. 
12. 如图,电源电压U可调,
是阻值为5Ω的定值电阻,
为敏感元件,其阻值随电流增大而减小。电源电压从零增大,电路中电流逐渐增大。当电流为0.3A时,
两端电压为1.5V。
的功率为
,
的功率为
。则( )
A.
时,
可能等于
B.
时,
一定小于![]()
C.
时,
一定等于
D.
时,
一定小于![]()
二、填空题(本题共8小题,每空1分,共28分)
13. 如图,小朋友沿塑料滑梯滑下,长发竖起散开,这是______现象,头发散开的原因是______;同时由于摩擦生热,臀部发烫,这是通过______方式改变物体内能。
14. 在研究电磁感应现象活动中。
(1)摇动发电机模型的手柄,灯泡发光,是因为线圈在______中转动,产生感应电流,把______能转化为电能。
(2)如图,导体AB静止,闭合开关,灵敏电流计指针______;再让导体AB水平向右运动,灵敏电流计指针______。(选填“偏转”或“不偏转”)
15. 用乒乓球做小实验。
(1)如图,乒乓球接触到正在发声的音叉时,会被弹起,说明发声体在______。乒乓球在该实验中所起的作用是______。
(2)如图,用吸管吹气,两乒乓球向中间靠拢,这是因为两球中间气体流速大,气体压强______。
16. 如图是《天工开物》记载的我国古人磨面的场景。水从高处流下来,______能转化为______能,冲击水轮机带动石磨转动。石磨接触面粗糙,是为了增大______。
17. 如图,测电笔的氖管发光,所测孔连接的是______线。多个用电器同时插入插线板都能独立工作,各用电器是______联的。断开插线板上的开关,所有插孔都不能供电,表明开关连接在______路上。三孔插座中间的插孔接地,将用电器的______与大地相连,目的是防止触电。
18. 如图是兄弟二人抬水的场景。扁担相当于杠杆,若以哥哥的肩为支点,弟弟对扁担的作用力是动力,哥哥将水桶悬挂点向自己移动一段距离,动力臂______,阻力臂______,弟弟对扁担的作用力______。(填变化情况)
19. 某款人形机器人参加半程马拉松比赛,安装在腹部的摄像头相当于一个______透镜,远处的物体成倒立、______的实像。该机器人跑步由电动机驱动,电动机的工作原理是磁场对______有力的作用。以并肩运动的陪跑员为参照物,机器人是______的。机器人跑完21km路程用时约为2h40min,平均速度约为______km/h。(计算结果保留整数)
20. 现收藏于扬州市博物馆的东汉铜卡尺如图1,小明观察后仿制了一把卡尺,活动长爪滑动到最左侧时,其______端与刻度尺“0”刻线对齐。如图2,用此卡尺测量透明胶带卷的外径和厚度,测得外径为______cm,内径为______cm。
三、解答题(本题共8小题,共48分。有的空1分,有的空2分,解答22、23题时应有解题过程)
21. 按照题目要求作图。
(1)如图,苹果静止在水平桌面上,作出苹果的受力示意图。
(2)如图,根据小磁针静止时N极的指向,标出A处的磁感线方向和电源正、负极。
(3)如图,卫生间吸顶灯从A点发出的一束光射向平面镜上的O点,画出入射光线和反射光线。
22. 某无人快递配送车轮胎与水平地面接触的总面积为
,对地面的压强为
,在大小为400N的牵引力作用下匀速行驶,g取10N/kg.求:
(1)配送车所受阻力f的大小;
(2)配送车与货物的总质量m。
23. 某电水壶内部电路简化后如图。当开关
都闭合,电水壶处于加热状态。水烧开后温控开关
自动断开,电水壶处于保温状态。已知电阻
为22Ω,保温时通过
的电流为0.2A,
。求:
(1)将质量为1kg、初温为20℃的水加热至70℃,水吸收的热量Q;
(2)电水壶处于加热状态时的电功率P;
(3)电水壶处于保温状态时,1min消耗的电能W。
24. 小华和小明做“探究平面镜成像的特点”实验。
(1)实验应选用______(选填“薄”或“厚”)茶色玻璃板,并准备两个相同的棋子A、B;
(2)小华在玻璃板前放置棋子A,再将棋子B放到玻璃板后,调整棋子B的位置,使它与棋子A所成的像重合,说明像与物大小______,在方格纸上标记棋子A、B的位置
;
(3)小明将棋子B放在
位置,调整棋子A的位置,使它与棋子B所成的像重合,在方格纸上标记棋子A的位置
,如图,
与
不重合的具体原因是______。
25. 用电压表和电流表测量定值电阻R的阻值。
(1)如图,请用笔画线代替导线将电路连接完整;
(2)正确连接好电路,闭合开关,移动滑动变阻器的滑片,发现电压表示数始终为零、电流表示数有变化,则故障是______;(写出一种可能的情况)
(3)排除故障,闭合开关前,小明观察到电流表示数为0.04A,由于没有螺丝刀,无法调零。继续实验,电流表示数为0.28A时,电压表示数如图,读数为______V,电阻R的阻值为______Ω。多次测量后,为了画出通过电阻R的电流随它两端电压变化的图像,应注意什么?______;
(4)小明画出了如图的图像。发现图线与纵轴交点的纵坐标为0.04A,此数值恰与电流表未调零时的示数相同,他认为这是一种巧合。他的观点是否正确?______,请说明理由:______。
26. 学习小组利用电子秤、注射器做“测量液体密度”实验。

电子秤置于水平桌面上,将量程为10mL的空注射器放在秤盘上,按“清零”键,数码显示屏显示“0.0”,再放上质量为100g的标准砝码,数码显示屏显示“100.0”,可认为电子秤只测量了砝码的质量。
(1)撤掉砝码,若用注射器吸取10mL水,放
秤盘上,数码显示屏应显示“______”;
(2)将此电子秤和注射器改装成准确度高的电子密度计。如图,在数码显示屏右侧贴一张标签纸,请完成密度计的读数面板设计;_____
(3)请完善操作说明书。
电子密度计操作说明书 1.将电子秤放置于平稳无风的水平台面上,按电源键开机; 2.______,按“清零”键; 3.______; 4.将注射器放在秤盘上,待示数稳定后,读数; 5.开机状态下按电源键关机。 |
27. 小明发现冰块在不同饮料中熔化快慢不同,决定探究影响冰块熔化快慢的因素。
(1)相同的0℃的冰块在某液体中熔化得快,说明相同时间内,冰块在该液体中吸收的热量______(选填“多”或“少”);
(2)若将两个相同的0℃的冰块分别放入水和浓盐水中,所受浮力分别为
,与液体接触面积分别为
,则
______
,
______
;
(3)为探究冰块熔化快慢与接触面积的关系,下列两个方案,应选用方案______;
方案一:如图甲、乙,取两个相同的0℃的冰块,一块直接放入水中,另一块竖切成4小块放入相同的水中,记录冰块完全熔化的时间分别为
;
方案二:如图丙、丁,在装满相同温度的水和浓盐水的玻璃杯中,分别放入相同的0℃的冰块,盖上杯盖使冰块保持浸没,记录冰块完全熔化的时间分别为
;
(4)①采用方案一进行实验,发现
,得出的结论是______;
②采用方案二进行实验,发现
,得出的结论是______。
(5)在用方案二进行实验前,小明根据“向积雪的公路上撒盐,盐能尽快地融雪”,预测冰块在浓盐水中熔化得更快。他的推理是否正确?______,请说明理由:______。
28. 阅读短文,回答问题。
2025年5月,我国首批五座9000吨级气膜粮仓充气成型,标志着中国第四代新型粮仓正式进入实践应用阶段。每座气膜粮仓直径为24m、高度达33m.结构如右图所示,外层为PVDF材料的白色膜材层,反射太阳光且防水;中间层为聚氨酯材料层,导热系数远低于混凝土建材;内层为钢筋混凝土层,起主要支撑作用。气膜粮仓相当于给传统粮仓“穿上了一件雨衣和一件羽绒服”,其储存粮食的气密性和保温性都大幅提升。投入使用后,气膜粮仓集成氮气气调技术,将高纯度的氮气注入粮堆内部。均匀分布的传感器实时获取粮食温度、湿度等信息。气膜粮仓就像白色安全卫士,守护着粮食安全。

(1)聚氨酯材料具有优良的______。(填材料属性)
(2)为减少粮食因变质产生损失,在气膜粮仓中采取的措施是______。(写出一条即可)
(3)9000t粮食可以提供______万人一天的口粮。
A. 2.3B. 23C. 230D. 2300
(4)工程上,常用测量“压强差半衰期”的方法来检测粮仓的气密性。
原理 | 操作 |
用风机将空气吹入粮仓内,使粮仓内外达到一定的压强差。停机后,由于漏气,粮仓内外的压强差逐渐减小。根据压强差衰减到一定程度的时间,判断气密性的好坏。 | 测量人员仔细观察压强差的变化,当压强差下降到500Pa时,用秒表开始计时,当压强差下降到250Pa时,停止计时,秒表的示数即为本次测定的“压强差半衰期”。 |
①检测现场,某风机功率是11kW,送风量约为
,则该风机正常工作1min消耗的电能为______J,吹进粮仓的空气质量约为______kg,空气密度约为
;
②粮仓内外压强差随时间变化的图像如图,本次测定的压强差半衰期约为______s;
③对照国家公布的《粮仓气密性分级表》,该气膜粮仓气密性达到______级。
粮仓气密性分级表
级别 | 压强差半衰期 |
Ⅰ | |
Ⅱ | |
Ⅲ | |
Ⅳ | |
Ⅴ | |
参考答案
一、选择题(本题共12小题,每小题2分,共24分。每小题给出的四个选项中只有一个选项正确)
【1题答案】
【答案】B
【2题答案】
【答案】A
【3题答案】
【答案】C
【4题答案】
【答案】B
【5题答案】
【答案】B
【6题答案】
【答案】C
【7题答案】
【答案】D
【8题答案】
【答案】D
【9题答案】
【答案】D
【10题答案】
【答案】A
【11题答案】
【答案】C
【12题答案】
【答案】B
二、填空题(本题共8小题,每空1分,共28分)
【13题答案】
【答案】 ①. 摩擦起电 ②. 同种电荷相互排斥 ③. 做功
【14题答案】
【答案】(1) ①. 磁场 ②. 机械
(2) ①. 不偏转 ②. 偏转
【15题答案】
【答案】(1) ①. 振动 ②. 把音叉的振动放大
(2)小
【16题答案】
【答案】 ①. 重力势 ②. 动 ③. 摩擦力
【17题答案】
【答案】 ①. 火 ②. 并 ③. 干 ④. 金属外壳
【18题答案】
【答案】 ①. 不变 ②. 变小 ③. 变小
【19题答案】
【答案】 ①. 凸 ②. 缩小 ③. 通电导体 ④. 静止 ⑤. 8
【20题答案】
【答案】 ①. 右 ②. 4.20 ③. 0.40
三、解答题(本题共8小题,共48分。有的空1分,有的空2分,解答22、23题时应有解题过程)
【21题答案】
【答案】(1)
(2)
(3)
【22题答案】
【答案】(1)400N;
(2)500kg
【23题答案】
【答案】(1)
(2)
(3)![]()
【24题答案】
【答案】(1)薄 (2)相等
(3)玻璃板没有竖直放置
【25题答案】
【答案】(1)
(2)R短路
(3) ①. 2.4 ②. 10 ③. 应注意在坐标纸上正确标注横、纵坐标的物理量及单位、合理设置单位值,使图像能准确反映数据变化规律
(4) ①
不正确 ②. 见解析
【26题答案】
【答案】(1)10.0
(2)见解析 (3) ①. 将空注射器放在秤盘上 ②. 用注射器吸取10mL待测液体
【27题答案】
【答案】(1)多 (2) ①. = ②. >
(3)一 (4) ①. 在其他条件相同时,冰块与液体的接触面积越大,熔化的越快 ②. 在其他条件相同时,液体的种类不同,冰块熔化快慢不同
(5) ①. 不正确 ②. 冰熔化时吸热,使周围液体温度降低。浓盐水的比热容比水小,在吸收相同的热量时,浓盐水温度降低得更多,会使冰熔化变慢
【28题答案】
【答案】(1)隔热性 (2)良好的气密性和保温性
(3)D (4) ①.
②.
③.
④. Ⅰ
