2025年福建普通高中学业水平选择性考试物理试题及答案
一、单项选择题:本题共4小题,每小题4分,共16分。在每小题给出的四个选项中,只有一项是符合题目要求的。
1. 山崖上有一个风动石,无风时地面对风动石的作用力是F1,当受到一个水平风力时,风动石依然静止,地面对风动石的作用力是F2,以下正确的是( )
A. F2大于F1
B. F1大于F2
C. F1等于F2
D. 大小关系与风力大小有关
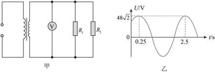
2. 某理想变压器如图甲,原副线圈匝数比4:1,输入电压随时间的变化图像如图乙,R1的阻值为R2的2倍,则( )
A. 交流电的周期为2.5s
B. 电压表示数为12V
C. 副线圈干路的电流为R1电流的2倍
D. 原副线圈功率之比为4:1
3. 如图所示,空间中存在两根无限长直导线L1与L2,通有大小相等,方向相反的电流。导线周围存在M、O、N三点,M与O关于L1对称,O与N关于L2对称且OM=ON,初始时,M处的磁感应强度大小为B1,O点磁感应强度大小为B2,现保持L1中电流不变,仅将L2撤去,求N点的磁感应强度大小( )
A.
B.
C. B2﹣B1D. B1﹣B2
4. 某种静电分析器简化图如图所示,在两条半圆形圆弧板组成的管道中加上径向电场。现将一电子a自A点垂直电场射出,恰好做圆周运动,运动轨迹为ABC,半径为r。另一电子b自A点垂直电场射出,轨迹为弧APQ,其中PBO共线,已知BP电势差为U,|CQ|=2|BP|,a粒子入射动能为Ek,则( )
A. B点
电场强度![]()
B. P点场强大于C点场强
C. b粒子在P点动能小于Q点动能
D. b粒子全程的克服电场力做功小于2eU
二、双项选择题:本题共4小题,每小题6分,共24分。每小题有两项符合题目要求,全部选对的得6分,选对但不全的得3分,有选错的得0分。
5. 春晚上转手绢的机器人,手绢上有P、Q两点,圆心为O,
,手绢做匀速圆周运动,则( )
A. P、Q线速度之比为![]()
B. P、Q角速度之比为![]()
C. P、Q向心加速度之比为![]()
D. P点所受合外力总是指向O
6. 核反应方程为
→
+17.6MeV,现真空中有两个动量大小相等,方向相反的氘核与氚核相撞,发生核反应,设反应释放的能量几乎转化为
与
的动能,则( )
A. 该反应有质量亏损
B. 该反应为核裂变
C.
获得的动能约为14MeV
D.
获得
动能约为14MeV
7. 空间中存在垂直纸面向里的匀强磁场B与水平向右的匀强电场E,一带电体在复合场中恰能沿着MN做匀速直线运动,MN与水平方向呈45°,NP水平向右。带电量为q,速度为v,质量为m,当粒子到N时,撤去磁场,一段时间后粒子经过P点,则( )
A. 电场强度![]()
![]()
B. 磁场强度为![]()
C. NP两点的电势差为![]()
D. 粒子从N→P时距离NP的距离最大值为![]()
8. 传送带转动的速度大小恒为1m/s,顺时针转动。两个物块A、B,A、B用一根轻弹簧连接,开始弹簧处于原长,A的质量为1kg,B的质量为2kg,A与传送带的动摩擦因数为0.5,B与传送带的动摩擦因数为0.25。t=0时,将两物块放置在传送带上,给A一个向右的初速度v0=2m/s,B的速度为零,弹簧自然伸长。在t=t0时,A与传送带第一次共速,此时弹簧弹性势能Ep=0.75J,传送带足够长,A可在传送带上留下痕迹,则( )
A. 在t=
时,B的加速度大小大于A的加速度大小
B. t=t0时,B的速度为0.5m/s
C. t=t0时,弹簧的压缩量为0.2m
D. 0﹣t0过程中,A与传送带的痕迹小于0.05m
三、填空题
9. 洗衣机水箱的导管内存在一竖直空气柱,根据此空气柱的长度可知洗衣机内的水量多少。当空气柱压强为p1时,空气柱长度为L1,水位下降后,空气柱温度不变,空气柱内压强为p2,则空气柱长度L2=___________ ,该过程中内部气体对外界___________ 。(填做正功,做负功,不做功)
10. 沙漠中的蝎子能感受来自地面震动的纵波和横波,某波源同时产生纵波与横波,已知纵波速度大于横波速度,频率相同,则纵波波长___________ 横波波长。若波源震动后,蝎子感知到来自纵波与横波的振动间隔Δt,纵波速度v1,横波速度v2,则波源与蝎子的距离为___________ 。
11. 两个点电荷Q1与Q2静立于竖直平面上,于P点放置一检验电荷恰好处于静止状态,PQ1与Q1Q2夹角为30°,PQ1⊥PQ2,则Q1与Q2电量之比为___________ ,在PQ1连线上是否存在其它点能让同一检验电荷维持平衡状态___________ (存在,不存在)。
四、实验题
12.
(1)为测糖水的折射率与浓度的关系,设计如下实验:某次射入激光,测得数据如图,则糖水的折射率为 ___________ 。
(2)改变糖水浓度,记录数据如表
n | 1.32 | 1.34 | 1.35 | 1.38 | 1.42 |
y(%) | 10% | 20% | 30% | 40% | 50% |
将30%的数据绘图,求得糖水浓度每增加10%,折射率的增加值为 ___________ (保留两位有效数字)。
五、计算题
13. 某运动员训练为直线运动,其
图如图所示,各阶段图像均为直线。
(1)
内的平均速度;
(2)
内的加速度;
(3)
内的位移。
14. 如图甲,水平地面上有A、B两个物块,两物块质量均为0.2kg,A与地面动摩擦因数为
,B与地面无摩擦,两物块用弹簧置于外力F的作用下向右前进,F与位移x的图如图乙所示,P为圆弧最低点,M为最高点,水平地面长度大于4m。
(1)求
,F做的功;
(2)
时,A与B之间的弹力;
(3)要保证B能到达M点,圆弧半径满足的条件。
15. 光滑斜面倾角为θ=30°,Ⅰ区域与Ⅱ区域均存在垂直斜面向外的匀强磁场,两区磁感应强度大小相等,均为B。正方形线框abcd质量为m,总电阻为R,同种材料制成且粗细均匀,Ⅰ区域长为L1,Ⅱ区域长为L2,两区域间无磁场的区域长度大于线框长度。线框从某一位置释放,cd边进入Ⅰ区域时速度为v,且直到ab边离开Ⅰ区域时速度均为v,当cd边进入Ⅱ区域时的速度和ab边离开Ⅱ区域时的速度一致,则:
(1)求线框释放点cd边与Ⅰ区域上边缘的距离;
(2)求cd边进入Ⅰ区域时cd边两端的电势差;
(3)求线框进入Ⅱ区域到完全离开过程中克服安培力做功的平均功率。
参考答案
一、单项选择题:本题共4小题,每小题4分,共16分。在每小题给出的四个选项中,只有一项是符合题目要求的。
【1题答案】
【答案】A
【2题答案】
【答案】B
【3题答案】
【答案】B
【4题答案】
【答案】D
二、双项选择题:本题共4小题,每小题6分,共24分。每小题有两项符合题目要求,全部选对的得6分,选对但不全的得3分,有选错的得0分。
【5题答案】
【答案】AD
【6题答案】
【答案】AC
【7题答案】
【答案】BC
【8题答案】
【答案】BD
三、填空题
【9题答案】
【答案】 ①.
②. 做正功
【10题答案】
【答案】 ①. 大于 ②. ![]()
【11题答案】
【答案】 ①.
②. 不存![]()
四、实验题
【12题答案】
【答案】(1)
(2)![]()
五、计算题
【13题答案】
【答案】(1)
,方向与正方向相同
(2)
,方向与正方向相同
(3)4.2m,方向与正方向相同
【14题答案】
【答案】(1)1.5J
(2)0
5N (3)![]()
【15题答案】
【答案】(1)
(2)
(3)若
,
;若
,![]()
