2023年浙江杭州中考科学试题及答案
一、选择题(本大题共60分,每小题3分。每小题只有一个选项符合题意)
1. 华南理工大学研究团队利用动态“局域柔性”框架材料,实现了在室温下对重水和普通水的有效分离。一个重水分子(
)中含有的质子个数为( )
A. 3 B. 10 C. 12 D. 20
2. 长征七号火箭采用无毒无污染的液氧、煤油作为推进剂,煤油的成分之一可用
表示。下列说法正确的是( )
A. 液氧属于混合物 B.
属于无机物
C. 保持液氧化学性质的最小微粒是氧分子 D.
可以燃烧,具有助燃性
3. 花开季节,对花粉过敏者来说,进入其体内的花粉属于( )
A. 抗原 B. 传染源 C. 病原体 D. 抗体
4. 罂粟开花结果后,其果汁可制成鸦片等毒品,我国法律规定严禁种植。下列说法错误的是( )
A. 鸦片、吗啡和海洛因都是常见的毒品
B. 鸦片等毒品具有很强的成瘾性,一旦吸食很难戒除
C. 罂粟能开花结果,可判断它属于被子植物
D. 罂粟开花结果的过程属于有性生殖,其果实由胚珠发育而成
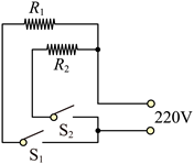
5. 下列最接近1厘米的是( )
A. 一枚1元硬币的厚度 B. 一本初中科学课本的厚度
C. 一个篮球的直径 D. 一张课桌的高度
6. 青霉素作为治疗细菌感染的特效药被广泛使用,但滥用青霉素导致其使用效果下降。下列解释符合达尔文进化理论的是( )
A. 自然界中本来没有耐药细菌个体,滥用青霉素才导致耐药细菌出现
B. 细菌对青霉素进行定向选择,导致青霉素的使用效果下降
C. 在长期滥用青霉素的环境中,耐药细菌比不耐药细菌更具生存优势
D. 在抵抗青霉素作用时,细菌体内的某些结构会发生“用进废退”现象
7. 生物体结构与功能相适应的现象是长期进化形成的。下列有关植物体结构与功能相适应的叙述,错误的是( )
A. 根毛细胞向外突起扩大吸收面积,有利于吸收土壤中的水分和无机盐
B. 根、茎和叶脉中的导管相互连通,有利于有机物的运输
C. 仙人掌的叶呈针状,有利于减少因蒸腾作用过多失水
D. 叶片向光面与背光面相比,前者叶肉细胞中叶绿体多,有利于光合作用
8. 为验证绿色植物在光照下能产生氧气,小金将如图所示装置放在阳光下一段时间,用带火星木条检验试管内气体,出现复燃现象。下列叙述正确的是( )

A. 该实验中起对照作用的变量是有无金鱼藻
B. 选水生植物金鱼藻作实验材料的优点是便于观察和收集气体
C. 该实验证明植物在光照下产生氧气的同时也能吸收二氧化碳
D. 该实验若在无光条件下进行,实验结果完全相同
9. 下列现象,主要由地球自转引起的是( )
①昼夜更替 ②四季更替 ③昼夜长短变化 ④太阳东升西落
A. ①② B. ①③ C. ①④ D. ②③
10. 下列有关“粗盐提纯”的实验操作,错误的是( )
A.
称量粗盐 B.
溶解粗盐
C.
过滤浊液 D.
蒸发结晶
11. 小金用脚将足球踢出,足球在地面上运动了一段距离后停下。下列分析错误的是( )
A. 踢球时脚也受到球的作用力,是因为力的作用是相互的
B. 球离脚后能在地面上继续运动,是因为球具有惯性
C. 球运动越来越慢最后停下来,是因为球受到阻力的作用
D. 球在运动过程中,如果一切外力突然消失,球将立即静止
12. 杆影的长短会随着季节的变化而变化。在杭州,一年中同一地点、同一旗杆,正午杆影最短的这一天是( )
A. 春分日 B. 夏至日 C. 秋分日 D. 冬至日
13. 已知氯化钾的溶解度随温度升高而增大。向盛有40克氯化钾的烧杯中加入100克水,充分搅拌溶解后现象如图所示。此时溶液温度为20℃,下列说法正确的是( )
A. 20℃时氯化钾的溶解度为40克
B. 烧杯中氯化钾溶液的质量为140克
C. 若加热使烧杯中的固体全部溶解,则溶质的质量分数一定比加热前大
D. 若加水使烧杯中的固体全部溶解,则溶质的质量分数一定比加水前大
14. 按如图所示电路进行实验,将滑动变阻器的滑片从右向左移动,电磁铁吸引的大头针枚数增多。此实验说明影响电磁铁磁性强弱的一个因素是( )
A. 电流的大小 B. 电流的方向 C. 线圈的匝数 D. 铁芯的粗细
15. 陶瓷茶杯底部放有一枚硬币,人移动到某一位置时看不见硬币(如图甲),往茶杯中倒入一些水后,又能够看见硬币了(如图乙)。关于“看不见”和“又看见了”两种情况,下列分析正确的是( )
①“看不见”是由于硬币没有反射光
②“看不见”是由于硬币反射的光没有到达眼睛
③“又看见了”是由于硬币反射的光通过水面的反射到达眼睛
④“又看见了”是由于硬币反射的光通过水面的折射到达眼睛
A. ①③ B. ①④ C. ②③ D. ②④
16. 有一瓶标签无法辨认的试剂,是碳酸钠溶液或硫酸钠溶液中的一种。仅用下列试剂无法进行鉴别的是( )
A.
试纸 B. 酚酞试液 C. 稀硫酸 D. 硝酸钡溶液
17. 小金将小球竖直向上抛出,小球先上升后下落,不计空气阻力。小球从离开手后到落回手中之前,此过程中能量变化的分析,正确的是( )
A. 动能先增大后减小 B. 势能先减小后增大
C. 机械能先减小后增大 D. 机械能保持不变
18. 如图所示为多挡位加热器的电路图,电热丝
的电阻小于电热丝
的电阻。闭合
和
时,对电路的分析正确的是( )
A.
和
串联 B.
两端的电压小于
两端的电压
C. 流过
的电流大于流过
的电流 D. 如果
断了,
也不能工作
19. 将过量盐酸加入一定质量的氢氧化钠溶液中,充分反应后得到溶液X。下列现象或事实描述不合理的是( )
A. 溶液X显酸性 B. 向X滴加少量硝酸银溶液无沉淀生成
C. 向X滴加少量硫酸铜溶液无沉淀生成 D. 向X加入锌粒有气体生成
20. 由于感官观察的局限,人们发明了许多仪器拓展人类的观察力。使用下列观察仪器不能实现其观察目的的是( )
A.
用天文望远镜观测遥远的星系 B.
用电子显微镜观察叶绿体的结构
C.
用放大镜观察食盐溶液中的钠离子 D.
用频闪照相机拍摄并观察人击球的运动
二、填空题(本大题共26分)
21. 鱼、蛋等食物中含有丰富的蛋白质,它是人体正常生命活动必不可少的营养素。
(1)进食鱼、蛋等食物后,蛋白质被消化成氨基酸。氨基酸在___________(填写器官名称)被吸收到血液中,通过体循环和___________等过程,进入组织细胞中合成人体自身的蛋白质。
(2)尿素是蛋白质代谢的终产物,它随血液流经肾脏时,通过肾小球的___________作用进入原尿。原尿中的尿素流经肾小管时不能被___________,从而随尿液排出体外,
22. 近年来,杭州市政府启动西溪湿地综合保护工程,将其发展成了我国首个国家5A级景区的湿地公园。
(1)湿地内所有生物的总和称为___________,其结构特征包括___________、水平结构和时间结构。
(2)由于各种因素,有些外来植物(如凤眼莲等)进入西溪湿地,湿地内所有凤眼莲个体的总和称为___________。从生态系统的成分看,外来绿色植物属于___________。为避免因某些外来植物大量繁殖对湿地的物种多样性造成危害,湿地管理部门采取了针对性的防治措施。
23. 《天工开物》记载的“生铁、熟铁连续生成工艺”,处于当时世界领先地位,是现代冶金工艺的雏形。其流程图如下所示:
(1)熔炼过程中,氧化铁与一氧化碳在高温下反应的化学方程式为___________。
(2)通过搅拌向生铁中“充氧”可降低生铁的含碳量,此过程体现了氧气的___________(选填“氧化性”或“还原性”)。“黑色湿泥”(有效成分为磷酸铁
)作为熔剂可加快反应,磷酸铁属于___________类物质(选填“酸”“碱”或“盐”)。
24. 利用氯化铁溶液浸出废金属(主要成分为铁铜合金)回收海绵铜(一种特殊形态的单质铜)的某种工艺流程图如图甲所示:
(1)浸出池中发生的反应有
,此反应类型属于___________反应(填写反应的基本类型)。
(2)若酸洗槽中先加入过量稀盐酸,再加入铜及少量铁,反应前后溶液中离子种类如图乙所示,则“
”表示___________(填写离子符号)。
25. 澳洲沙漠里的魔蜥,头部有两个尖锐的刺,能在受到天敌攻击时保护自己,其原理是:刺的尖端___________很小,能在防卫时产生很大的压强。魔蜥很多时候靠喝露水获得水分,沙漠空气中的水蒸气会在魔蜥冰冷的体表上___________(填写物态变化名称)形成露水,露水通过魔蜥体表的沟槽流进其口中。
26. 用如图所示的实验装置可以方便测量物体相对运动时摩擦力的大小。木板A放在水平地面上,木块B放置在水平的木板A上,细绳跨过定滑轮,一端与木块B相连,另一端与上端固定的弹簧测力计的秤钩相连,且细绳的
段保持竖直,
段保持水平。(木板A足够长,不计细绳重力和滑轮摩擦)
(1)用水平向右的拉力F拉动木板A向右运动,待木块B静止后,弹簧测力计示数为
,此时木块B受到的摩擦力大小为___________N。接着将拉力F增大一倍,木块B受到的摩擦力___________(选填“增大”“减小”或“不变”);
(2)撤去水平拉力F后,当木板A和木块B都静止时,弹簧测力计示数仍为
,此时木板A受到地面施加的摩擦力方向为水平___________(选填“向右”或“向左”)。
三、实验探究题(本大题共42分)
27. 历史上糖尿病曾属不治之症,科学家对糖尿病成因展开了长期的探索。
材料1:哺乳动物的胰腺主要由胰腺细胞和胰岛细胞组成。20世纪初,有假说认为胰腺能分泌某种抗糖尿病的物质。为验证此假说,很多研究者给切除胰腺后患糖尿病的狗注射胰腺提取液,结果发现狗的尿糖没有明显降低。
材料2:针对材料1的实验结果,有人解释可能是胰腺提取液中胰腺细胞分泌的某种物质分解了胰岛所分泌的抗糖尿病物质。1920年,班廷了解到,结扎胰腺导管能引起胰腺萎缩但胰岛却保持完好。于是,班廷设想用结扎胰腺导管的手段改进前人制取胰腺提取液的方法。他将健康狗的胰腺导管结扎,等胰腺完全萎缩后,切除整个胰腺制成胰腺提取液。将其注射到切除胰腺后患糖尿病的狗体内,发现狗的血糖和尿糖都明显降低。通过多次实验,他证实了胰腺中的胰岛细胞确实能分泌抗糖尿病的物质,即胰岛素。
(1)材料1中哪项证据不支持当时的假说?___________。
(2)根据材料2预测,结扎胰腺导管、胰腺完全萎缩的狗能否分泌大量的胰液?___________。
(3)材料2中班廷实验与材料1中前人所做的实验都是将健康狗先___________处理,成为糖尿病狗后,再注射胰腺提取液进行前后对照而得出结论的。他的创新之处是改进了胰腺提取液的制取方法,从而保证了胰腺提取液中的___________不被胰液所分解。
28. 小金利用如图甲所示装置(气密性良好)和试剂测定空气中氧气含量,集气瓶中空气的体积为
,氧气传感器测得集气瓶内氧气的体积分数变化曲线如图乙所示。
(1)实验开始时,用酒精灯加热粗铜丝,其目的是___________。
(2)反应开始到止水夹打开前,集气瓶内可观察到的现象是___________。
(3)小金提出“倒吸入集气瓶中水的体积除以
等于空气中氧气的含量”。据图乙分析,此说法___________(选填“正确”或“错误”),说明理由:___________。
29. 酸碱灭火器是利用两种“灭火剂”混合后喷出液体来扑灭火灾的一种灭火器。小金拟制作一款简易酸碱灭火器,进行了如下探究。
实验一:灭火剂的选择
可供选择的试剂:20%的盐酸、20%的硫酸溶液、20%的硫酸钠溶液和饱和碳酸钠溶液。
小金为了寻找反应最快的“灭火剂”组合,利用如图甲所示装置和如表所示试剂进行实验,装置A和B中的注射器、橡胶塞、U形管、气球的规格均相同,装置A和B的气密性良好,初始状态均相同。
装置 | A | B |
注射器内试剂 |
|
|
U形管内试剂 |
|
|
(1)装置A中注射器盛放的试剂为___________。
(2)若实验中同时将装置A和B的注射器内试剂全部推入U形管,装置B中发生反应的化学方程式为___________。通过观察___________(填写现象)比较两组“灭火剂”反应的快慢。
实验二:灭火器制作及使用
(3)小金制作了如图乙所示灭火器,推动注射器活塞,喷嘴喷出液体将燃烧的蜡烛熄灭,蜡烛熄灭的原因是___________。
30. 小金用如图甲所示电路测某导体的电阻。回答下列问题:
(1)用笔画线代替导线在答题纸的图中完成实物图的连接;___________
(2)闭合开关,当滑动变阻器的滑片移到某一位置时,电流表和电压表的指针位置如图丙所示,则被测导体
的电阻为___________欧;
(3)为减小实验误差,需进行多次测量。当图乙所示滑动变阻器的滑片P从A端向B端移动时,电压表的示数将___________(选填“变大”或“变小”)。
31. 如图甲所示为家用扫地机器人,其底部安装有滚刷,内置集尘器。机器人在除尘时先“脱灰”(滚刷将灰尘从地面上脱离附着),后“吸灰”(将脱附的灰尘转移进集尘器)。
小金对影响滚刷在地毯上“脱灰”效果的因素开展探究;
小金认为:在“吸灰”效果一定时,“脱灰”效果可以用“除尘能力C”来表示,其测量和表达如下:
第一步:选取长、宽一定的干净地毯,均匀撒上质量为m的灰;
第二步:测出干净集尘器的质量
,将被测机器人放在地毯上直线运行清扫10次,完成后测出集尘器质量
;
用
表示除尘能力;
小金提出:滚刷在地毯上的“脱灰”效果与滚刷的滚速、刷毛的粗细和刷毛与地毯的间距三个因素有关;
小金在保持“吸灰”效果一定的情况下,对滚刷的滚速这个因素进行了实验,得到如图乙所示的结果;
(1)除尘能力C的数值越大,表示除尘能力越___________(选填“强”或“弱”);
(2)在研究滚刷“脱灰”效果与滚刷的滚速关系时,实验中需要控制刷毛的粗细和___________保持不变,改变滚刷的滚速,测定除尘能力C;
(3)根据图乙得出的结论是:___________。
32. 酵母菌的无氧呼吸可将葡萄糖分解成酒精和二氧化碳。小金利用如图所示装置(气密性良好)和试剂验证酵母菌无氧呼吸的产物,操作如下:

①将装置A置于35℃恒温水浴锅中。
②打开止水夹
均匀地通入氮气,待装置中的空气排净后,关闭止水夹
,再将带有
酵母菌颗粒的铂丝伸入装置A的10%葡萄糖溶液中,观察实验现象。
(1)装置C的作用是___________。
(2)观察到装置B中溶液出现浑浊,则得出的结论是:___________。
(3)实验后,经多次蒸馏,能初步分离装置A中的水与酒精,其原理是利用了这两种成分的___________不同(选填“熔点”或“沸点”)。
(4)酵母菌的无氧呼吸在生活生产中的应用有___________(写出一例)。
四、解答题(本大题共32分)
33. 用两种不同充电桩,对同一辆纯电动汽车充满电的相关数据如表所示,不计充电过程中的能量损失。
充电桩 | 电池初始状态 | 充电电压/V | 充电电流/A | 充满电的时间/h |
普通充电桩 | 相同 | 220 | 30 | 10 |
快充充电桩 | 600 | 100 | 待填 |
(1)用普通充电桩充满电,消耗的电能为多少千瓦时?
(2)用快充充电桩充满电,需要多少小时?
(3)目前存在普通充电桩充电时间长,充电桩紧缺等问题。为解决此问题,除用快充充电桩充电外,再提出一种设想。
34. 如图所示为自动升降单杆晾衣架,顶盒中有牵引装置,甲、乙是连接牵引装置和水平晾杆的竖直钢丝绳,水平晾杆上有7个挂衣孔,相邻两孔间距相等,甲、乙钢丝绳悬挂晾杆的点分别与1号、7号孔中心对齐。现把重为
的衣服(含衣架)挂在5号孔(不计晾杆和绳的重力,不计摩擦和空气阻力)。
(1)绳甲对晾杆的拉力为
,绳乙对晾杆的拉力为
,则
___________
(选填“大于”“等于”或“小于”)。
(2)此时绳甲对晾杆的拉力
为多少?___________
(3)闭合开关,牵引装置工作,将晾杆保持水平状态匀速提升
,用时
,此过程该装置牵引钢丝绳做功的功率是多少?___________
35. 某景区有乘氦气球升空的观光项目。如图所示,氦气球内充满氦气,下端连接吊篮,在吊篮底端有一根缆绳,通过缆绳来控制氦气球的升降。氮气球的体积为
(不计球壁的厚度),
,
,g取
。求:
(1)氦气球内氦气的质量是多少?
(2)氦气球在缆绳控制下,匀速竖直上升
,用时
,则氦气球上升的速度是多少?
(3)氦气球(含氮气)连同吊篮等配件的总重为
,现有总质量为
的乘客,乘坐氦气球匀速竖直升空,缆绳处于竖直状态,此时缆绳对吊篮的拉力为多大?(不计吊篮及乘客在空气中的浮力,不计空气阻力)
36. 我国提出争取在2060年实现“碳中和”。为减少二氧化碳的排放,科学家提出用二氧化碳合成一种可降解的塑料
(相对分子质量为
),一定条件下,反应可表示为:
。若制取204吨该塑料,理论上可以少排放多少吨二氧化碳?(写出计算过程)
37. 人们通过对细菌的研究,拓展了对自然界中生命形式多样性的认识。
(1)细菌与植物在细胞结构上最大的不同是___________。
(2)氧化亚铁硫杆菌能在酸性环境中将黄铁矿(主要成分为二硫化亚铁
)转化为可被植物利用的硫酸盐。二硫化亚铁中硫元素的化合价为___________价。
(3)绿色硫细菌能在厌氧的环境下,利用光能将
和
转化为有机物。从同化作用方式来判断,绿色硫细菌属于___________型细菌(选填“自养”或“异养”)。
(4)近年来,人们设计出一种利用细菌发电的电池,电池里的细菌能分解糖类来发电,这一过程中的能量转化是___________。
(5)有人提出:绿色植物是自然界唯一能利用光能将无机物转化为有机物的生物。根据上述材料判断,这一观点___________(选填“正确”或“错误”),理由是:___________。
参考答案
一、选择题(本大题共60分,每小题3分。每小题只有一个选项符合题意)
【1题答案】
【答案】B
【2题答案】
【答案】C
【3题答案】
【答案】A
【4题答案】
【答案】D
【5题答案】
【答案】B
【6题答案】
【答案】C
【7题答案】
【答案】B
【8题答案】
【答案】B
【9题答案】
【答案】C
【10题答案】
【答案】A
【11题答案】
【答案】D
【12题答案】
【答案】B
【13题答案】
【答案】C
【14题答案】
【答案】A
【15题答案】
【答案】D
【16题答案】
【答案】D
【17题答案】
【答案】D
【18题答案】
【答案】C
【19题答案】
【答案】B
【20题答案】
【答案】C
二、填空题(本大题共26分)
【21题答案】
【答案】 ①. 小肠 ②. 肺循环 ③. 滤过##过滤 ④. 重吸收
【22题答案】
【答案】 ①. 群落 ②. 垂直结构 ③. 种群 ④. 生产者
【23题答案】
【答案】 ①. Fe2O3+3CO
2Fe+3CO2 ②. 氧化性 ③. 盐
【24题答案】
【答案】 ①. 化合 ②. Fe2+
【25题答案】
【答案】 ①. 受力面积 ②. 液化
【26题答案】
【答案】 ①. 3 ②. 不变 ③. 向右
三、实验探究题(本大题共42分)
【27题答案】
【答案】 ①. 研究者给切除胰腺后患糖尿病的狗注射胰腺提取液,结果发现狗的尿糖没有明显降低 ②. 不能 ③. 切除胰腺 ④. 胰岛素
【28题答案】
【答案】 ①. 引燃白磷 ②. 白磷燃烧,产生大量白烟,放出热量 ③. 错误 ④. 白磷不能耗尽装置中的氧气
【29题答案】
【答案】(1)10mL20%的硫酸溶液
(2) ①. Na2CO3+2HCl=2NaCl+H2O+CO2↑ ②. 产生气泡的快慢
(3)隔绝氧气
【30题答案】
【答案】 ①.
②. 13Ω ③. 变大
【31题答案】
【答案】 ①. 强 ②. 刷毛与地毯的间距 ③. 当刷毛的粗细和刷毛与地毯的间距相同时,滚刷的滚速越大,除尘能力越强
【32题答案】
【答案】 ①. 吸收剩余
、防止空气中
干扰装置B中检测 ②. 酵母菌无氧呼吸产生
③. 沸点 ④. 酿酒、做面包
四、解答题(本大题共32分)
【33题答案】
【答案】(1)6.6kW?h ;(2)0.11h ;(3)见解析
【34题答案】
【答案】 ①. 小于
②. 10N ③. 3.6W
【35题答案】
【答案】(1)1080kg;(2)0.5m/s;(3)2×104N
【36题答案】
【答案】解:设理论上可以少排放二氧化碳的质量为x
=![]()
x=88吨
答:理论上可以少排放二氧化碳的质量为88吨。
【37题答案】
【答案】 ①. 细菌没有成形的细胞核,而植物有成形细胞核 ②. -1 ③. 自养 ④. 化学能转化为电能 ⑤. 错误 ⑥. 绿色硫细菌能在厌氧的环境下,利用光能将
和
转化为有机物
