2025年6月浙江普通高中学业水平选择性考试技术试题及答案
第二部分 通用技术(共50分)
一、选择题(本大题共12小题,每小题2分,共24分。每小题列出的四个备选项中只有一个是符合题目要求的,不选、多选、错选均不得分)
1. 随着我国跨入智能电网时代,电力供应稳定可靠,处于世界领先地位。下列关于智能电网技术的说法中,不恰当的是( )
A. 在发电、输电、用电等环节得到了广泛应用,体现了技术的综合性
B. 实现了对电力系统的实时监测和智能化管理,体现了技术的目的性
C. 实现了偏远地区稳定的电力供应,改善了当地居民的生活
D. 产生了大量信息技术与电力网络相融合的知识产权,体现了技术的专利性
2. 对如图所示雨披进行的分析与评价中,不恰当的是( )
A. 选用透明材料,便于观察仪表盘和转向灯,符合设计的实用原则
B. 帽檐可拆卸,便于佩戴安全头盔,主要是从“物”的角度考虑的
C. 选用柔软材料,实现了人机关系的舒适目标
D. 设计了反光条,考虑了人机关系的信息交互
3. 如图所示的创意毛巾挂架,由底座、盖板和钢球组成,将毛巾从盖板与钢球之间由下往上提,毛巾带动钢球移动,松手后钢球在重力作用下将毛巾卡住。以下设计方案中,合理的是( )
A.
B. 
C
D. 
4. 下列三视图中,左视图不符合投影关系的是( )
A.
B. 
C.
D. 
在通用技术实践课中,小明用一块长210mm、宽100mm、厚2mm的钢板加工出如图所示的沥水篮。
5. 下列操作中,不合理的是( )
A. 划线时,先在钢板上划矩形板,再划耳板
B. 底板按100mm×60mm进行划线
C. 锯割底板时,在线的外侧留余量
D. 锉削时,用手清除锉刀上的切屑应戴手套,防止扎伤手指
6. 下列加工流程中,合理的是( )
A. 划线→锯割→锉削→钻孔→焊接B. 划线→锯割→锉削→焊接→钻孔
C. 划线→钻孔→锯割→锉削→焊接D. 划线→锯割→钻孔→焊接→锉削
7. 如图所示的刹车装置,刹车盘通过转轴安装在机架上,刹车臂、手柄通过销轴安装在机架上。手柄在力F的作用下转动,通过杆1和杆2带动上、下刹车臂抱紧刹车盘,从而实现刹车。撤去力F后,弹簧使装置复位。下列关于该刹车装置的分析,不正确的是( )
A. 刹车盘属于实体结构B. 刹车臂与机架之间的连接属于铰连接
C. 刹车时,弹簧处于压缩状态D. 刹车时,杆2受压
如图所示是一种鲐鱼鱼体姿态控制系统的示意图,其工作过程是:鱼体以随机姿态逐条送入传送带,ARM单片机根据工业相机采集的鱼体图像判断出鱼体姿态,并发送信号给Arduino单片机。当光电传感器检测到鱼体到达作业位置时,发送信号给Arduino单片机,Arduino单片机结合鱼体姿态,通过继电器模块驱动电磁阀来控制相应机构将鱼体调整成设定姿态。
8. 下列从系统角度进行的分析中,恰当的是( )
A. 专门用于鲐鱼鱼体姿态的调整,体现了系统的环境适应性
B. ARM单片机能判断鱼体姿态,体现了系统的目的性
C. 从系统分析的整体性原则出发,先考虑姿态判断,再考虑姿态调整
D. 从系统分析的科学性原则出发,通过试验获得相关参数后计算确定系统处理速度
9. 下列从控制系统角度进行的分析中,恰当的是( )
A. 控制量是鱼体的设定姿态B. 被控对象是鱼体
C. 控制器是ARM单片机D. 光电传感器起反馈作用
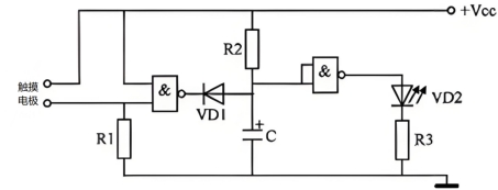
10. 小明准备在印制电路板上制作如图所示的触摸延时灯实验电路。下列表述中,合理的是( )
A. 所选的四2输入与非门集成电路的引脚数量为6个
B. 锡焊前对电容C极性进行识别,其长脚为负,短脚为正
C. 锡焊前用指针式多用电表合适挡位测试VD1
否正常,需正反测试两次
D
锡焊时先送入焊锡再加热焊盘和焊件,结束时先移走电烙铁再移走焊锡
11. 如图所示是小明设计的电源模块和工作电路模块。下列分析中不正确的是( )
A. VD1断路时,VD6发光一段时间后熄灭
B. a接B、b接A时,VD5能阻断电路,起保护作用
C. 增大电容C的容量,RL两端的电压波动幅度变小
D. 电容C断路时,流过VD6的电流会时断时续
12. 如图所示是小明设计的灯带电路模型,R1与R2、VT1与VT2参数相同,VD1-VD8为硅二极管。初始状态时,VT1、VT2、VT3均工作在放大区。下列分析中不正确的是( )
A. 灯带中LED的数量增加到一定程度,灯带会熄灭
B. VD1短路时,流过灯带的电流变大
C. 适当减小R4的阻值,流过灯带的电流大小基本不变
D. 开关S闭合后,适当增大R1的阻值,VD9亮度增加,流过灯带的电流大小基本不变
二、综合题(本大题共3小题,其中第28小题8分,第29小题10分,第30小题8分,共26分。各小题中“________”处填写合适选项的字母编号)
13. 小明在灯会上看到如图所示的龙形花灯(以下简称龙灯)。龙灯通过支撑件与支撑杆连接。小明准备设计一款具有动态效果的龙灯,请完成以下任务:

(1)小明从设计的一般原则角度进行了思考,不合理的是(单选)________;
A. 从可持续发展原则出发,选择可降解或可重复使用的材料
B. 从技术规范原则出发,应使龙灯工作安全可靠,工作电压越低越好
C. 从经济原则出发,在满足强度、稳定性等要求的前提下,尽量降低成本
(2)小明从如图所示绳的运动轨迹中得到启发,准备使多个支撑件做升降运动呈现腾飞的动态效果。采用的构思方法属于(单选)________;
A. 形态分析法B. 仿生法C. 设问法D. 联想法
(3)小明对龙灯本体进行的设计分析中,不合理的是(单选)________;
A. 构件的尺寸应使各支撑件能协调运动,从而呈现腾飞的动态效果
B. 龙灯骨架的构件之间均不能有相对运动,保证其具有足够的强度
C. 安装红、黄LED灯组,产生灯光效果
(4)小明构思了支撑件与支撑杆连接
方案,其中支撑件可升降的是(多选)________;
A.
B.
C.
D.
E. 
14. 小明想设计一个装置来实现龙灯位置2和位置4支撑件的升降,已知相邻两支撑杆之间的距离为2m。请你帮助小明设计该装置的机械部分,设计要求如下:
(a)位置2和位置4支撑件运动的速度大小相等、方向相反;
(b)支撑件升降的行程为0.6m;
(c)采用电机驱动,通过往复运动机构或电机的正反转实现支撑件的升降;
(d)尽量使用1个电机。
请完成以下任务:
(1)小明构思了四种运动方式来实现支撑件的升降运动,不合理的是(单选)________;
A. 支撑杆不动,支撑件上下移动B. 支撑杆带动支撑件一起上下移动
C. 支撑件与支撑杆一起转动D. 支撑杆转动,支撑件沿轴线上下移动
(2)请在头脑中构思符合设计要求的多个方案,并画出最优方案的设计草图(电机可用方框表示,支撑件与龙灯之间的连接可不表达),简要说明方案的工作过程;
(3)在草图上标注主要尺寸。
15. 小明完成了龙灯的机械装置的制作后,为了点缀龙灯,设计了如图所示的实验电路,使红色、黄色LED交替发光。请完成以下任务:
(1)为了增强喜庆感,希望红色LED发光时间变长。对Rp的调节正确的是(单选)________;
A. 滑动端向上移B. 滑动端向下移
(2)小明希望LED发光亮度能渐变,重新对电路进行了设计,如图所示。测试时,发现不能实现预期功能。可行的改进措施是(单选)________;
A. 增加C3、C4的放电通路
B. 增加C3、C4的充电通路
C. 将C3、C4替换成容量较小的电容
(3)为了实现环境光照强度低到一定程度时LED才工作,请帮助小明在虚线框1中连线完成电路设计;
(4)为了节能,小明准备用继电器控制龙灯,当下雨或无观众时,机械装置子系统和LED子系统不工作。请帮助小明完成电路设计,在虚线框2中完成门电路的连接,其输出信号F作为虚线框3中电路的输入信号,并选择电阻、二极管、继电器及合适类型的三极管各一个,在虚线框3中用共发射极接法将电路补充完整。

参考答案
一、选择题(本大题共12小题,每小题2分,共24分。每小题列出的四个备选项中只有一个是符合题目要求的,不选、多选、错选均不得分)
【1题答案】
【答案】A
【2题答案】
【答案】B
【3题答案】
【答案】B
【4题答案】
【答案】C
【5~6题答案】
【答案】5. D 6. C
【7题答案】
【答案】D
【8~9题答案】
【答案】8. D 9. B
【10题答案】
【答案】C
【11题答案】
【答案】A
【12题答案】
【答案】B
二、综合题(本大题共3小题,其中第28小题8分,第29小题10分,第30小题8分,共26分。各小题中“________”处填写合适选项的字母编号)
【13题答案】
【答案】(1)B (2)D (3)B (4)BE
【14题答案】
【答案】(1)C (2)
(3)尺寸标注合理即可。
【15题答案】
【答案】(1)B (2)A
(3)
(4)
