2025年湖南普通高中学业水平选择性考试物理真题及答案
一、选择题:本题共6小题,每小题4分,共24分。在每小题给出的四个选项中,只有一项是符合题目要求的。
1. 关于原子核衰变,下列说法正确的是( )
A. 原子核衰变后生成新核并释放能量,新核总质量等于原核质量
B. 大量某放射性元素的原子核有半数发生衰变所需时间,为该元素的半衰期
C. 放射性元素的半衰期随环境温度升高而变长
D. 采用化学方法可以有效改变放射性元素的半衰期
2. 如图,物块以某一初速度滑上足够长的固定光滑斜面,物块的水平位移、竖直位移、水平速度、竖直速度分别用x、y、
、
表示。物块向上运动过程中,下列图像可能正确的是( )
A.
B. 
C
D. 
3. 如图,ABC为半圆柱体透明介质的横截面,AC为直径,B为ABC的中点。真空中一束单色光从AC边射入介质,入射点为A点,折射光直接由B点出射。不考虑光的多次反射,下列说法正确的是( )
A. 入射角θ小于45°
B. 该介质折射率大于![]()
C. 增大入射角,该单色光在BC上可能发生全反射
D. 减小入射角,该单色光在AB上可能发生全反射
4. 我国研制的“天问二号”探测器,任务是对伴地小行星及彗星交会等进行多目标探测。某同学提出探究方案,通过释放卫星绕小行星进行圆周运动,可测得小行星半径R和质量M。为探测某自转周期为
的小行星,卫星先在其同步轨道上运行,测得距离小行星表面高度为h,接下来变轨到小行星表面附近绕其做匀速圆周运动,测得周期为
。已知引力常量为G,不考虑其他天体对卫星的引力,可根据以上物理得到
。下列选项正确的是( )
A. a为
为
为
B. a为
为
为![]()
C. a为
为
为
D. a为
为
为![]()
5. 如图,两带电小球的质量均为m,小球A用一端固定在墙上的绝缘轻绳连接,小球B用固定的绝缘轻杆连接。A球静止时,轻绳与竖直方向的夹角为
,两球连线与轻绳的夹角为
,整个系统在同一竖直平面内,重力加速度大小为g。下列说法正确的是( )
A. A球静止时,轻绳上拉力为![]()
B. A球静止时,A球与B球间
库仑力为![]()
C. 若将轻绳剪断,则剪断瞬间A球加速度大小为g
D. 若将轻绳剪断,则剪断瞬间轻杆对B球的作用力变小
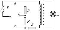
6. 如图,某小组设计了灯泡亮度可调的电路,a、b、c为固定的三个触点,理想变压器原、副线圈匝数比为k,灯泡L和三个电阻的阻值均恒为R,交变电源输出电压的有效值恒为U。开关S与不同触点相连,下列说法正确的是( )
A. S与a相连,灯泡的电功率最大
B. S与a相连,灯泡两端的电压为![]()
C. S与b相连,流过灯泡的电流为
D. S与c相连,灯泡的电功率为
二、选择题:本题共4小题,每小题5分,共20分。在每小题给出的四个选项中,有多项符合题目要求。全部选对的得5分,选对但不全的得3分,有选错的得0分。
7. 如图,
在
平面内,两波源分别置于A、B两点。
时,两波源从平衡位置起振,起振方向相同且垂直于
平面。频率均为
。两波源持续产生振幅相同的简谐横波,波分别沿
方向传播,波速均为
。下列说法正确的是( )
A. 两横波的波长均为
B.
时,C处质点加速度为0
C.
时,C处质点速度不为0D.
时,C处质点速度为0
8. 一匀强电场的方向平行于
平面,平面内A点和B点的位置如图所示。电荷量为
和
的三个试探电荷先后分别置于O点、A点和B点时,电势能均为
。下列说法正确的是( )
A.
中点的电势为零B. 电场的方向与x轴正方向成
角
C. 电场强度的大小为
D. 电场强度的大小为![]()
9. 如图,关于x轴对称的光滑导轨固定在水平面内,导轨形状为抛物线,顶点位于O点。
一足够长的金属杆初始位置与y轴重合,金属杆的质量为m,单位长度的电阻为
。整个空间存在竖直向上的匀强磁场,磁感应强度为B。现给金属杆一沿x轴正方向的初速度
,金属杆运动过程中始终与y轴平行,且与电阻不计的导轨接触良好。下列说法正确的是( )
A. 金属杆沿x轴正方向运动过程中,金属杆中电流沿y轴负方向
B. 金属杆可以在沿x轴正方向的恒力作用下做匀速直线运动
C. 金属杆停止运动时,与导轨围成的面积为![]()
D. 若金属杆的初速度减半,则金属杆停止运动时经过的距离小于原来的一半
10. 如图,某爆炸能量测量装置由装载台和滑轨等构成,C是可以在滑轨上运动的标准测量件,其规格可以根据测量需求进行调整。滑轨安装在高度为h的水平面上。测量时,将弹药放入装载台圆筒内,两端用物块A和B封装,装载台与滑轨等高。引爆后,假设弹药释放的能量完全转化为A和B的动能。极短时间内B嵌入C中形成组合体D,D与滑轨间的动摩擦因数为
。D在滑轨上运动
距离后抛出,落地点距抛出点水平距离为
,根据
可计算出弹药释放的能量。某次测量中,A、B、C质量分别为
、
、
,
,整个过程发生在同一竖直平面内,不计空气阻力,重力加速度大小为g。则( )
A. D的初动能与爆炸后瞬间A的动能相等
B. D的初动能与其落地时的动能相等
C. 弹药释放的能量为
D. 弹药释放的能量为
三、非选择题:本题共5小题,共56分。
11. 某同学通过观察小球在黏性液体中的运动,探究其动力学规律,步骤如下:

(1)用螺旋测微器测量小球直径D如图1所示,
__________
。
(2)在液面处由静止释放小球,同时使用频闪摄影仪记录小球下落过程中不同时刻的位置,频闪仪每隔
闪光一次。装置及所拍照片示意图如图2所示(图中的数字是小球到液面的测量距离,单位是
)。
(3)根据照片分析,小球在A、E两点间近似做匀速运动,速度大小
__________
(保留2位有效数字)。
(4)小球在液体中运动时受到液体
黏滞阻力
(k为与液体有关的常量),已知小球密度为
,液体密度为
,重力加速度大小为g,则k的表达式为
__________(用题中给出的物理量表示)。
(5)为了进一步探究动力学规律,换成直径更小的同种材质小球,进行上述实验,匀速运动时的速度将__________(填“增大”“减小”或“不变”)。
12. 车辆运输中若存在超载现象,将带来安全隐患。由普通水泥和导电材料混合制成的导电水泥,可以用于监测道路超载问题。某小组对此进行探究。
(1)选择一块均匀的长方体导电水泥块样品,用多用电表粗测其电阻。将多用电表选择开关旋转到“
”挡,正确操作后,指针位置如图1所示,则读数为__________
。
(2)进一步提高实验精度,使用伏安法测量水泥块电阻,电源E电动势
,内阻可忽略,电压表量程
,内阻约
,电流表程
,内阻约
。实验中要求滑动变阻器采用分压接法,在图2中完成余下导线的连接__________。
(3)如图2,测量水泥块的长为a,宽为b,高为c。用伏安法测得水泥块电阻为R,则电阻率
__________(用R、a、b、c表示)。
(4)测得不同压力F下的电阻R,算出对应的电阻率
,作出
图像如图3所示。
(5)基于以上结论,设计压力报警系统,电路如图4所示。报警器在两端电压大于或等于
时启动,
为水泥块,
为滑动变阻器,当
的滑片处于某位置,
上压力大于或等于
时,报警器启动。报警器应并联在__________两端(填“
”或“
”)。
(6)若电源E使用时间过长,电动势变小,
上压力大于或等于
时,报警器启动,则
__________
(填“大于”“小于”或“等于”)。
13. 用热力学方法可测量重力加速度。如图所示,粗细均匀
细管开口向上竖直放置,管内用液柱封闭了一段长度为
的空气柱。液柱长为h,密度为
。缓慢旋转细管至水平,封闭空气柱长度为
,大气压强为
。
(1)若整个过程中温度不变,求重力加速度g的大小;
(2)考虑到实验测量中存在各类误差,需要在不同实验参数下进行多次测量,如不同
液柱长度、空气柱长度、温度等。某次实验测量数据如下,液柱长
,细管开口向上竖直放置时空气柱温度
。水平放置时调控空气柱温度,当空气柱温度
时,空气柱长度与竖直放置时相同。已知
。根据该组实验数据,求重力加速度g的值。
14. 如图。直流电源的电动势为
,内阻为
,滑动变阻器R的最大阻值为
,平行板电容器两极板水平放置,板间距离为d,板长为
,平行板电容器的右侧存在方向垂直纸面向里的匀强磁场。闭合开关S,当滑片处于滑动变阻器中点时,质量为m的带正电粒子以初速度
水平向右从电容器左侧中点a进入电容器,恰好从电容器下极板右侧边缘b点进入磁场,随后又从电容器上极板右侧边缘c点进入电容器,忽略粒子重力和空气阻力。

(1)求粒子所带电荷量q;
(2)求磁感应强度B的大小;
(3)若粒子离开b点时,在平行板电容器的右侧再加一个方向水平向右的匀强电场,场强大小为
,求粒子相对于电容器右侧的最远水平距离
。
15. 某地为发展旅游经济,因地制宜利用山体举办了机器人杂技表演。表演中,需要将质量为m的机器人抛至悬崖上的A点,图为山体截面与表演装置示意图。a、b为同一水平面上两条光滑平行轨道,轨道中有质量为M的滑杆。滑杆用长度为L的轻绳与机器人相连。初始时刻,轻绳??紧且与轨道平行,机器人从B点以初速度v竖直向下运动,B点位于轨道平面上,且在A点正下方,
。滑杆始终与轨道垂直,机器人可视为质点且始终作同一竖直平面内运动,不计空气阻力,轻绳不可伸长,
,重力加速度大小为g。
(1)若滑杆固定,
,当机器人运动到滑杆正下方时,求轻绳拉力的大小;
(2)若滑杆固定,当机器人运动到滑杆左上方且轻绳与水平方向夹角为
时,机器人松开轻绳后被抛至A点,求v的大小;
(3)若滑杆能沿轨道自由滑动,
,且
,当机器人运动到滑杆左上方且轻绳与水平方向夹角为
时,机器人松开轻绳后被抛至??点,求v与k的关系式及v的最小值。
参考答案
一、选择题:本题共6小题,每小题4分,共24分。在每小题给出的四个选项中,只有一项是符合题目要求的。
【1题答案】
【答案】B
【2题答案】
【答案】C
【3题答案】
【答案】D
【4题答案】
【答案】A
【5题答案】
【答案】C
【6题答案】
【答案】B
二、选择题:本题共4小题,每小题5分,共20分。在每小题给出的四个选项中,有多项符合题目要求。全部选对的得5分,选对但不全的得3分,有选错的得0分。
【7题答案】
【答案】AD
【8题答案】
【答案】AD
【9题答案】
【答案】AC
【10题答案】
【答案】BD
三、非选择题:本题共5小题,共56分。
【11题答案】
【答案】 ①. 2.207##2.206##2.205 ②.
③.
④. 减小
【12题答案】
【答案】 ①. 8000 ②. 见解析 ③.
④.
⑤. 大于
【13题答案】
【答案】(1)
(2)![]()
【14题答案】
【答案】(1)
(2)
(3)
【15题答案】
【答案】(1)
(2)
(3)
,![]()
