2025年云南高考物理试题及答案
一、选择题:本题共10小题,共46分。在每小题给出的四个选项中,第1~7题只有一项符合题目要求,每小题4分;第8~10题有多项符合题目要求,每小题6分,全部选对的得6分,选对但不全的得3分,有选错的得0分。
1. 2025年3月,我国科学家研制的碳14核电池原型机“烛龙一号”发布,标志着我国在核能技术领域与微型核电池领域取得突破。碳14的衰变方程为
,则( )
A. X为电子,是在核内中子转化为质子的过程中产生的
B. X为电子,是在核内质子转化为中子的过程中产生的
C. X为质子,是由核内中子转化而来的
D. X为中子,是由核内质子转化而来的
2. 如图所示,中老铁路国际旅客列车从云南某车站由静止出发,沿水平直轨道逐渐加速到144km/h,在此过程中列车对座椅上的一高中生所做的功最接近( )
A. 4×105JB. 4×104JC. 4×103JD. 4×102J
3. 如图所示,某同学将两颗鸟食从O点水平抛出,两只小鸟分别在空中的M点和N点同时接到鸟食。鸟食的运动视为平抛运动,两运动轨迹在同一竖直平面内,则( )
A. 两颗鸟食同时抛出B. 在N点接到
鸟食后抛出
C. 两颗鸟食平抛的初速度相同D. 在M点接到的鸟食平抛的初速度较大
4. 某介电电泳实验使用非匀强电场,该电场的等势线分布如图所示。a、b、c、d四点分别位于电势为-2V、-1V、1V、2V的等势线上,则( )
A. a、b、c、d中a点电场强度最小
B. a、b、c、d中d点电场强度最大
C. 一个电子从b点移动到c点电场力做功为2eV
D. 一个电子从a点移动到d点电势能增加了4eV
5. 国际编号为192391的小行星绕太阳公转的周期约为5.8年,该小行星与太阳系内八大行星几乎在同一平面内做圆周运动。规定地球绕太阳公转的轨道半径为
,八大行星绕太阳的公转轨道半径如下表所示。忽略其它行星对该小行星的引力作用,则该小行星的公转轨道应介于( )
行星 | 水星 | 金星 | 地球 | 火星 | 木星 | 土星 | 天王星 | 海王星 |
轨道半径 | 0 | 0.72 | 1.0 | 1.5 | 5.2 | 9.5 | 19 | 30 |
A. 金星与地球的公转轨道之间B. 地球与火星的公转轨道之间
C. 火星与木星的公转轨道之间D. 天王星与海王星的公转轨道之间
6. 如图所示,质量为m
滑块(视为质点)与水平面上MN段的动摩擦因数为
,与其余部分的动摩擦因数为
,且
。第一次,滑块从I位置以速度
向右滑动,通过MN段后停在水平面上的某一位置,整个运动过程中,滑块的位移大小为
,所用时间为
;第二次,滑块从Ⅱ位置以相同速度
向右滑动,通过MN段后停在水平面上的另一位置,整个运动过程中,滑块的位移大小为
,所用时间为
。忽略空气阻力,则( )
A.
B.
C.
D. ![]()
7. 如图所示,均匀介质中矩形区域内有一位置未知的波源。
时刻,波源开始振动产生简谐横波,并以相同波速分别向左、右两侧传播,P、Q分别为矩形区域左右两边界上振动质点的平衡位置。
和
时矩形区域外波形分别如图中实线和虚线所示,则( )

A. 波速为![]()
B. 波源的平衡位置距离P点![]()
C.
时,波源处于平衡位置且向下运动
D.
时,平衡位置在P、Q处的两质点位移相同
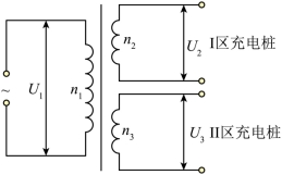
8. 电动汽车充电桩的供电变压器(视为理想变压器)示意图如图所示。变压器原线圈的匝数为
,输入电压
;两副线圈的匝数分别为
和
,输出电压
。当I、Ⅱ区充电桩同时工作时,两副线圈的输出功率分别为
和
,下列说法正确的是( )

A.
B. ![]()
C. 变压器
输入功率为
D. 两副线圈输出电压最大值均为![]()
9. 图甲为1593年伽利略发明的人类历史上第一支温度计,其原理如图乙所示。硬质玻璃泡a内封有一定质量的气体(视为理想气体),与a相连的b管插在水槽中固定,b管中液面高度会随环境温度变化而变化。设b管的体积与a泡的体积相比可忽略不计,在标准大气压
下,b管上的刻度可以直接读出环境温度。则在
下( )
A. 环境温度升高时,b管中液面升高B. 环境温度降低时,b管中液面升高
C. 水槽中的水少量蒸发后,温度测量值偏小D. 水槽中的水少量蒸发后,温度测量值偏大
10. 如图所示,倾角为
的固定斜面,其顶端固定一劲度系数为k的轻质弹簧,弹簧处于原长时下端位于O点。质量为m的滑块Q(视为质点)与斜面间的动摩擦因数
。过程I:Q以速度
从斜面底端P点沿斜面向上运动恰好能滑至O点;过程Ⅱ:将Q连接在弹簧的下端并拉至P点由静止释放,Q通过M点(图中未画出)时速度最大,过O点后能继续上滑。弹簧始终在弹性限度内,假设最大静摩擦力等于滑动摩擦力,忽略空气阻力,重力加速度为g。则( )
A. P、M两点之间的距离为![]()
B. 过程Ⅱ中,Q在从P点单向运动到O点的过程中损失的机械能为![]()
C. 过程Ⅱ中,Q从P点沿斜面向上运动的最大位移为![]()
D. 连接在弹簧下端的Q无论从斜面上何处释放,最终一定静止在OM(含O、M点)之间
二、非选择题:本题共5小题,共54分。其中13~15题解答时请写出必要的文字说明、方程式和重要的演算步骤;有数值计算时,答案中必须明确写出数值和单位。
11. 某实验小组做了测量木质滑块与橡胶皮之间动摩擦因数
的实验,所用器材如下:钉有橡胶皮的长木板、质量为
的木质滑块(含挂钩)、细线、定滑轮、弹簧测力计、慢速电机以及砝码若干。实验装置如图甲所示。

实验步骤如下:
①将长木板放置在水平台面上,滑块平放在橡胶面上;
②调节定滑轮高度,使细线与长木板平行(此时定滑轮高度与挂钩高度一致);
③用电机缓慢拉动长木板,当长木板相对滑块匀速运动时,记录弹簧测力计的示数F;
④在滑块上分别放置
和
的砝码,重复步骤③;
⑤处理实验数据(重力加速度g取
)。
实验数据如下表所示:
滑块和砝码的总质量 | 弹簧测力计示数 | 动摩擦因数 |
250 | 1.12 | 0.457 |
300 | 1.35 | a |
350 | 1.57 | 0.458 |
400 | 1.79 | 0.457 |
完成下列填空:
(1)表格中a处的数据为________(保留3位有效数字);
(2)其它条件不变时,在实验误差允许的范围内,滑动摩擦力的大小与接触面上压力的大小________,
与接触面上压力的大小________(以上两空填“成正比”“成反比”或“无关”);
(3)若在实验过程中未进行步骤②,实验装置如图乙所示,挂钩高于定滑轮,则
的测量结果将________(填“偏大”“偏小”或“不变”)。
12. 基于铂电阻阻值随温度变化的特性,某兴趣小组用铂电阻做了测量温度的实验。可选用的器材如下:
型号铂电阻、电源E(电动势
,内阻不计)、电流表
。(量程
,内阻
)、电流表
(量程
,内阻约
)、定值电阻
(阻值
)、定值电阻
(阻值
)、开关S和导线若干。
查阅技术手册可知,
型号铂电阻测温时的工作电流在
之间,在
范围内,铂电阻的阻值
随温度t的变化视为线性关系,如图(a)所示。
完成下列填空:
(1)由图(a)可知,在
范围内,温度每升高
,该铂电阻的阻值增加________
;
(2)兴趣小组设计了如图(b)所示的甲、乙两种测量铂电阻阻值的电路图,能准确测出铂电阻阻值的是________(填“甲”或“乙”),保护电阻R应选________(填“
”或“
”);
(3)用(2)问中能准确测出铂电阻阻值的电路测温时,某次测量读得
示数为
,
示数如图(c)所示,该示数为________
,则所测温度为________
(计算结果保留2位有效数字)。
13. 用光学显微镜观察样品时,显微镜部分结构示意图如图甲所示。盖玻片底部中心位置O点的样品等效为点光源,为避免O点发出的光在盖玻片上方界面发生全反射,可将盖玻片与物镜的间隙用一滴油填充,如图乙所示。已知盖玻片材料和油的折射率均为1.5,盖玻片厚度
,盖玻片与物镜的间距
,不考虑光在盖玻片中的多次反射,取真空中光速
。

(1)求未滴油时,O点发出的光在盖玻片的上表面的透光面积(结果保留2位有效数字);
(2)滴油前后,光从O点传播到物镜的最短时间分别为
,求
(结果保留2位有效数字)。
14. 磁屏蔽技术可以降低外界磁场对屏蔽区域的干扰。如图所示,
区域存在垂直
平面向里的匀强磁场,其磁感应强度大小为
(未知)。第一象限内存在边长为
的正方形磁屏蔽区ONPQ,经磁屏蔽后,该区域内的匀强磁场方向仍垂直
平面向里,其磁感应强度大小为
(未知),但满足
。某质量为m、电荷量为
的带电粒子通过速度选择器后,在
平面内垂直y轴射入
区域,经磁场偏转后刚好从ON中点垂直ON射入磁屏蔽区域。速度选择器两极板间电压U、间距d、内部磁感应强度大小
已知,不考虑该粒子的重力。
(1)求该粒子通过速度选择器的速率;
(2)求
以及y轴上可能检测到该粒子的范围;
(3)定义磁屏蔽效率
,若在Q处检测到该粒子,则
是多少?
15. 如图所示,光滑水平面上有一个长为L、宽为d的长方体空绝缘箱,其四周紧固一电阻为R的水平矩形导线框,箱子与导线框的总质量为M。与箱子右侧壁平行的磁场边界平面如截面图中虚线PQ所示,边界右侧存在范围足够大的匀强磁场,其磁感应强度大小为B、方向竖直向下。
时刻,箱子在水平向右的恒力F(大小未知)作用下由静止开始做匀加速直线运动,这时箱子左侧壁上距离箱底h处、质量为m的木块(视为质点)恰好能与箱子保持相对静止。箱子右侧壁进入磁场瞬间,木块与箱子分离;箱子完全进入磁场前某时刻,木块落到箱子底部,且箱子与木块均不反弹(木块下落过程中与箱子侧壁无碰撞);木块落到箱子底部时即撤去F。运动过程中,箱子右侧壁始终与磁场边界平行,忽略箱壁厚度、箱子形变、导线粗细及空气阻力。木块与箱子内壁间的动摩擦因数为μ,假设最大静摩擦力等于滑动摩擦力,重力加速度为g。
(1)求F的大小;
(2)求
时刻,箱子右侧壁距磁场边界的最小距离;
(3)若
时刻,箱子右侧壁距磁场边界的距离为s(s大于(2)问中最小距离),求最终木块与箱子的速度大小。
参考答案
一、选择题:本题共10小题,共46分。在每小题给出的四个选项中,第1~7题只有一项符合题目要求,每小题4分;第8~10题有多项符合题目要求,每小题6分,全部选对的得6分,选对但不全的得3分,有选错的得0分。
【1题答案】
【答案】A
【2题答案】
【答案】B
【3题答案】
【答案】D
【4题答案】
【答案】C
【5题答案】
【答案】C
【6题答案】
【答案】A
【7题答案】
【答案】D
【8题答案】
【答案】AC
【9题答案】
【答案】BD
【10题答案】
【答案】BCD
二、非选择题:本题共5小题,共54分。其中13~15题解答时请写出必要的文字说明、方程式和重要的演算步骤;有数值计算时,答案中必须明确写出数值和单位。
【11题答案】
【答案】(1)0
459
(2) ①. 成正比 ②. 无关
(3)偏大
【12题答案】
【答案】(1)3.85
(2) ①. 乙 ②.
(3) ①. 62.0 ②. 51
【13题答案】
【答案】(1)
(2)![]()
【14题答案】
【答案】(1)
(2)
,
(3)![]()
【15题答案】
【答案】(1)
(2)
(3)见解析
