2024年江苏无锡中考物理试题及答案
一、选择题(本题共12小题,每小题2分,共24分。每小题给出的四个选项中只有一个正确)
1. 歌曲《东方红》简谱中有如下片段:
,其中的数字符号表示声音的( )
A. 音调 B. 响度 C. 音色 D. 速度
2. 通过相关可观测
现象推测无法直接感知的事实,是物理研究的一种方法。下列根据这种方法所做出的推测,不符合事实的是( )
A. 汤姆生发现电子推测出原子是可分的
B. 酒精和水混合后总体积变小推测出分子间有空隙
C. 固体很难被压缩推测出组成固体的分子间无空隙
D. 红墨水在水中扩散推测出分子处在水不停息的无规则运动中
3. 四冲程内燃机工作时,机械能转化成内能的冲程是( )
A. 吸气冲程 B. 压缩冲程 C. 做功冲程 D. 排气冲程
4. 如图所示,密封的锤形玻璃泡内装有少量碘颗粒,碘的熔点约为114℃。打开电吹风热风挡对玻璃泡加热,温度约为60℃,一段时间后,观察到玻璃泡内弥漫着紫红色的碘蒸气,停止加热,冷却后玻璃泡内又出现碘颗粒。关于这个过程,下列说法中正确的是( )

A. 加热时,碘颗粒熔化 B. 冷却时,碘蒸气凝固
C. 加热时,碘颗粒升华 D. 冷却时,碘蒸气液化
5. 下列做法中符合安全用电原则的是( )
A. 在电线上晾晒衣物 B. 私拉电线给电瓶车充电
C. 在高压线下放风筝 D. 用电器的金属外壳接地
6. 如图所示,将同一支压强计的金属盒依次放入装有同种液体的甲、乙、丙容器中,金属盒面的朝向不同,但U形管液面的高度差相等,要观察到这样的实验现象,需要控制的实验条件是( )

A. 同一个人操作 B. 液体质量相等
C. 操作时间相等 D. 金属盒面的中心在液体中的深度相等
7. 电冰箱冷藏室中的照明灯L由门控开关
控制,压缩机(电动机)由温控开关
控制,要求照明灯和压缩机既能单独工作又能同时工作,下列电路中符合上述特点的是( )
A.
B. 
C.
D. 
8. 如图所示,小明和小华穿着轮滑鞋静止在平滑的地面上,小华用力向前推小明后,下列说法中正确的是( )

A. 小明和小华由于惯性都保持静止 B. 小明和小华因
受力一起向前运动
C. 小明受力向前运动,小华受力向后运动 D. 小明受力向前运动,小华由于惯性保持静止
9. 用焦距为10cm的凸透镜探究凸透镜成像的规律,将点燃的蜡烛、凸透镜、光屏置于光具座上如图所示的位置,下列说法中正确的是( )

A. 只向左移动光屏至适当位置,光屏上能呈现烛焰缩小的像
B. 只向右移动光屏至适当位置,光屏上能呈现烛焰放大的像
C. 只向右移动蜡烛至适当位置,光屏上能呈现烛焰放大的像
D. 只移动凸透镜至适当位置,光屏上能呈现烛焰等大的像
10. 如图所示,用滑轮组匀速提升重为200N的物体,拉力F为125N,物体升高的高度为4m,不计绳重和摩擦,则在此过程中,下列说法中正确的是( )

A. 总功为800J B. 动滑轮重为5N
C. 绳端移动的距离为4m D. 滑轮组的机械效率为80%
11. 如图所示,是能在火星上飞行
直升机——机智号,其质量为1.8kg,飞行时旋翼转速达到每分钟2400转,是地球上普通直升机旋翼转速的8倍以上,地球上的直升机飞行时,旋翼在空气中旋转获得相对气流,从而获得升力(火星表面g取4N/kg)。下列说法中正确的是( )

A. 火星表面没有气体 B. 火星表面有稀薄的气体
C. 机智号在火星上重为18N D. 机智号从地球到火星质量减小
12. 用如图所示的电路探究通过导体的电流与电阻的关系。器材有:干电池2节(每节1.5V,串联使用),开关、滑动变阻器(20Ω 2A)、电压表、电流表各一个,阻值为5Ω、10Ω、15Ω、20Ω的定值电阻各一个,导线若干,连接好电路,设定加在电阻两端的电压为1.2V进行探究,发现在获得两组数据后无法再进行实验,为了继续使用前面两组数据,利用现有器材完成探究,下列方案中可行的是( )

①用1节干电池作为电源
②将设定加在电阻两端的电压调整为2V
③将5Ω的电阻串联在开关和滑动变阻器之间
④将10Ω的电阻串联在开关和滑动变阻器之间
A. 只有①② B. 只有①④ C. 只有③④ D. 只有①③④
二、填空题(本题共12小题,每空1分,共36分)
13. 如图所示,将正在响铃的闹钟悬挂在与抽气机相连的密闭玻璃罩内,听到的声音是闹铃______产生的。用抽气机抽气,听到的铃声越来越小,由此推测,声音不能在______中传播。

14. 做“观察水的沸腾”实验时,电热水壶中装有适量的水,闭合开关加热。当水沸腾时,温度计的示数如图所示为______℃。玻璃片下表面出现小水珠,这是______(填物态变化名称)现象。停止加热,水不能继续沸腾,这说明沸腾时需要______。

15. 如图所示是小球下落过程中每隔相等时间曝光一次所得的照片,其中小球运动的参照物是________,比较小球在相等时间内通过的________,可知小球的速度越来越________.
16. 将导体AB、开关、灵敏电流计、蹄形磁体按如图方式组装起来,______开关后,让导体AB水平向右运动,会观察到电流计指针偏转,说明回路中有______产生。

17. 如图所示,将摆球从A点静止释放,经过最低点O到达B点,A、B两点等高,摆球到达B点时动能为______J;摆球从A点到O点的过程中,______能转化为动能。整个过程中,摆球的机械能大小______(选填“不变”或“减小”)。

18. 在探究影响滑动摩擦力大小的因素时,将木块放在水平木板上,用弹簧测力计沿水平方向匀速拉动木块,弹簧测力计的示数如图所示,此时木块所受滑动摩擦力大小为______N;再将毛巾平铺在木板上进行实验,可探究滑动摩擦力大小与______的关系;为了探究滑动摩擦力大小与压力的关系,你的做法是:______。

19. 2024年3月20日,我国探月工程四期“鹊桥二号”中继星成功发射,它通过______实现地球与月球背面的信息传递。如图是中继星的星载天线熔比模型,形如“金色大伞”,“伞面”由高反射率的“镀金钼丝”制成,能将信号______(选填“反射”或“折射”)会聚到信号接收器,实现信息传输。“镀金钼丝”还具有热膨胀系数低的性质,可以确保其在温度变化较大时______(选填“容易”或“不易”)发生形变。

20. 生活中常用如图所示的吸盘挂钩来挂毛巾,使用时排尽吸盘内的空气,吸附在______(选填“平整”或“不平整”)的墙面上,以防止漏气。若吸盘的横截面积为
,外界大气压为
,则排尽空气后的吸盘受到的大气压力为______N,吸盘挂钩不会掉落是因为受到墙壁对它竖直向上的______力。

21. 用如图所示的电路测量小灯泡的功率,实验原理是:______。闭合开关,调节滑动变阻器滑片P,分别使电压表的示数小于、等于和略大于小灯泡的额定电压3.8V,观察小灯泡的亮度,读出电压表、电流表的示数记录在下表中。则小灯泡L的额定功率为______W,小灯泡的亮度由______决定。

实验序号 | 电压U/V | 电流I/A | 小灯泡 |
① | 3.0 | 0.28 | 较亮 |
② | 3.8 | 0.30 | 正常发光 |
③ | 4.2 | 0.32 | 过亮 |
22. 测量正方体金属块的密度,用刻度尺测量金属块的边长,如图甲所示,用托盘天平测量质量,把天平放在水平桌面上,游码移到标尺的“0”刻度线后,发现指针偏向分度盘中央刻度线的右侧,此时应向______调节平衡螺母,直到天平平衡。将金属块放在天平的左盘,添加砝码,移动游码,天平再次平衡,如图乙所示。则金属块的质量为______g,密度为______
。

23. 用如图所示的装置探究影响电流热效应的因素。甲、乙、丙三个相同的容器内均装有质量相等的煤油,电阻丝
、
、
浸没在煤油中,其中
、
。闭合开关前,记录下煤油的初温度
,开关S接a、调节滑动变阻器滑片P,使电流表的示数为1A,记录下第100s和第200s时甲容器中煤油的末温度t;开关S接b,调节滑片P,使电流表的示数为0.5A,记录下第200s时乙、丙容器中煤油的末温度t,断开开关,结果如下表,比较序号①②可得:当通过导体的电流和导体的______相等时,导体产生的热量与通电______有关。比较序号②和______可知导体产生的热量与电流大小有关。实验中,电阻
产生的热量为______J。

序号 | 电阻 | I/A | 时间/s |
| t/℃ |
① |
| 1 | 100 | 20 | 34 |
② |
| 1 | 200 | 20 | 48 |
③ |
| 0.5 | 200 | 20 | 27 |
④ |
| 0.5 | 200 | 20 | 34 |
24. 如图是《天工开物》中记载的我国古代的提水工具“辘轳”,在两个支架上摆放一根直的硬棒,支点为
、
,A端系一石块,B端装有轮轴,轮轴能绕着硬棒转动,悬吊空桶的绳索另一端绕过轮轴后系紧在轮轴上,若空桶质量为10kg,轮轴质量为10kg,空桶和轮轴对硬棒的作用力视作施加在B位置。
长为0.6m,
长为1m,
长为0.8m,硬棒及绳索质量忽略不计。(g取
)

(1)人对辘轳不施加力。桶中未装水,为保证硬棒不会翻转,石块质量最多为______kg;若A点系上质量为40kg的石块,提水时为保证硬棒不翻转,桶中最多可装______kg的水;
(2)若桶内水的质量为40kg,人用时20s将桶匀速提升3m,此时辘轳提水的机械效率为50%,则桶对水做的功为______J,人做功的功率为______W。
三、解答题(本题共6小题,共40分。其中26、30题应写出必要的解题过程)
25. 在图中作出物体ABC通过平面镜所成的像。

26. 如图所示,小球处于静止状态,请画出小球受力的示意图。
27. 请在图的括号内标出通电螺线管左端的磁极,并在P点标出磁感线的方向。

28. 我国海阳核电厂在利用核能发电的同时给居民供暖。其工作流程如图所示,核燃料反应堆内有低浓度的铀-235,发生核反应后产生大量的热,一回路和二回路是两个互不相通的水循环回路,一回路的水流过核燃料反应堆的堆芯,带走核反应堆产生的热量,在蒸汽发生器中将热量传递给二回路的水,然后流回堆芯,二回路的水在蒸汽发生器中受热,产生大量高温水蒸气,水蒸气做功推动汽轮机发电,做功后的水蒸气冷凝后返回蒸汽发生器。核能供暖是将发电之后的低品位余热取出来通过管道送给居民。单个机组,如果仅供电,每秒提供的电能为
;若在供电的同时进行供热,每秒提供的电能为
、热量为
,对单个机组核燃料反应堆产生的能量使用效率提高了3.2%。(标准煤的热值取
)

(1)核燃料反应堆中的铀-235是______(选填“可再生”或“不可再生”)能源。二回路中的水在蒸汽发生器中发生______(填物态变化名称)吸收热量;
(2)在下列方框中补充完整核能发电的能量转化过程______________;
![]()
(3)若给居民供热
,相当于完全燃烧多少千克标准煤产生
热量?______
(4)单个机组核燃料反应堆每秒产生的能量为______J。
29. 探究光的反射规律,器材有:激光笔、平面镜、标有刻度的白色硬纸板(可沿中缝折叠)、白板;

(1)如图甲所示,将一束光照射到平面镜上,它的反射光在光屏上形成一个光斑,保持光在平面镜上的入射点不变,减小入射光与平面镜的夹角,则光屏上的光斑向______(选填“上”或“下”)移动;
(2)利用图乙所示的装置进行探究;
①平面镜水平放置,标有刻度的白色硬纸板竖直地立在平面镜上,使一束光紧贴纸板A,射向镜面上的O点,将纸板B绕接缝ON向前或向后翻折,当纸板B和纸板A在______时,纸板B上能呈现反射光束;
②改变入射光的方向,读出入射角和反射角的大小,将测得的数据记录在表格中,由此可知:反射角与入射角大小______;
实验序号 | 入射角 | 反射角 |
① | 30° | 30° |
② | 45° | 45° |
③ | 60° | 60° |
③用另一束光逆着反射光的方向射到镜面,观察到反射后的光会逆着原来入射光的方向射出,这表明:______;
(3)利用如图丙所示的装置进行探究。让一束光斜射到平面镜上,在入射点O放置白板并调整位置,发现白板只在某一位置能同时呈现入射光和反射光,测得此时白板与镜面成
角,说明白板与镜面的位置关系是:______,实验表明:______;
(4)自行车尾灯是由许多角反射器组成的反光装置,角反射器是由互相垂直的反光面组成的。当汽车的灯光照在尾灯上时,司机看到尾灯特别亮,原因是:______。
30. 小红测量长度为1m的镍铬丝、铜丝的电阻,器材有:电源、开关、滑动变阻器、电流表、电压表、电阻箱(0~9999.9Ω),长度为40cm的导线若干。

(1)①用如图甲所示的电路测量镍铬丝的电阻,请用笔画线代替导线,将电路连接完整_________;
②闭合开关前,将滑动变阻器的滑片P置于______(选填“A”或“B”)端;
③正确连接电路后,闭合开关,移动滑片P,读出电压表的示数U和电流表的示数I,记录在表格中。当电压表示数为2V时,电流表示数如图乙所示为______A,则镍铬丝的电阻为______Ω,分析数据可得:当导体的电阻一定时,______。
实验序号 | U/V | I/A |
① | 1 | 0.2 |
② | 1.5 | 0.3 |
③ | 2 | |
④ | 2.5 | 0.5 |

(2)小红用连接完整的图甲电路测量铜丝电阻时,发现电压表示数始终很小,于是按照图丙的电路图重新连接电路,R为铜丝,
为电阻箱,电源电压不变,闭合开关,调节电阻箱接入电路的阻值,当阻值为0.9Ω时,电压表示数为1V;当阻值为0.2Ω时,电压表示数为2V。则铜丝电阻为______Ω,电源电压为______V。
31. 制作简易的密度计,器材有:长度为20cm的吸管一根,铁屑、石蜡、小瓶、记号笔、刻度尺、天平。(g取10N/kg)

(1)如图甲所示,用刻度尺和记号笔在吸管上标出长度刻度,用石蜡将标0cm的一端封闭,添加铁屑至管内,使其总质量为10g,能竖直漂浮在液体中;
①当将它放入密度为
的水中时,浸入的深度为H。若放入密度为
的酒精中,密度计所受的浮力大小为______N,浸入的深度为______H;
②将它放入密度为
的不同液体中,浸入的深度h与液体密度
之间的关系应符合图乙中______(选填“a”“b”或“c”);
③为使该简易密度计测量水和酒精的密度时,两条刻度线间的距离大一些,利用现有器材,合理的做法是:______。
(2)如图丙所示,在吸管下方安装一个小瓶,将铁屑装入瓶中,制成另一支简易密度计,使其总质量为30g,放入液体后能竖直漂浮,小瓶完全浸没。放入水中,在密度计上标记出水面位置M,密度计排开水的体积为______
。从水中取出擦干后,放入待测盐水中,M比液面高2cm。取出密度计擦干,倒出部分铁屑,使其总质量为27g,再放入水中,液面距离M为3cm。则吸管的横截面积为______
,盐水的密度为______
(保留2位小数)。
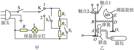
32. 某款家用储水式电热水器额定电压为220V,额定功率为3000W,额定容量为60L,图甲是其电路原理图。插上插头,电热水器储满水后,闭合开关S,温控器开关K接触点1,对水进行加热,当加热温度达到设定温度时,K跳转接触点2,保温指示灯L亮起,停止加热;当水温下降,低于设定温度时,K再次接触点1进行加热。
、
、
为加热电阻,其中
。该电热水器的加热模式有四个挡位,选择“一挡”,
、
均断开。选择“二挡”,
闭合、
断开;选择“三挡”,
断开、
闭合,“三挡”加热时的功率是“二挡”加热时功率的1.5倍,选择“四挡”,
、
均闭合,此时电热水器在额定功率下工作。温控器开关K的结构如图乙所示,绕O点转动的杠杆OAB和绕
点转动的杠杆
通过弹簧相连。温包内充满热胀冷缩的感温液体,置于水中,温度与水温一致,水温升高,感温液体膨胀使膜盒顶端在A位置推杠杆OAB,当水温达到设定温度,动触点C与触点2相接,电热水器停止加热。调温旋钮为凹轮结构,绕固定轴M转动,顺时针转动调温旋钮,ME距离减小。[
,
]
(1)该电热水器储满60L水后,若选择“四挡”加热,加热效率为84%,将水从30℃加热到45℃需要的时间为多少?
(2)电阻
的阻值为______Ω,该电热水器在“一挡”工作时的电流为______A(保留1位小数)。
(3)为提高所设定的加热温度,应如何旋转调温旋钮?请写出做法并说明理由。

参考答案
一、选择题(本题共12小题,每小题2分,共24分。每小题给出的四个选项中只有一个正确)
【1题答案】
【答案】A
【2题答案】
【答案】C
【3题答案】
【答案】B
【4题答案】
【答案】C
【5题答案】
【答案】D
【6题答案】
【答案】D
【7题答案】
【答案】A
【8题答案】
【答案】C
【9题答案】
【答案】D
【10题答案】
【答案】D
【11题答案】
【答案】B
【12题答案】
【答案】B
二、填空题(本题共12小题,每空1分,共36分)
【13题答案】
【答案】 ①. 振动 ②. 真空
【14题答案】
【答案】 ①. 98 ②. 液化 ③. 吸热
【15题答案】
【答案】 ①. 地面 ②. 路程 ③. 大
【16题答案】
【答案】 ①. 闭合 ②. 感应电流
【17题答案】
【答案】 ①. 0 ②. 重力势 ③. 不变
【18题答案】
【答案】 ①. 0.3 ②. 接触面的粗糙程度 ③. 见解析
【19题答案】
【答案】 ①. 电磁波 ②. 反射 ③. 不易
【20题答案】
【答案】 ①. 平整 ②. 200 ③. 摩擦力
【21题答案】
【答案】 ①.
②. 1.14 ③. 实际功率
【22题答案】
【答案】 ①. 左 ②. 21.6 ③. 2.7
【23题答案】
【答案】 ①. 电阻 ②. 时间 ③. ③ ④. 250
【24题答案】
【答案】 ①. 60 ②. 60 ③. 1200 ④. 120
三、解答题(本题共6小题,共40分。其中26、30题应写出必要的解题过程)
【25题答案】
【答案】
【26题答案】
【答案】
【27题答案】
【答案】
【28题答案】
【答案】 ①. 不可再生 ②. 汽化 ③. 机械能 ④. 1.8×108 ⑤. 5×109
【29题答案】
【答案】 ①. 下 ②. 同一平面 ③. 相等 ④. 反射光路是可逆的 ⑤. 垂直 ⑥. 光的反射定律中,入射光线、反射光线、法线三线在同一个平面内 ⑦. 见解析
【30题答案】
【答案】 ①.
②. B ③. 0.4 ④. 5 ⑤. 见解析 ⑥. 0.5 ⑦. 2.8
【31题答案】
【答案】 ①. 0.1 ②. 1.25 ③. a ④. 在管内适当增加铁屑使密度计重力增大 ⑤. 30 ⑥. 1 ⑦. 1.07
【32题答案】
【答案】(1)1500s;(2)96.8Ω,1.2A;(3)见详解
