2024年山东青岛中考物理真题及答案
第Ⅰ卷(共35分)
一、单项选择题(满分20分,共10题,每题2分,每题给出的四个选项中,只有一个选项符合题目要求)
1. 世界上第一个发现电与磁之间联系的科学家是( )
A. 安培 B. 奥斯特 C. 焦耳 D. 法拉第
2. 小明帮妈妈做饭时,对几个物理量进行了估测,他的估测中合理的是( )
A. 10个鸡蛋的质量约是500g B. 煮熟锅米饭约需10s
C. 铁锅的直径约是28mm D. 刚蒸熟的馒头温度约是37℃
3. 下列材料中,适合做试电笔笔尖的是( )
A. 塑料 B. 陶瓷 C. 玻璃 D. 金属
4. 编钟、石磬和骨笛均是我国出土的古代乐器,演奏时它们发出的声音音色不同,这主要是因为( )

A. 发声体振动频率不同 B. 发声体振动幅度不同 C. 发声体材料不同 D. 声音传播速度不同
5. 崂山被誉为“海上名山第一”,山上物态四季不同。下列物态变化需要吸热的是( )
A. 春天“十八潭”中冰雪消融 B. 夏天“巨峰”上雾起山峦
C. 秋天“华盖古松”上凝气结霜 D. 冬天“崂顶”上滴水成冰
6. 小明观看亚运会比赛时,看到以下场景,其中属于减小摩擦的是( )
A. 滑板运动员的滑板装有轮子 B. 自行车运动员刹车时用力捏闸
C. 体操运动员在手上涂防滑粉 D. 长跑运动员鞋底有粗糙的花纹
7. 如图所示电路,开关S闭合,灯泡L1和L2均发光。若它们的阻值不同,忽略温度对电阻的影响,下列说法不正确的是( )

A. 通过A、B两点的电流不相等 B. L1和L2两端的电压相等
C. L1和L2的实际功率不相等 D. 若L1断路,则L2不会发光
8. 下列实例中,能利用流体压强与流速的关系解释的是( )

A. 拦河坝上窄下宽更加稳固 B. 用活塞式抽水机抽水
C. 飞机机翼上凸下平获得升力 D. 船只利用船闸在上下游之间往返
9. 如图所示,小明用手提起哑铃,这一动作从生物学的视角,可以认为桡骨在肱二头肌的牵引下绕着时关节转动;从物理学的视角,可以认为是一个杠杆在工作.下列说法正确的是( )

A. 此杠杆的支点为A点 B. 此杠杆的阻力是哑铃受到的重力
C. 此杠杆是一个费力杠杆 D. 肱二头肌的收缩距离大于哑铃的移动距离
10. 黄海海平面是中国高程系统唯一基准面,在青岛的黄海海滨矗立着一座“中华人民共和国水准零点”雕塑,标志着“高度从这里开始”,这座雕塑高6m,质量约为10t,它的四个支脚处在同一水平面上,每个支脚与地面的接触面积约为250cm2,它对地面的压强大约是( )

A.
B.
C.
D. ![]()
二、多项选择题(满分15分,共5题.每题给出的四个选项中,有2~3个选项符合题目要求,全选对得3分,漏选得1分,错选或不选得0分)
11. 如图是小明家附近山景公园的等高线图.周末小明爬山锻炼身体,他的质量60kg,在他匀速下山过程中,下列判断不正确的是( )

A. 小明的机械能守恒 B. 小明的动能逐渐增大
C. 小明的重力势能逐渐减小 D. 小明从B点到A点重力做功![]()
12. 在探究平面镜成像特点的实验中,下列说法与事实相符的是( )

A. 如图甲,当蜡烛远离玻璃板时,像的大小不变
B. 如图乙,在玻璃板后竖直放置一纸板,人在任何位置都看不到像
C. 如图丙,若玻璃板的高度为蜡烛高度的一半,像的高度也为蜡烛高度的一半
D. 如图丁,若玻璃板与水平桌面不垂直,像仍与蜡烛关于玻璃板对称
13. 小明在海边玩耍,感觉沙滩上的沙子很热,海水却比较凉爽。某天,他从6时到22时对沙子和海水的温度进行了测量,绘成的温度随时间变化图象如图所示.下列分析正确的是( )

A. 早晨6时,海水的温度比沙子高 B. 6时到14时,沙子吸收的热量比海水多
C. 14时到22时,海水降低的温度比沙子小 D. 利用此图象可以比较海水和沙子的比热容
14. 如图所示,小明用相同的滑轮安装成甲、乙两种装置,分别匀速提升两个质量相同的物体,绳端在相同时间内移动的距离相等.在提升过程中,若绳端拉力
,下列说法正确的是( )

A. 物体
速度之比
B. 有用功之比![]()
C. 总功之比
D. 机械效率之比![]()
15. 如图所示电路,电源电压保持不变.闭合开关
和
,电压表示数为6V,电流表示数为0.3A,将电压表和电流表互换位置,闭合
,断开
,电流表示数为0.2A,下列判断正确的是( )

A. 电源电压为6V B. 电阻![]()
阻值为![]()
C. 电阻
的阻值为
D. 电路消耗的总功率减小了![]()
第Ⅱ卷(共65分)
三、实验探究题(满分30分,共5题)
16. 小明用焦距为10cm的凸透镜探究凸透镜成像规律.
(1)将蜡烛、凸透镜和光屏依次放置在光具座上,调节烛焰的中心、凸透镜的光心和光屏的中心,使它们在____________。

(2)如图甲所示,将蜡烛固定在光具座上10cm刻度处,凸透镜固定在50cm刻度处,光屏应在____________刻度范围内移动,直到在光屏上看到____________、倒立清晰的像,根据这一成像特点可制成____________。
(3)S是烛焰上一点,请在图乙中画出它发出的两条光线经凸透镜折射后的光路_____。
(4)保持蜡烛和光屏位置不变,要使光屏上的像变大,应将凸透镜向____________移动。
17. 小明用图甲所示的实验装置,研究物体从斜面上滑下过程中速度的变化。

(1)实验中使斜面保持较小的坡度,是为了便于测量____________。
(2)
段距离为
,B为
中点,测得小车从A点运动到B点的时间为
,从A点运动到C点的时间为
,根据以上数据可以判断
____________
。(选填“>”、“<”、“=”)
(3)为使测量更准确、数据更直观,用位置传感器进行实验,得到的
图像与图乙中____________相似。
(4)撤掉金属片,让小车从A点自由滑下,发现小车在水平木板上滑行一段距离停止,说明力可以改变物体的____________,在木板上铺上薄玻璃板,让小车仍从A点自由滑下,发现小车在玻璃面上滑行距离更____________,由此推理:若小车运动时不受阻力,它将做____________运动。
18. 小明在海边游泳时,发现塑料泡沫板浮在水面上,石块却沉入水底,由此,他进行了有关浮力的实验探究。

(1)如图甲所示,用弹簧测力计测出石块的重力为____________N;
(2)将石块缓慢浸入水中,弹簧测力计示数____________,石块浸没后,在触底之前,弹簧测力计示数____________,说明浮力的大小与____________有关;
(3)将____________相同的实心铜块和铝块分别浸没于水中,若发现它们所受的浮力大小____________,说明浮力的大小与物体密度无关;
(4)将一个两端蒙有橡皮膜的玻璃管,分别以图乙和图丙的方式浸没于水中,能反映浮力产生原因的是图____________。
19. 小明用图甲所示的实验装置探究电流和电阻的关系.电源电压为
,三个定值电阻阻值分别为
和
,两个滑动变阻器规格分别为“
”和“
”。

(1)图甲电路连接不完整,请用笔画线代替导线将电路连接完整___________。
(2)闭合开关前,滑动变阻器的滑片应移到____________(选填“左”或“右”)端。
(3)正确连接电路后,小明依次使用三个定值电阻进行实验.每次更换定值电阻后,移动滑动变阻器的滑片,使电压表示数与前二次实验相同,记录相应电流表示数,绘制出
图像如图乙所示,实验中电压表的示数为____________V。
(4)小明找来一个未知阻值的电阻,重复上述实验,电流表表盘如图丙所示,其示数为____________A,该电阻的阻值为____________
。
(5)根据以上实验数据,实验中小明选择的滑动变阻器规格应为____________。
20. 小明用如图所示的装置,探究导体在磁场中运动时产生感应电流的条件。

(1)比较____________两图可知,产生感应电流时电路应闭合;
(2)比较____________两图可知,产生感应电流时导体要在磁场中做切割磁感线运动;
(3)比较乙、丁两图可知,感应电流的方向与____________方向有关。
四、作图与解析题(满分20分,共3题)
21. 自然界的一切物体都是由物质组成的,物质有多种属性,了解物质的属性对人类生产生活和科技进步具有重要意义.下面请和小明一起走进物质的世界。
(1)冬天,用手触摸久置于室外的铁棒和木棒,感觉铁棒比木棒凉,是因为铁棒比木棒具有更好的____________性,将铁棒插入通电螺线管中,发现螺线管的磁性明显增强,是因为铁棒被____________。
(2)重阳节时,妈妈给奶奶买了一个金吊坠.小明想知道吊坠是空心还是实心的,于是设计了两套方案进行鉴定。
方案一 | 方案二 | |
步骤 | 分别测量出吊坠的质量m和体积V; ②根据公式 ③查出纯金的密度 | ①分别测量出吊坠的质量m和体积V; ②查出纯金的密度 ③根据公式 |
结论 | 若 | 若V____________ |
22. 自然界的运动形式多种多样,运动和相互作用存在紧密的联系.下面请和小明一起走进运动和力的世界。
(1)常见的运动形式有:①机械运动②分子热运动③振动……小明打开香皂的包装就闻到香味,这种运动形式属于____________(填写序号)。
(2)将正在响铃的闹钟放入玻璃罩内,逐渐抽出罩内的空气,听到声音逐渐减小,这说明____________。
(3)2024年4月23日,是人民海军诞生75周年纪念日.在参加青岛市海军成立纪念日舰艇开放活动时,小明了解到,在水下时潜艇
“耳朵”是声呐设备,“眼睛”是潜望镜,声呐系统是利用声传递____________来工作的,潜望镜是利用光的____________来工作的。
(4)小明在学习运动和力的知识时,整理了如下笔记:

①如图甲,木块在水平桌面上静止,水平方向不受力,合力为零;
②如图乙,木块在水平桌面上静止,
和Ff是一对____________力,合力为零;
③如图丙,木块水平向右做匀速直线运动,则
____________Ff,合力为零;
总结:当物体处于____________状态时,所受合力为零。
④如图丁,小球上系一细线,细线右端固定,小球静止在水中时细线恰好水平,请作出小球所受力的示意图____。
23. 自然界的一切活动都需要能量,能量是由不同能源提供的,各种能源的广泛使用,极大地促进了人类文明的进步,下面请和小明一起走进能量的世界。

(1)“钻木取火”在人类利用能量的历史上非常重要,钻木取火通过____________方式来改变内能;
(2)蒸汽机的发明是人类利用能量的新里程碑,蒸汽机工作时将内能转化为机械能,这与四冲程汽油机的____________冲程能量转化相同;
(3)电能的利用是人类进入现代文明社会的标志。
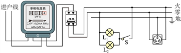
①如图所示是小明家的部分电路,开关S控制灯泡L1和L2,请用笔画线代替导线,将图中的两盏灯泡、开关和插座接入电路中________;
②小明家有一个铭牌模糊的电饭煲.他将电饭煲接在三孔插座上,关闭其它用电器,电饭煲正常工作3min,电能表的转盘转了30转,该电饭煲的额定功率为____________kW;
(4)核反应堆的发明拉开了以核能为代表的新能源利用的序幕,核能属于____________(选填“可”或“不可”)再生能源;
(5)能源危机已成为国际性问题,为了人类的未来,我们必须节约能源。节约能源的主要方式之一是开发新能源,下列不是利用新能源获得电能的是( )。
A
A.拦坝式潮汐能发电B.地热蒸汽发电C.硅太阳能电池D.煤炭火力发电
五、计算与阅读题(满分15分,共3题)
24. 小明设计了一种水下遥感探测器。探测器的主体是一个边长为2dm的正方体金属盒,上下各有一个带传感器的阀门,总重力为30N,某次水底采样时,向探测器内注水,探测器沉入水底。采样完成后,遥控传感器将两个阀门同时打开,从上阀门注入高压气体,水从下阀门流出,当探测器内水的深度为10cm时,关闭两阀门,探测器连同样品恰能匀速上浮,如图所示,已知样品体积为
,不计金属盒厚度及阀门和传感器的体积,忽略气体质量和水的阻力,求:

(1)探测器内水对金属盒底部产生
压强;
(2)样品的密度。
25. 小明家里有两只加热方式不同的水壶,甲是用天然气加热的水壶,乙是电热水壶.已知燃气灶用最大火力烧水时每小时燃烧0.16m3天然气,加热水的热效率为60%;天然气的热值为
,价格约为3元/m3,电热水壶工作时的功率为2000W,加热水的热效率为80%,当地居民用电的价格约为0.5元
,小明要将2升
的水在1标准大气压下烧开,
。
(1)求水吸收的热量;
(2)请你从省时和省钱两个角度中任选一个,通过计算说明用哪只壶更省时或更省钱。
26. 阅读材料,回答问题
一“桥”架地月 天堑变通途
“海上生明月,天涯共此时”,月亮的同一面始终对我们“微笑”,这是因为月球公转和自转周期相同.如图甲所示,地月连线
与月球表面的交点为A、B,当月球公转的角度为
时,A点绕
转过的角度也为
,我们始终看不到月球上____________点(选填“A”或“B”)。

在探月工程中,当探测器在月球背面工作时,我们无法通过电磁波直接给它发指令.如何解决这个问题?如果给月球发射一个绕月圆形轨道卫星C作为信号传输中转站,如图乙所示,那么卫星C作为信号中转站的不足之处有____________(多选).
A.卫星C离地球太远,信号无法到达
B.当卫星C转到地月之间时,无法把信号传给探测器,造成信号中断
C.当卫星C转到月球背面时,地面站无法把信号传给卫星C,造成信号中断
为避免这些问题,我国于2018年5月21日发射了“鹊桥”一号中继通讯卫星,其轨道在月球背面,如图丙所示.在“鹊桥”号的帮助下,同年12月8日发射的“嫦娥”四号探测器实现了世界首次月球背面软着陆和巡航探测,“鹊桥”一号距地球约
,距月球约
,电磁波传播速度约为
,“嫦娥”四号通过“鹊桥”一号与地面站来回传递一次信息大约需要____________s.2024年3月20日发射的“鹊桥”二号中继卫星较“鹊桥”一号传输信息更高效、清晰和完整.5月3日发射的“嫦娥”六号,将与“鹊桥”二号合作实现世界首次月球背面取样返回之旅,这标志着中国探月工程开启了新的篇章。
参考答案
第Ⅰ卷(共35分)
一、单项选择题(满分20分,共10题,每题2分,每题给出的四个选项中,只有一个选项符合题目要求)
【1题答案】
【答案】B
【2题答案】
【答案】A
【3题答案】
【答案】D
【4题答案】
【答案】C
【5题答案】
【答案】A
【6题答案】
【答案】A
【7题答案】
【答案】D
【8题答案】
【答案】C
【9题答案】
【答案】C
【10题答案】
【答案】B
二、多项选择题(满分15分,共5题.每题给出的四个选项中,有2~3个选项符合题目要求,全选对得3分,漏选得1分,错选或不选得0分)
【11题答案】
【答案】ABD
【12题答案】
【答案】AD
【13题答案】
【答案】ACD
【14题答案】
【答案】BCD
【15题答案】
【答案】AC
第Ⅱ卷(共65分)
三、实验探究题(满分30分,共5题)
【16题答案】
【答案】(1)同一高度
(2) ①. 60cm~70cm ②. 放大 ③. 照相机
(3)
(4)左
【17题答案】
【答案】(1)小车运动的时间
(2)< (3)C
(4) ①. 运动状态 ②. 远 ③. 匀速直线
【18题答案】
【答案】(1)1.4 (2) ①. 变小 ②. 不变 ③. 物体排开液体的体积
(3) ①. 体积 ②. 相等
(4)丙
【19题答案】
【答案】(1)
(2)右
(3)2.4 (4) ①. 0.12 ②. 20
(5)![]()
【20题答案】
【答案】(1)甲、乙 (2)乙、丙
(3)磁场
四、作图与解析题(满分20分,共3题)
【21题答案】
【答案】(1) ①. 导热 ②. 磁化
(2) ①. = ②. >
【22题答案】
【答案】(1)② (2)声音的传播需要介质
(3) ①. 信息 ②. 反射
(4) ①. 平衡 ②. = ③. 静止或匀速直线运动 ④. 
【23题答案】
【答案】(1)做功 (2)做功
(3) ①.
②. 1
(4)不可 (5)D
五、计算与阅读题(满分15分,共3题)
【24题答案】
【答案】(1)
(2)![]()
【25题答案】
【答案】(1)
(2)见解析
【26题答案】
【答案】 ①. B ②. BC ③. 3.52
