2024年6月浙江选考通用技术试题及答案
第二部分 通用技术(共50分)
一、选择题(本大题共12小题,每小题2分,共24分。每小题列出的四个备选项中只有一个是符合题目要求的,不选、多选、错选均不得分)
1. 2023年,我国建成首条电气化公路示范线(如图所示),下列关于该电气化公路的分析中不恰当的是( )

A. 电动重型卡车采用的双源智能供电技术填补了行业空白,体现了技术的专利性
B. 在项目推进中,开发了先进的智能受电弓技术,体现了技术的实践性
C. 独特的移动充电技术解决了电动重型卡车的续航难题,体现了技术的创新性
D. 该电气化公路示范线减少了碳排放,体现了技术发展的同时注重保护环境
【答案】A
【解析】
【详解】A. 电动重型卡车采用的双源智能供电技术填补了行业空白,属于技术革新,体现了技术的创新性,故A错误;
B. 在项目推进中,开发了先进的智能受电弓技术,体现了技术产生于实践之中,体现了技术的实践性,故B正确;
C. 独特的移动充电技术解决了电动重型卡车的续航难题,属于技术革新,体现了技术的创新性,故C正确;
D. 该电气化公路示范线减少了碳排放,体现了技术发展的同时注重保护环境,故D正确;
故选B。
2. 如图所示座椅的尺寸中,与人的静态尺寸和动态尺寸没有直接关系的是( )

A. H1 B. H2 C. L D. W
【答案】C
【解析】
【详解】A.H1考虑了人小腿长,与人的静态尺寸有关;
B.H2考虑了人背的高度,与人的静态尺寸有关;
C.L影响支撑面的大小,考虑的是结构的稳定性,与人的尺寸无关;
D.W考虑了人的宽度以及人的活动空间,与人的静态尺寸和动态尺寸有关;
故选C。
3. 如图所示是一款可折叠多功能脚手架,下列对该脚手架的分析与评价中不恰当的是( )

A. 既可作为脚手架又可作为梯子,符合设计的实用原则
B. 合页采用了独特的自动锁止结构,符合设计的创新原则
C. 四只脚均可单独伸缩,主要是从“环境”的角度考虑的
D. 设计成可折叠式,主要是从“物”的角度考虑的
【答案】D
【解析】
【详解】A. 功能多,体现了设计的实用原则,故A正确;
B. 合页采用了独特的自动锁止结构,属于技术革新,符合设计的创新原则,故B正确;
C. 四只脚均可单独伸缩,是为了能适应地面上各种障碍物,主要是从“环境”的角度考虑的,故C正确;
D. 设计成可折叠式,主要考虑存放时可以少占用空间,主要是从“环境”的角度考虑的,故D错误;
故选D。
4. 下列金工操作中不符合操作要领的是( )
A.
划线 B.
锯割 C.
锉削 D.
攻丝
【答案】C
【解析】
【详解】A.在进行金工划线时,使用钢直尺作为导向工具,划线时针尖要紧贴导向工具的边缘,故选项A正确;
B.在对金属工件进行正常锯割时,锯割线位于台虎钳左侧,右手满握锯柄,左手轻扶锯弓前端,故选项B正确;
C.在进行金工锉削时,将两只手同时握在锉刀的手柄处,这样不利于锉削操作,应该右手握住锉柄,左手扶住锉刀的前端,故选项C错误;
D.在进行正常攻丝时,工件夹持在台虎钳中央上方,两手握住绞杠两端,故选项D正确。
故选C。
5. 如图所示是某形体的主视图和俯视图,相对应的左视图是( )

A.
B.
C.
D. 
【答案】B
【解析】
【详解】采用线面法,找到俯视图中下面这条斜线,它对应主视图的七边形(阴影部分),则俯视图该斜线在左视图中也对应形状相似的七边形。故选B。

6. 如图所示是小明在通用技术实践课上制作的自行车驱动系统的结构模型,F1为施加在踏板轴上的驱动力,F2为链条施加在链轮上的阻力。在图示状态,下列对各个构件主要受力形式分析中正确的是( )

A. 踏板轴受弯曲,曲柄受弯曲和受扭转,主轴受弯曲和受扭转
B. 踏板轴受压和受弯曲,曲柄受弯曲,主轴受弯曲
C. 踏板轴受压和受弯曲,曲柄受弯曲和受扭转,主轴受扭转
D. 踏板轴受弯曲,曲柄受扭转,主轴受弯曲和受扭转
【答案】A
【解析】
【详解】踏板轴右端固定,左端受到竖直向下的力F1,则踏板轴受弯曲;曲柄除了有受弯曲,还有受扭转,因为F1垂直作用于踏板轴,会对曲柄一端产生力矩,使曲柄受扭转;主轴中部被支撑杆承托,曲柄会对主轴产生向下的分力以及扭转力,所以主轴受弯曲和受扭转,故A正确。故选A。
7. 小明准备在通用技术实践课上用长方形厚钢板制作如图所示的六角扳手,下列是小明设计加工流程时进行的分析,其中不合理的是( )

A. 划线时,先划对称线和中心线,再划六角槽口和腰形孔的轮廓线,最后划外轮廓线
B. 整个扳手的加工,应先加工六角槽口和腰形孔,后加工外轮廓
C. 加工六角槽口时,可先钻孔,再锯割,最后锉削
D. 加工腰形孔时,可先在两端钻孔,再用钢丝锯锯掉中间部分,最后锉削
【答案】D
【解析】
【详解】本题考查的是金工加工流程。A选项中划线的顺序一般为先划基准线,再划尺寸加工线,最后划轮廓线,此处将对称线或中心线作为基准线。B选项对于外形夹持不方便或者较小的工件,一般先进行孔的加工,再进行轮廓加工;C选项加工六角槽口时,因整体形状呈半开放型,所以先将六角槽口内部钻孔,再用手锯锯割,槽口两侧,最后锉削完成。D选项中,钢丝锯属于木工锯割工具,不能用来锯割钢板,并且腰形孔的加工是先钻排孔,再锉削,无需锯割,故D错误。
故选D。
8. 如图所示是零件分选系统,零件排列在输送带上匀速通过检测装置,控制器根据检测到的零件信息控制剔除装置将不合格的零件推至废料筐中,合格的零件继续向前输送。下列关于该分选系统的设计与分析中不恰当的是( )

A. 该系统可分为检测、剔除和输送子系统,各个子系统协同工作实现分选功能
B. 输送带松弛会影响整个系统的运行,输送子系统应设置张紧装置
C. 系统设计时应首先进行总体设计,然后设计各个子系统,制作安装后再整机调试
D. 为了可靠剔除随着输送带运动的不合格零件,剔除子系统中推杆的速度越快越好
【答案】D
【解析】
【详解】A.该系统可分为检测、剔除和输送子系统,各个子系统协同工作实现分选功能,体现了系统的整体性,故A正确;
B.输送带松弛会影响整个系统的运行,输送子系统应设置张紧装置,来防止出现输送带的松弛,故B正确;
C.根据系统分析的整体性原则,系统设计应先进行总体设计,然后设计各个子系统,制作安装后再整机调试,故C正确;
D.剔除子系统中推杆的速度不是越快越好,而是应与传送带的速度相匹配,故D错误;
故选D。
9. 下列关于控制系统的说法中正确的是( )
A. 有检测传感器的控制系统就是闭环控制系统
B. 洗衣机按人工设定的程序完成洗衣,其控制手段属于人工控制
C. 被控量是控制系统所要控制的量,也是控制系统的输出信号
D. 电机转速控制系统中,电机属于执行器
【答案】C
【解析】
【详解】A.红外线自动门,有红外线检测装置,但是是开环控制系统,故A错误;
B.洗衣机按人工设定的程序完成洗衣,其控制手段属于自动控制,故B错误;
C.被控量是控制系统所要控制的量,也是控制系统的输出信号,故C正确;
D.电机转速控制系统中,其控制目的是要控制电机的转速,故电机属于被控对象,故D错误。
故选C。
10. 下列元器件中不属于传感器的是( )
A.
B.
C.
D. 
【答案】A
【解析】
【详解】本题考查的是传感器识别。A选项是电磁继电器,是属于执行部件。B选项是光敏电阻,C选项是湿敏电阻,D选项是负温度系数的热敏电阻,均是传感器。故选A。
11. 如图所示的信号处理电路,A、B为输入信号,F为输出信号。下列波形关系中可能出现的( )

A.
B.
C.
D. 
【答案】B
【解析】
【详解】三极管VT2导通,则A=1且B=0或者A=0,B=1,此时F=0。即A、B输入信号不同时,F=0;A、B输入信号相同时,三极管VT2截止,F=1。故选B。
12. 小明设计了如图所示的温度控制实验电路。温度低于下限时VD1发光,表示开始加热;温度高于上限时VD1熄灭,表示停止加热。下列分析中正确的是( )

A. RT为负温度系数热敏电阻
B. 调大Rp1,温度上限、下限设定值均降低
C. 调大Rp2,温度上限设定值升高、下限设定值不变
D. 若VT1的集电极和发射极短路,温度上限与下限的设定区间变大
【答案】D
【解析】
【详解】A.温度低于下限时VD1发光,说明比较器输出1,则
,说明
在减小,
在减小。即温度越低,
阻值越小,故RT为正温度系数热敏电阻,故A错误;
B.调大Rp1,温度处于上下限的临界状态时的
都会增大,因为临界状态
,所以
也要增大,则RT增大,对应的温度上限、下限设定值均增大,故B错误;
C.当VD1熄灭时,即比较器输出是0,三极管VT1截止,Rp2不参与电路;当VD1发光时,即比较器输出是1,三极管VT1导通,Rp2与R2并联;温度低于下限时VD1发光,表示开始加热;温度高于上限时VD1熄灭,则Rp2只会影响温度的上限值。调大Rp2,
会减小,因为临界状态
,所以
也要增减小,则RT减小,对应的温度上限设定值会减小,而下限设定值不变,故C错误;
D.若VT1的集电极和发射极短路,则几乎不影响温度上限值,但是会影响温度下限值。当VD1不发光,比较器输出0,Rp2会与Rp1并联,使得
减小,因为临界状态
,所以
也要增减小,则RT减小,对应的温度下限设定值会减小。温度上限值几乎不变,温度下限设定值减小,所以温度上限与下限的设定区间变大,故D正确;
故选D。
二、非选择题(本大题共3小题,第13小题8分,第14小题10分,第15小题8分,共24分。各小题中的“ ”处填写合适选项的字母编号)
13. 如图所示为教学楼的走廊,小明发现晚上没人时灯也亮着,于是准备制作声光控开关,并用其控制吸顶灯。天黑时检测到一定响度的声音灯就亮。请完成以下任务:

(1)小明发现问题的途径是(单选)____(A。观察日常生活;B。收集和分析信息;C。技术研究与技术试验);
(2)为了设计制作声光控开关,小明进行了以下分析,其中不恰当的是(单选)____;
A.首先应满足功能要求,再考虑成本及制作难易程度;
B.应具有一定的抗干扰能力;
C.光线足够暗或检测到超过设定响度的声音后,灯应立即亮;
D.声音消失后,灯应延时熄灭。
(3)实际使用中发现,天黑有汽车喇叭声时,灯也可能点亮。在该控制系统中汽车喇叭声____干扰因素(A。属于;B。不属于);
(4)小明准备用人体感应模块替代声音传感器,天黑检测到人体热辐射信号时,灯就点亮。以下是小明绘制的控制系统方框图,其中正确的是(单选)____。
A. 
B. 
C. 
D. 
【答案】 ①. A ②. C ③. B ④. B
【解析】
【详解】(1)小明行走在走廊上发现晚上没人时灯也亮着,其发现问题的途径是观察日常生活,故选A。
(2)A.设计产品时首先应满足功能要求,再考虑成本及制作难易程度,故A正确;
B.光控灯应具有一定的抗干扰能力,才能正常稳定的工作,故B正确;
C.光线足够暗但如果没有人,灯不应该点亮,故C错误;
D.声音消失后,灯应延时熄灭,这样才可以正常使用,故D正确;
故选C。
(3)声控灯控制中,输入量是检测到的声音信号,汽车喇叭声也是环境中的声音信号,是输入量,不是干扰因素,故选B。
(4)用人体感应模块替代声音传感器后,输入量除了有光信号,还有人体热辐射信号,并且这个控制无反馈,是开环控制。故选B。
14. 如图所示是小明家阳台外安装的晒衣架,下雨时衣服会被淋湿,于是小明想设计一个可收缩的雨棚,安装在栏杆上。雨棚平时收缩在阳台栏杆外侧,不影响晾晒和收衣服,下雨时自动展开,遮盖在晒衣架上方,防止雨水直接淋在衣服上。已知晒衣架的长度为2000mm,宽度为300~800mm,晒衣架顶部至栏杆扶手之间的高度为200mm。请你设计该雨棚的机械装置,设计要求如下:

(a)装置能带动雨棚的防水介质展开和收缩,展开时有效遮盖晒衣架上的衣服(不考虑侧面防雨),收缩时紧贴栏杆;
(b)装置安装在阳台栏杆外侧,高度不超出栏杆扶手;
(c)装置采用一个电机驱动;
(d)雨棚展开时上方不得积水,有一定的防风能力。
请完成以下任务:
(1)小明进行了以下设计分析,其中不恰当的是(单选) ;
A.雨棚的防水介质可固定在轴(或杆)上,通过轴(或杆)的运动实现雨棚展开和收缩;
B.雨棚展开后有一定坡度,防止顶部积水;
C.装置应有保持功能,防止风带动雨棚收缩;
D.雨棚展开后尺寸为2000mm×800mm,收缩后的尺寸为2000mm×300mm。
(2)雨棚的防水介质材料直接影响装置中与介质相固定构件的运动形式。现有三种可用的备选材料,你采用的是(单选) (A.柔性防水布;B.可卷曲的软塑料板;C.类似于百叶窗帘的可堆叠硬塑料板);
根据你选用的防水介质材料,在头脑中构思符合设计要求的多个方案,画出其中最优方案的设计草图(装置安装涉及的阳台栏杆用线条表示,电机可用方框表示),简要说明方案的工作过程;
(3)在草图上标注主要尺寸。
【答案】(1)D;(2)A,见解析;(3)见解析
【解析】
【详解】(1)D本题考查设计分析。雨棚的防水介质可固定在轴(或杆)上,通过轴(或杆)的运动实现雨棚展开和收缩,雨棚展开后有一定坡度,防止顶部积水,主要考虑了物(产品)的结构;装置应有保持功能,防止风带动雨棚收缩,主要考虑了环境;而根据设计要求雨棚收缩时紧贴栏杆,2000mm×300mm为晒衣架收缩后的尺寸,并没有紧贴栏杆。所以设计分析不合理的是D。
(2)A.如果你选了材料A。材料柔性防水布优点在于柔软,收纳空间小,成本较低等。结构设计可以使用蜗杆蜗轮或螺杆螺母实现转动变移动,考虑收纳需要安装轴,可以使用自回收式收纳盒。如图所示:

B.如果你选了材料B。材料可卷曲的软塑料板可卷曲,但卷曲度有限,所以收纳空间较大,可考虑在两侧安装,优点是有一定的刚性。如图所示:

C.如果你选了材料C,类似百叶窗式结构,如图所示,收放卷扬机配合中心放索和底索,末端支架上安装定滑轮,可以实现收放和自锁;偏转电机带动蜗轮转动,实现塑料板像瓦片一样挡雨,有一定坡度能让雨水顺势落下。

(3)本小题考查尺寸标注。对设计所需要的尺寸进行标注,如考虑晒衣架展开后,外加衣服伸出30cm左右,至少1100mm。长度至少2000mm。有高度差等等。如上图所示。
15. 小明针对走廊吸顶灯的控制,先设计了如图所示的光控模型电路,天黑时发光二极管VD1发光。请完成以下任务:

(1)小明搭建了电路并通电测试,发现VD1始终不发光,可能的原因是(单选)____;
A.RG断路;B.R1阻值过小;C.R3阻值过大。
(2)小明希望天黑有人经过时VD1发光,离开时延时熄灭。于是采用人体感应模块重新设计了如下图所示的电路。当模块检测到人体热辐射信号时,持续输出高电平,反之输出低电平。若要使延时的时间变长,合理的措施有(多选)____;

A.调小RP B.增大C1的值 C.增大R5的值 D.减小R6的值
(3)为了控制走廊吸顶灯,小明对下图虚线框中缺少的电路进行设计。要求三极管采用共发射极接法,下列设计方案中合理的是(多选)____;

A.
B.
C.
D.
E.
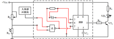
(4)小明想用555集成电路重新设计本题(2)中的电路,实现原有电路的功能。请在下图虚线框中连接给定的元器件,将电路补充完整。____
555集成电路功能表


【答案】 ①. C ②. BC ③. AD ④. 
【解析】
【详解】(1)A. RG断路,VT1始终导通,VT2也始终导通,VD1始终发光,故A错误;
B. R1阻值过小,会使得VT1饱和更彻底,不会影响正常功能,故B错误;
C. R3阻值过大,会使得VT2始终截止,VD1始终不发光,故C正确。
故选C。
(2)C1经过R5放电,因此要使延时的时间变长,可以增大C1或者增大R5,调小RP只会改变亮度阈值,减小R6的值只会改变VD1的亮度,故选BC。
(3)继电器必须接三极管的集电极,故排除B。二极管必须反向并联于继电器线圈两端,故排除C。当①是高电平时,继电器应该处于吸合状态,故排除E。故选AD。
(4)天黑有人时,与非门输出0,给2脚触发(如下图1所示),此时灯亮。当无人时,与非门输出1,因为电容的延时作用,6脚的电位从0开始逐渐增大,则 555一开始处于保持状态,VD1保持发光,但当6脚的电位大于
时,3脚出低电平,VD1熄灭。故实现原有电路的功能。
