2024年1月浙江普通高校招生选考技术试题及答案
本试题卷分两部分,第一部分信息技术,第二部分通用技术。全卷共12页,第一部分1至6页,第二部分7至12页。满分100分,考试时间90分钟。
考生注意:
1.答题前,请务必将自己的姓名、准考证号用黑色宇迹的签字笔或钢笔分别填写在试题卷和答题纸规定的位置上。
2.答题时,请按照答题纸上“注意事项”的要求,在答题纸相应的位置上规范作答,在本试题卷上的作答一律无效。
3.非选择题的答案必须使用黑色字迹的签字笔或钢笔写在答题纸上相应区域内,作图时可先使用2B铅笔,确定后必须使用黑色字迹的签字笔或钢笔描黑。
第一部分 信息技术(共50分)
一、选择题(本大题共12小题,每小题2分,共24分。每小题列出的四个备选项中只有一个是符合题目要求的,不选、多选、错选均不得分)
1. 下列关于数据与信息的说法,正确的是( )
A. 数据以二进制方式编码后才能存储在计算机中 B. 大数据技术不能处理非结构化数据
C. 同一数据经解释后产生的信息都是相同的 D. 信息加工处理后不会产生更有价值的信息
2. 下列关于信息系统安全与信息社会责任的说法,正确的是( )
A. 多人共享账户,不会影响信息系统的安全 B. 定期查杀病毒可以确保信息系统免受网络攻击
C. 网络上的不当行为可能会触犯法律 D. 任何密码算法中的加密密钥与解密密钥必须相同
3. 某校图书馆管理系统中,工作人员通过计算机终端上的扫描仪扫描图书条形码,录入图书信息后完成入库。师生借阅时,通过校园一卡通识别身份,利用RFID读写器识别图书中的电子标签以获取图书信息,完成借阅后相关数据保存在服务器中。该系统所在的局域网接入因特网,图书查询功能基于B/S架构开发,师生在馆内外都可使用计算机、手机等查询图书信息。下列关于该系统组成的说法,正确的是( )
A. 条形码扫描仪是输出设备 B. 服务器的存储器容量会影响系统性能
C. 该系统中的图书管理软件是系统软件 D. 该系统中的数据仅包含图书数据
4. 某校图书馆管理系统中,工作人员通过计算机终端上的扫描仪扫描图书条形码,录入图书信息后完成入库。师生借阅时,通过校园一卡通识别身份,利用RFID读写器识别图书中的电子标签以获取图书信息,完成借阅后相关数据保存在服务器中。该系统所在的局域网接入因特网,图书查询功能基于B/S架构开发,师生在馆内外都可使用计算机、手机等查询图书信息。下列关于该系统功能与应用的说法,不正确的是( )
A. 可通过浏览器查询图书馆中的图书信息 B. 可利用借阅数据分析学生的阅读兴趣
C. 师生所借图书的信息需要保存在校园一卡通中 D. 通过 RFID 读写器获取电子标签中的信息属于数据输入功能
5. 某校图书馆管理系统中,工作人员通过计算机终端上的扫描仪扫描图书条形码,录入图书信息后完成入库。师生借阅时,通过校园一卡通识别身份,利用RFID读写器识别图书中的电子标签以获取图书信息,完成借阅后相关数据保存在服务器中。该系统所在的局域网接入因特网,图书查询功能基于B/S架构开发,师生在馆内外都可使用计算机、手机等查询图书信息。下列关于该系统中网络技术的说法,正确的是( )
A. 该系统的网络资源不包括软件资源 B. 计算机终端访问服务器不需要网络协议
C. 移动终端必须通过移动通信网络才能访问该系统 D. 通过路由器可将该系统接入因特网
6. 下列关于人工智能的说法,正确的是( )
A. 人工智能技术可应用于汽车无人驾驶 B. 训练数据的规模不会影响深度学习的效果
C. 人工智能的实现都需要事先手工构造知识库 D. 人脸识别技术都是通过符号主义人工智能实现的
7. 图像F为图a所示的200×100像素、256色位图,图像G为图b所示的200×100像素、16色位图,则图像F与G的存储容量之比为( )


图a 图b
A. 1:2 B. 1:1 C. 2:1 D. 16:1
8. 栈S从栈底到栈顶的元素依次为1,2,3,队列Q初始为空。约定:U操作是指元素出栈后入队,H操作是指元素出队后再入队。经过UUHU系列操作后,队列中队首到队尾的元素依次为( )
A. 2,1,3 B. 3,1,2 C. 1,3,2 D. 2,3,1
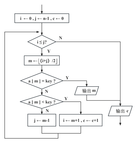
9. 数组元素a[0]至a[n-1]依次存放着n个数据,现需要将元素a[n-1]插入在下标为x(0≤x temp=a[n-1] for i in range(n-2,x-1,-1): a[x]=temp A. a[i+1]=a[i] B. a[i-1]=a[i] C. a[i]=a[i+1] D. a[i]=a[i-1] 10. 某算法的部分流程图如图所示,若n的值为7,key的值为78,数组元素a[0]至a[n-1]依次存放7,12,24,36,55,78,83,执行这部分流程后,输出c的值为( ) A 11. 若字符串s的值为"abcde",执行如下程序段后,变量res的值不可能是( ) from random import randint res ="" i, j = 0, len(s)-1 while i < len(s)and j >= i: if randint(0,1)==0: #randint(0,1)随机生成0或1 res+= s[i] i +=1 else: res += s[j] j-=1 A. "abced" B. "aecbd" C. "aedbc" D. "edcba" 12. 使用列表d模拟链表结构(节点数大于0)每个节点包含数据区域和指针区域,h为头指针。链表中各节点已按数据区域中数值的绝对值由小到大排列,如图a所示。现要修改该链表各节点的链接关系,使链表各节点按数据区域中的数值由小到大排列,结果如图b所示。实现该功能的程序段如下,方框中应填入的正确代码为( ) 图a 图b t = h p = d[h][1] while p != -1: q = d[p][1] p = q d[t][1]=-1 A. 二、非选择题(本大题共3小题,其中第13小题10分,第14小题7分,第15小题9分,共26分) 13. 小华要搭建苗圃大棚环境监控系统。该系统中的智能终端从服务器获取湿度阈值,根据该阈值和传感器采集的空气湿度值控制加湿器,并将湿度值等数据传输至Web服务器,存储到数据库中。网络应用软件的实现架构是B/S架构,用户可通过浏览器查询实时和历史数据。硬件按如下方式连接:湿度传感器和加湿器接入智能终端,智能终端通过IoT模块连接到服务器。请回答下列问题: (1)要完成该系统的搭建,下列需要编写的程序是____(单选,填字母:A.客户端程序/B.服务器端程序)。 (2)下列关于该系统中数据管理的说法,正确的是____(单选,填字母)。 A.数据无法从服务器端传输至智能终端 B.该系统的数据和程序都应存储在数据库中 C.通过浏览器查看湿度历史数据需要访问数据库 (3)下列关于该系统支撑技术的说法,正确的有____(多选,填字母) A.智能终端有程序存储和数据处理能力 B.智能终端可以通过IoT模块以无线方式连接服务器 C.该系统如果再增加一个加湿器,必须增加一个湿度传感器 D.支撑该系统运行的所有软件都需要在搭建过程中开发 (4)智能终端上的程序具有如下功能:每隔1分钟从传感器获取1次湿度值;加湿器处于关闭状态时,若连续两次湿度值均低于阈值h,则打开加湿器;加湿过程中,若连续两次湿度值均高于h,则关闭加湿器;每隔1分钟将湿度值和加湿器状态数据传输到服务器。部分Python程序如下,请在程序中划线处填入合适的代码。 #导入相关库,并从服务器获取阈值,保存在h中,代码略 lasth=h s=0 while True: #从传感器获取湿度值,保存在newh中,代码略 if s==0: if newh < h and lasth < h: s=1 #打开加湿器,代码略 else: if newh > h and lasth > h: ①____ #关闭加湿器,代码略 ②____ #将newh,s等数据传输到服务器,代码略 sleep(1000*60) #延时1分钟 (5)系统搭建完成后,运行一段时间,加湿器始终没有加湿。假设仅湿度传感器、加湿器两个设备之一存在故障,在不更换设备的前提下,请选择其中一种设备,描述判定该设备是否存在故障的方法。____ 14. 某学院举行运动会,比赛设跳高、100米等项目,每个项目分男子组和女子组。现要进行报名数据处理和比赛成绩分析。请回答下列问题: 图a 图b 图c (1)运动会报名规则为:对于每个项目的男子组和女子组,每个专业最多各报5人(如“软件工程”专业在男子跳高项目中最多报5人)。软件工程专业的报名数据保存在DataFrame对象df中,如图a所示。若要编写Python程序检查该专业男子跳高项目报名是否符合规则,下列方法中,正确的是____(单选,填字母)。 A.从df中筛选出性别为“男”的数据dfs,再从dfs中筛选出项目为“跳高”的数据,判断筛选出的数据行是否超过5行 B.对df中数据按性别排序并保存到dfs中,再从dfs中筛选出项目为“跳高”的数据,判断筛选出的数据行是否超过5行 C.从df中筛选出项目为“跳高”的数据dfs,判断dfs中是否有连续5行以上的男生数据 (2)运动员比赛成绩的部分数据如图b所示。根据已有名次计算得分,第1名至第8名分别计9,7,6,5,4,3,2,1分,第8名之后计0分。实现上述功能的部分Python程序如下,请在程序中划线处填入合适的代码。 import pandas as pd import matplotlib.pyplot as plt #读取如图b所示数据,保存到DataFrame对象df1中,代码略 f=[9,7,6,5,4,3,2,1] for i in range(0,len(df1)): rank=df1.at[i,"名次"]#通过行、列标签取单个值 score=0 if rank<=8: ____ df1.at[i,"得分"]=score (3)根据上述 df1 中的得分数据,统计各专业总分,绘制如图c所示的柱形图,实现该功能的部分Python程序如下: df2=df1.groupby("____",as_index=False).sum()#分组求和 #设置绘图参数,代码略 plt.bar(x,y)#绘制柱形图 ①请在程序中划线处填入合适的代码。 ②程序的方框中应填入的正确代码为____(单选,填字母) A. 15. 某项活动有n个单位(编号1到n)参加,需将员工分成若干个小组,每个小组的人数上限为m,小组编号按新建次序从1开始编号。分组时,首先按单位编号次序依次在各单位内部分组,每m人分配到一个新建小组中,不足m人的剩余员工暂不分配;然后按剩余员工人数由大到小的顺序,依次为各单位剩余员工分配小组。 若某单位剩余员工人数为k,则分配方法为:在已建的小组中查找空位数(该小组还可容纳的人数)大于或等于k的小组,如果找到的小组有多个,则选择空位数最少的小组,将此k人分配到该小组中;如果没有找到,则新建一个小组,将此k人分配到该小组中。 设n为5,m为20,各单位员工人数及单位内部的分组过程如图a所示,各单位剩余员工的分组过程如图b所示。 图a 图b 编写程序:给定各单位编号及员工人数,根据上述方法进行分组处理,按单位编号次序输出各单位所分配的分组编号。请回答下列问题: (1)由题意可知,若仅将图a中1号单位的员工人数修改为25,然后对图中5个单位重新分组,则1号单位所分配的分组编号为____。 (2)定义如下bubble_sort(lst)函数,参数lst的每个元素由单位编号和剩余员工人数2个数据项构成。函数的功能是根据每个单位的剩余员工人数,对lst进行降序排序。 def bubble_sort(lst): n = len(lst) for i in range(0,n-1): for j in range(n-1,i,-1): if lst[j-1][1] < lst[j][1]: tmp = lst[j] lst[j] = lst[j-1] lst[j-1] = tmp if lst[i][1] == 0: break return 调用该函数,若lst为[[1,0],[2,0],[3,18],[4,0],[5,19],[6,17]],请回答①和②两个问题。 ①虚线框中的程序段第1次执行后,关于lst中的剩余员工人数,下列说法正确的是____(单选,填字母) A.lst[0][1]数值最小 B.lst[0][1]数值最大 C.lst[5][1]数值最小 D.lst[5][1]数值最大 ②虚线框中的程序段执行的次数为____。 (3)实现分组功能的部分Python程序如下,程序中用到的列表函数与方法如图c所示,请在程序中划线处填入合适的代码。 图c def group(data,m): n = len(data) a = [] for i in range(n+1): a.append([])#a[i]初始为空列表,存放编号为i的单位所分配的分组编号 gnum=0 for i in range(n):#各单位内部分组 while data[i][1] >= m: gnum += 1 k = data[i][0] a[k].append(gnum) ①____ bubble_sort(data)#根据每个单位的剩余员工人数,对data进行降序排序 b = [] for i in range(m): b.append([]) i = 0 while i < n and data[i][1] != 0:#对剩余员工分组 ②____ while j < m and len(b[j])== 0: j += 1 if j < m: v = b[j].pop() else: gnum += 1 v = gnum a[data[i][0]].append(v) ③____ i += 1 #输出各单位的分组编号,代码略 ''' 读取小组人数上限存入m;读取1至n号单位的数据,依次存入列表 data 的 data[0]至data[n-1]中。data[i]包含2个数据项,data[i][0],data[i][1]分别存放单位编号及员工人数,代码略 ''' group(data,m) 第二部分 通用技术(共50分) 一、选择题(本大题共12小题,每小题2分,共24分。每小题列出的四个备选项中只有一个是符合题目要求的,不选、多选、错选均不得分) 1. 某汽车公司推出了一款新能源汽车,在国际车展引起轰动。使用的电池不含镍、钴等稀有金属。设计时,车身强度经过计算机仿真试验。创新的车辆控制技术使该车具有应急浮水、原地掉头等多项新功能。下列分析中不恰当的是( ) A. 电池不含镍、钴等稀有金属,体现了技术发展应以可持续发展为目标 B. 应急浮水功能使驾乘人员遇险时轻松脱困,体现了技术具有保护人的作用 C D. 该新能源汽车在国际车展引起轰动,体现了技术的专利性 2. 如图所示是一款可坐可躺的多功能椅,靠背角度、座面高度调节可一键操作,搁脚可推拉伸缩,采用大规格的五星脚支撑。下列分析与评价中不恰当的是( ) A. 靠背角度调节可一键操作,实现了人机关系的高效目标 B. 座面高度可调,考虑了人体的动态尺寸 C. 采用大规格五星脚支撑,提高了该椅的稳定性 D. 可调靠背和伸缩搁脚的设计,使该椅可坐可躺,说明功能的实现需要相应结构来保证 3. 小明准备用实木板制作一块凳面,设计了下料和开榫孔的四种方案,其中合理的是( ) A. 4. 如图所示的连杆机构,在力 A. 推杆1受压 B. 摆杆受压、受弯曲 C. 推杆2受压、受扭转 D. 连杆2受扭转 5. 如图所示是连杆机构中的摆杆,小明在通用技术实践课上用厚度正好的钢板加工该零件。下列是小明设计该零件加工流程时进行的分析,其中不合理的是( ) A. 先划对称线和中心线,再冲眼、划圆,然后划轮廓线 B. 加工外形轮廓时,根据划出的轮廓线进行锯割,然后锉削轮廓的平面和半圆弧面 C. 加工大孔和螺纹孔时,先钻大孔,后钻螺纹底孔,加工完槽1再攻丝 D. 外形轮廓和大孔及螺纹底孔加工后,再加工槽1 6. 如图所示是连杆机构中的摆杆,小明在通用技术实践课上用厚度正好的钢板加工该零件。加工该零件时,下列操作中不正确的是( ) A. 划轮廓线时,轮廓尺寸包含锉削余量 B. 钻孔时不戴手套,工件用平口钳夹紧 C. 正常锯割时,锯程不小于锯条长度的2/3为宜 D. 攻丝时,丝锥的切削部分全部进入工件,就不再施加压力 7. 如图所示是某形体的三视图。图中存在的错误共有( ) A. 1处 B. 2处 C. 3处 D. 4处 8. 如图所示是调压铸造炉的压力控制系统。铸造炉内抽真空及加热后,控制器控制先导阀接通控制气路,经减压阀1减压的氩气驱动背压阀接通主气路,经减压阀2减压的氩气大流量、快速进入铸造炉。压力计检测炉内压力,当压力达到设定值时背压阀断开主气路,低于设定值时背压阀接通主气路充气,使炉内压力保持稳定。下列关于压力控制系统的分析中正确的是( ) A. 压力计安装靠近铸造炉,是为了更准确检测炉内压力变化 B. 高压气源的压力不影响炉内压力达到设定值的时间 C. 该系统的目的是用氩气来驱动背压阀接通和断开主气路 D. 控制气路和主气路可共用一个减压阀 9. 如图所示是调压铸造炉的压力控制系统。铸造炉内抽真空及加热后,控制器控制先导阀接通控制气路,经减压阀1减压的氩气驱动背压阀接通主气路,经减压阀2减压的氩气大流量、快速进入铸造炉。压力计检测炉内压力,当压力达到设定值时背压阀断开主气路,低于设定值时背压阀接通主气路充气,使炉内压力保持稳定。下列关于压力控制系统工作过程的分析中正确的是( ) A. 背压阀受先导阀控制,所以背压阀是被控对象 B. 压力计测得的压力值传送给控制器,所以测得的压力值是输入量 C. 经过减压阀1减压的氩气驱动背压阀接通主气路,所以减压阀1属于执行器 D. 炉内压力保持稳定,气路密封性更好,所以气路密封不严属于干扰因素 10. 小明按图制作电路,选用的三极管如图b所示。下列制作过程中不正确的是( ) 图a 图b A. 用多用电表的合适挡位测量发光二极管,正接时指针大幅偏转,反接时指针不偏转,说明发光二极管正常 B. 用多用电表的合适挡位测量三极管,AB、AC间的阻值很小,BA、CA间的阻值很大,可知该三极管是NPN型 C. 将元器件插入印制电路板,剪去引脚的多余部分,再完成焊接 D. 先检查是否存在虚焊、漏焊和短路,然后通电完成电路测试 11. 如图所示的信号处理电路, A 12. 如图所示是小明设计的台灯模型电路, A. 调大 C. 调大 四、非选择题(本大题共3小题,第28小题8分,第29小题10分,第30小题8分,共26分。各小题中的“__________”处填写合适选项的字母编号,特殊说明按要求作答) 13. 小明在通用技术实践课上设计制作了植物定时浇水控制装置。使用中发现需要人工向水箱中加水,小明想增加自动补水控制子系统(如图所示),实现全自动浇水。控制器分别控制水泵和电控阀门,浇水时启动水泵抽水,当水位下降到下限时,打开电控阀门,向水箱补充自来水,当水位上升到上限时,关闭电控阀门。请根据题图及其描述完成以下任务: (1)原系统中浇水的控制方式属于__________(A.开环控制:B.闭环控制): (2)小明在该系统的改进设计中明确的问题是(单选)__________; A.需要人工向水箱加水; B.设计定时浇水控制子系统; C.设计自动补水控制子系统。 (3)小明设计补水控制子系统时进行了以下分析,其中不恰当的是(单选)__________; A.补水控制子系统与浇水控制子系统协调工作,实现全自动浇水; B.浇水控制子系统与补水控制子系统可以共用一个控制器; C.选择电控阀门时应考虑水泵的流量; D.优先保证实现自动补水功能,然后再考虑实现定时浇水功能。 (4)请根据题图及其描述填写补水控制子系统方框图(填写文字)。__________ 14. 如图所示的公路铁路立交桥,下雨时,公路上的雨水沿着坡道流向低洼处,如果水量超过泵站的排水能力,就会在低洼处积水,积水严重时需要在公路上设置路障封闭道路,阻止行人和车辆进入积水区域,以防出现意外。现在需要设计一种带有栅栏的自动拦路装置,当积水达到一定深度时,装置自动将道路封闭,当积水消退时,装置自动复位,恢复交通。 请你设计该装置的机械部分,已知公路宽度为 (a)封闭道路时装置驱动栅栏运动到路面上,恢复交通时装置驱动栅栏返回原来位置; (b)装置工作平稳可靠; (c)一套装置采用一个电机驱动; (d)装置安装在限高杆前方或后方 请完成以下任务: (1)从人体静态尺寸的角度考虑,栅栏合适的高度为__________; A.0.5m B.1.2m C. 2.2m D. 10m (2)在头脑中构思符合设计要求的多个方案,画出其中最优方案的设计草图(装置安装涉及的道路用线条表示,电机用方框表示),简要说明方案的工作过程; (3)在草图上标注主要尺寸。 15. 小明设计了如图所示的台灯调光模型电路,其工作原理为:通过调节 (3)为了驱动更大功率的灯,小明针对虚线框中缺少的电路,设计了下列方案,其中可行的是(多选)______: A. (4)小明想用门电路代替555集成电路设计振荡电路,实现原有电路功能。请在虚线框中用1个电位器和2个二极管将电路补充完整。______ 参考答案 第一部分 信息技术(共50分) 一、选择题(本大题共12小题,每小题2分,共24分。每小题列出的四个备选项中只有一个是符合题目要求的,不选、多选、错选均不得分) 【1题答案】 【答案】A 【2题答案】 【答案】C 【3题答案】 【答案】B 【4题答案】 【答案】C 【5题答案】 【答案】D 【6题答案】 【答案】A 【7题答案】 【答案】C 【8题答案】 【答案】D 【9题答案】 【答案】A 【10题答案】 【答案】B 【11题答案】 【答案】B 【12题答案】 【答案】C 二、非选择题(本大题共3小题,其中第13小题10分,第14小题7分,第15小题9分,共26分) 【13题答案】 【答案】 ①. B ②. C ③. AB ④. s=0或s=1-s或s=s-1或s-=1 ⑤. lasth=newh ⑥. ①判断湿度传感器:改变环境湿度,从浏览器观察湿度值是否有实时的更新变化,若没有,说明传感器故障。或其他等价答案。②判断加湿器:通过智能终端直接发送加湿指令,若加湿器未工作,说明加湿器故障。或其他等价答案。 【14题答案】 【答案】 ①. A ②. score=f[rank-1]或score=f[int(rank)-1] ③. 专业 ④. B 【15题答案】 【答案】 ①. 1,8 ②. B ③. 4 ④. data[i][1]-=m ⑤. j=data[i][1] ⑥. b[j-data[i][1]].append(v) 一、选择题(本大题共12小题,每小题2分,共24分。每小题列出的四个备选项中只有一个是符合题目要求的,不选、多选、错选均不得分) 【1题答案】 【答案】D 【2题答案】 【答案】B 【3题答案】 【答案】D 【4题答案】 【答案】A 【5题答案】 【答案】C 【6题答案】 【答案】A 【7题答案】 【答案】C 【8题答案】 【答案】A 【9题答案】 【答案】D 【10题答案】 【答案】C 【11题答案】 【答案】A 【12题答案】 【答案】B 四、非选择题(本大题共3小题,第28小题8分,第29小题10分,第30小题8分,共26分。各小题中的“__________”处填写合适选项的字母编号,特殊说明按要求作答) 【13题答案】 【答案】 ①. A ②. C ③. D ④. ①控制器;②电控阀门;③水箱;④水位传感器 【14题答案】 【答案】(1)A(2)略(3)略 【15题答案】 【答案】 ①. A ②. B ③. CE ④. ![]()

0 B. 1 C. 2 D. 3

![]()
B.
C.
D. 

![]()
B.
C.
D.


计算机仿真试验属于虚拟试验
B.
C.
D. 
和
的作用下处于平衡状态,此时推杆1、推杆2水平,摆杆处于垂直位置。下列对各个构件主要受力形式分析中正确的是( )






为输入信号,
为基准信号,
为输出信号。下列信号波形关系不正确的是( )
B.
C.
D. 
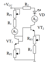
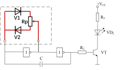
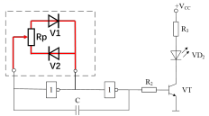
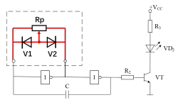
、
型号相同,工作时
导通,
处于放大状态。下列分析中不正确的是( )
,
和
读数均减小 B. 调小
,
和
读数均增大
,
读数基本不变,
读数减小 D. 调大
,
的的
不变

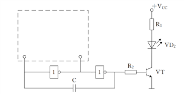
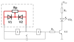
,设计要求如下:
处,具体安装形式可根据工作方式自行确定。
滑动端的位置来改变振荡电路中的值,振荡频率变高; D.增大
的值,振荡频率变高。
B.
C.
D.
E.

第二部分 通用技术(共50分)
或
或
