2023年湖南长沙中考物理试题及答案
一、选择题(本大题共12小题,每小题3分,共36分。第1~10题为单选题,每小题只有一个选项符合题意。第11、12题为多选题,每小题有两个选项符合题意,选对但少选得2分,错选得0分。请将符合题意的选项用2B铅笔填涂在答题卡相应位置)
1.我国的民族音乐渊远流长,下列关于民族乐器说法正确的是( )
A.演奏古筝时琴弦振动发声
B.敲锣的力越大,锣声的音调越高
C.箫声与鼓声的音色相同
D.笛声在空气中的传播速度比琴声大
2.古诗“荷风送香气,竹露滴清响”中,竹叶上出现露珠是( )
A.熔化现象 B.液化现象 C.凝华现象 D.汽化现象
3.下列现象能说明分子做无规则运动的是( )
A.春风拂面,柳絮飞扬 B.晨曦微露,雾漫山野
C.百花齐放,花香四溢 D.天寒地冻,大雪纷飞
4.学雷锋活动月,小明到敬老院献爱心,同时也收获了一些物理知识,下列事例与物理知识对应正确的是( )
A.把面团压成面皮-力可以改变物体的形状
B.给木凳装上软垫坐起来史舒服——受力面积越大压强越大
C.抖床单拍灰尘——灰尘没有惯性
D.用筷子夹饺子——筷子是省力杠杆
5.我国是最早用文字记载磁现象的国家之一,下列说法正确的是( )
A.“慈(磁)石召铁,或引之也”,说明磁石没有磁性
B.罗盘周围的磁感线真实存在且可见
C.司南静止时指南北是因为受到了地磁场的作用
D.鱼形铁被磁化后制成的指南鱼只有一个磁极
6.2023年5月9日,全白动无人驾驶云巴(如图)在湖南湘江新区正式开通。下列有关云巴的说法正确的是( )

A.刷脸支付使用的镜头相当于一个凹透镜
B.利用胶轮在轨道上行驶来降噪属于在人耳处控制噪声
C.给蓄电池充电时,蓄电池是电源
D.智能芯片采用了半导体材料
7.“浴霸”里的电加热器和换气扇能独立工作互不干扰,符合上述要求的电路是( )
A.
B.
C.
D.
8.砖的制作工艺流传数千年,从晒制到烧制,从青砖到红砖,小小的砖块见证了人类迈向文明的历程,下列说法正确的是( )
A.晒制泥坏时,泥坯温度越高含有的热量越多
B.高温烧制时,通过热传递的方式改变砖块的内能
C.烧制红砖时,燃料燃烧越充分,其热值越大
D.在质地均匀的砖上雕刻花纹,砖的密度变小
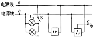
9.某家庭电路的连接如图所示,下列说法正确的是( )

A.a点所在的电源线是零线
B.空气开关只能安装在b点处
C.c点所在的导线与大地相连
D.
和
是串联的
10.如图,大人和小孩分别将5块相同的砖从一楼搬到二楼,在这个过程中,下列说法正确的是( )

A.小孩对砖做功更多 B.小孩对砖做功更快
C.大人对砖做功更多 D.大人对砖做功更快
11.物理兴趣小组用吸管做了下列小实验,关于这些实验说法正确的是( )
A.
图甲:A管中水面上升说明在流体中流速越快的位置压强越大
B.
图乙:吹响吸管时上下推拉吸管内的活塞,音调不变
C.
图丙:与带负电的吸管一端相排斥的物体一定带负电
D.
图丁:用吸管吸取饮料,利用了大气压强
12.小明有一个可以显示水温的“智能水杯”。为了研究“智能水杯”内部的电路,老师准备了恒压电源、开关、导线若干、定值电阻
、热敏电阻
、电流表和电压表,小明在其中选择部分器材设计了如图甲所示的电路来模拟“智能水杯”的功能。其中热敏电阻
的阻伯随温度变化关系如图乙所示,图中电表的示数可以反映温度的高低。开关闭合后,关于这个电路的说法正确的是( )

A.图中电表是电压表
B.图中电表是电流表
C.热敏电阻温度越高,图中电表的示数越大
D.热敏电阻温度越高,
两端的电压越小
二、填空题(本大题共4小题,10空,每空2分,共20分)
13.2023年5月30日,神舟十六号飞船飞往中国空间站,飞船与酒泉卫星发射中心之间通过___________波来传递信息。6月2日神舟十五号、神舟十六号航天员乘组完成在轨交接。6月3日21点29分神舟十五号飞船与空间站组合体分离,在飞船远离空间站的过程中,飞船相对于空间站是___________的。返回舱落向地面的过程中重力势能变___________。
14.下图为玩具小汽车内直流电动机的结构简图,该电动机工作时将电能转化为___________能和内能。如果想改变该直流电动机的转动方向,你可以采取的方法是___________(写一条合理方法即可)。

15.雷电是大气中一种剧烈的放电现象,某次雷电释放了
J的能量,若这些能量全部被水吸收,可使质量为___________kg的水从0°C升高到50°C。为了防雷,高大建筑物顶端都装有___________。![]()
16.淼淼湘江穿城过,座座桥梁两岸连,每一座湘江大桥都推动了长沙的发展。一艘正在湘江某段建桥的浮吊船,要将甲乙两个实心桥墩构件放入江底。构件甲和构件乙的质量分布均匀且不吸水,它们的密度之比为
,构件甲的质量为200t。
,g取10N/kg。则:
(1)江水中距水面10m深处水的压强为___________Pa;
(2)构件甲受到的重力为___________N;
(3)在浮吊船的甲板上放置构件乙与放置构件甲相比,浮吊船静止时排开水的体积增加了200
。如图所示,钢绳提着构件浸没在水中沿竖直方向匀速下降,钢绳提着甲 构件与提着乙相比,浮吊船排开水的体积变化了250
。由此可知构件乙的密度为__________
。

三、作图与实验探究(本大题共6小题,第17题2分,第18题4分,第19题6分,第20题6分,第21题6分,第22题7分,共31分)
17.在课后实践活动中,小明自制了一个如图甲所示的手电筒,他将小灯泡放在凸透镜的焦点处,请在图乙中画出光通过凸透镜后的光线。

18.环卫工人往结冰的桥面撒盐加快冰的熔化,激发了小明探究盐水凝固点的兴趣。他把两杯浓度不同的盐水放入冰箱冷冻室里,当杯内的盐水中出现冰块时测量它们的温度,温度计的示数如图所示(每支温度计的单位都是摄氏度),图乙中温度计的示数为___________°C,从实验现象可知,盐水的浓度越高,其凝固点越___________。

19.在“探究平面镜成像的特点”的实验中:

(1)第一小组找到如图甲所示的两种器材,器材a是平面镜,器材b是在薄玻璃板的一面贴上几条镜面纸的自制教具。为了确定像的位置,可选择器材___________(写出器材的字母符号即可):
(2)第二小组选取两支相同的蜡烛做实验,实验装置如图乙所示,同学们发现玻璃板后面的蜡烛总是能和玻璃板前面那支蜡烛的像完全重合,这说明平面镜所成像的大小与物体的大小___________;
(3)在探究像距和物距的关系时,小明在第一次实验中测出物距为12.50cm,像距为12.50cm。为了得到像距和物距关系的规律,你对他接下来的操作建议是___________。
20.小明用家里的器材探究重力的大小与质量的关系。如图甲、乙所示,小明用布袋装着质量不同的米,用电子秤测其质量,用液晶屏拉力器测其重力,实验数据记录如下表:
实验次数 | 1 | 2 | 3 | 4 | 5 |
电子秤的示数/g | 100.0 | 200.0 | 300.0 | 400.0 | 500.0 |
拉力器的示数/N | 0.98 | 1.96 | 2.94 | 3.92 | 4.90 |
(1)在图乙中,当米袋静止时,拉力器的示数与这袋米所受重力的大小___________;
(2)分析上表数据可得:物体所受重力的大小与它的质量成___________,下列数据处理方法可以得到此结论的是___________。
A. 计算每一次实验中重力的大小与质量的比值
B. 计算每一次实验中重力的大小与质量的乘积
21.小明家的旧沙发垫容易滑落,为此妈妈更换了一块背面有防滑颗粒的新沙发垫,小明把背面朝上的新、旧沙发垫固定在水平面上,用如图所示的方法测量同一本书在沙发垫上滑行时受到的摩擦力。

(1)小明应使书在沙发垫上做___________运动,对比两次弹簧测力计的示数可知:压力相同时,增大___________可以增大滑动摩擦力;
(2)在图甲的书本上叠放一本书,重做图甲所示的实验,可以探究滑动摩擦力大小与___________的关系。
22.小明用图甲所示的电路来测未知电阻R的阻值,图乙是他连接的实验线路。

(1) 图乙中有一根导线接错了,请在这根导线上打“×”,并画线改到正确的位置;____
(2)图丙是正确连接电路后某一次实验时电表的示数,则被测电阻此次的测量值为___________Ω;
(3)小霞用图甲所示的电路测未知电阻时,闭合开关后发现电流表和电压表均无示数,老师告诉她故障只有一处,发生在开关或滑动变阻器上,小明帮她提出两种检测故障的方案。
方案一:互换电流表和电压表的位置,闭合开关后观察电表的示数;
方案二:把电压表拆下来并联在开关的两端,闭合开关后观察电压表的示数。
你支持方案___________,根据所选方案写出电表示数的情况和对应的故障___________。
四、计算题(本大题共2小题,第23题6分,第24题7分,共13分)
23.如图,小明用一个动滑轮和几个相同的杠铃片自制了一个健身器,已知动滑轮的质量为5kg,每个杠铃片的质量为10kg。不计绳重和摩擦,g取10N/kg,小明通过握杆竖直向上匀速拉动绳子提升杠铃片的过程中,求:
(1)杠铃片在0.5s内上升0.2m,杠铃片的速度;
(2)动滑轮下挂着两个杠铃片,握杆对绳子拉力的大小;
(3)动滑轮下挂着四个杠铃片,杠铃片上升了0.1m,在此过程中握杆对绳子的拉力做的功。

24.课外实践小组设计了一个电热孵蛋箱,其电路如图所示。已知电源电压恒为220V,
是阻值为55Ω的电热丝,温度对电热丝阻值的影响忽略不计。
(1)闭合开关S后,求电路中的电流;
(2)求通电100s电热丝
产生的热量;
(3)老师提醒,电热箱内温度太高,无法孵化鸡蛋,应使电热箱内的电功率降至
,小组成员想出了两种方法改进电路:
方法一:在图中A点处串联接入一根电热丝![]()
方法二:在图中B点处串联接入一根电热丝![]()
老师发现这两种改进方法电热箱内的电功率都为
,小组成员在这两种改进电路中,用电压表测量新接入的电热丝两端的电压,测量结果为
和
,
,
,但由于粗心没有记录
和
分别对应哪种方法。请根据上述信息判断哪种方法更节能,并计算这种方法中新接入的电热丝的阻值。

参考答案
1.A
2.B
3.C
4.A
5.C
6.D
7.A
8.B
9.C
10.D
11.CD
12.BC
13. 电磁 运动 小
14. 机械 改变电流方向
15.
避雷针
16.
![]()
17.
18. -5 低
19. b 相同 改变物距后,多做几组实验
20. 相等 正比 A
21. 匀速直线 接触面的粗糙程度 压力大小
22.
6 二 当电压表示数不为0时故障是开关断路,当电压表示数为0时故障是滑动变阻器断路
23.(1)0.4m/s;(2)125N;(3)45J
【详解】解:(1)杠铃片上升的速度![]()
(2)当动滑轮下挂两个杠铃片,握杆对绳子的拉力 ![]()
(3)拉力所做的功
![]()
24.(1)4A;(2)
;(3)方法一,825Ω
【详解】解:(1)S闭合后。电路中的电流![]()
(2)透电100s电热丝
产生的热量
![]()
(3)方法一更节能。两种方法的电路简图如下:

在方法一中的电热箱的功率为![]()
在方法二中的电热箱的功率为![]()
因为两次电热箱内的电功率相等,
,得出![]()
则
两次电压![]()
因为电源电压保持不变,
和
两端的电压![]()
∴
则
,
∵
∴![]()
在方法一中![]()
∴
两端的电压![]()
![]()
