2023年四川泸州中考物理试卷及答案
一、选择题(1~10题每小题3分,只有一个选项符合题目要求。11~12题每小题3分,有多个选项符合题目要求,全部选对得4分,选对但不全得2分,有错的得0分。)
1.物理学是一门以观察和实验为基础的学科。下列关于生活中一些物理量的估测,最切合实际的是( )
A.中学生手掌的宽度约10cm
B.中学生配戴的眼镜重约10N
C.人体感觉最舒适的环境温度约37℃
D.便携式手持电风扇的功率约100W
2.端午将至,民间流传着“初一糕、初二桃、初三粽、初四艾、初五划龙舟”的民谣。下列对民谣有关的物理情境,解释正确的是( )
A.蒸白糕时用旺火烧水,主要是为了提高水的沸点
B.成熟的蜜桃看起来是红色的,是因为蜜桃吸收了红光
C.艾叶散发出清香,是因为清香分子不停地做无规则运动
D.划龙舟时呐喊声很大,是因为呐喊时声带振动的频率很高
3.2023年5月28日,中国生产的大飞机C919实现了商业首飞。下列关于C919飞机的说法中,正确的是( )
A.飞机加速升空阶段,以机舱舷窗为参照物,飞机是运动的
B.飞机加速升空阶段,乘客的速度和高度增大,惯性也增大
C.飞机下降阶段,机翼上方空气比下方空气流速小、压强大
D.飞机机身主要是用密度较小、强度很大的特殊材料制成的
4.高速列车在泸州运行以来,以其高速、便捷、舒适的优点,成为越来越多泸州市民出行选择的交通工具。下列图示中的实验,与高速列车动力系统工作原理相同的是( )
A.
B.
C.
D.
5.智能锁正在逐步走进千家万户。如图所示为某款智能锁,它支持密码与指纹两种认证方式开门,密码正确相当于开关S1闭合,指纹正确相当于开关S2闭合,开门由电动机完成。下列符合该智能锁电路设计的是( )
A.
B.
C.
D.
6.如图所示是汽车利用超声波辅助倒车的情境,当汽车与障碍物相距较近时,汽车就会发出“嘀嘀嘀”的警报声。下列关于声波的说法中,正确的是( )
A.超声波的传播需要介质
B.“嘀嘀嘀”的警报声,就是超声波
C.超声波在空气中的传播速度为:3×108m/s
D.警报声对正在倒车的驾驶员来说是噪声
7.2023年5月30日,神舟十六号载人飞船成功发射,之后飞船采用自主快速交会对接模式与空间站成功对接,飞船与空间站的组合体在地球附近轨道上绕地球运动,如图所示。关于该过程,下列说法中正确的是( )
A.飞船与空间站对接成功后,组合体受到平衡力的作用
B.与在地面上相比,航天员在空间站内时,其质量变小
C.空间站内的航天员处于“漂浮”状态,不受重力作用
D.指挥中心与空间站间的联系是利用电磁波来传递信息
8.教室里,磁性黑板擦可以被吸在竖直金属黑板上不掉下来,如图所示。根据题中信息,以下判断正确的是( )
A.黑板擦受到磁力作用,不受摩擦力的作用也能静止在竖直黑板上
B.黑板擦能静止在竖直黑板上,是因为黑板擦所受摩擦力大于重力
C.擦黑板时,可以通过增大压力来增大黑板擦与黑板之间的摩擦力
D.擦黑板时,手对黑板擦的压力与黑板对黑板擦的支持力是一对平衡力
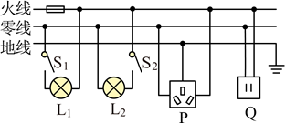
9.学习家庭电路相关知识后,小浩对设计的如图所示家庭电路及其使用的下列认识,正确的是( )
A.图中两盏灯泡与其对应控制开关的连接都是正确的
B.电冰箱的插头地线插脚脱落,仍可插入插座P长期使用
C.如果灯泡L2不能正常工作,则插座Q也一定不能正常工作
D.断开开关S2,正确使用验电笔检查灯泡L2两端接线柱,氖管都不会发光
10.我国运动员全红婵,在2023年世界泳联跳水世界杯西安站女子单人10米跳台预赛中,出色地完成了“207C”动作。将其下落阶段中的一段运动简化为直线运动,其中A、B、C、D四点是她下落过程中的四个位置,相邻两点间的时间间隔为0.5s,距离如图所示。关于全红婵在此段运动过程中,下列判断正确的是( )
A.在AC段做匀速直线运动
B.在AC段的平均速度为5m/s
C.经过C点的速度为5m/s
D.她的重力势能一直在增大
11.如图甲所示的电路,R0为定值电阻,R为滑动变阻器(0~25Ω)。闭合开关,调节滑动变阻器,记录电压表示数U、电流表示数I,作出U﹣I关系图像如图乙所示。则下列判断正确的有( )
A.R0的阻值为5Ω
B.电源电压为2.5V
C.当电压表示数为2V时,电路消耗的总功率为0.6W
D.当电压表示数为1V时,滑动变阻器消耗的电功率最大
12.小明在探究沉与浮的条件时,用一根细线连接A、B两个物体,放在盛水的烧杯中,处于悬浮状态,如图甲所示。剪断细线后,A物体处于漂浮状态,B物体沉到烧杯底部,如图乙所示。设甲、乙两图烧杯对桌面的压强分别为p1、p2,水对烧杯底部的压强变化为Δp,甲图中细线的拉力为F,乙图中B物体对烧杯底部的压强为pB。已知B物体的重力为G,体积为V,烧杯的底面积为S,水的密度为ρ。以下关系式正确的有( )
A.p1>p2 B.F=G﹣ρgV
C.
D.![]()
二、填空题(本题共6个小题,每空1分,共18分)
13.我国在能源的合理开发与利用方面,取得了瞩目的成就。2023年4月12日,中国“人造太阳”可控核聚变装置成功运行403秒,该装置是为了开发利用 _____能;电动汽车越来越普及,许多电动汽车安装了能量回收装置,其中一种能量回收方式是踩下制动踏板时,将 _______能转化为电能,再将电能转化为 _______能储存在蓄电池里。
14.小明在探究凸透镜成像规律时,安装好器材,调节蜡烛、凸透镜与光屏在如图所示的位置,在光屏上得到清晰的像,则凸透镜的焦距为 _________cm。固定凸透镜位置,他将蜡烛移到15cm刻度处,为了在光屏上得到清晰的像,接下来小明应该进行的操作是 ________________;生活中应用这一规律的光学器材是 ________。
15.如图所示,已知电源电压为3V,小灯泡L的规格“3V 0.9W”,滑动变阻器的规格“20Ω 1A”,电流表量程为0~3A,则小灯泡正常发光时阻值RL=_______Ω。当开关S1、S2同时闭合,改变滑动变阻器的接入电阻,小灯泡的亮度将 _______(选填“变亮”、“变暗”或“不变”);保持开关S1始终闭合,调节电路,使电路消耗的最大功率为P1,最小功率为P2,则P1︰P2=_________。
16.小聪探究斜面的机械效率时,将粗糙程度均匀的长木板用支架支撑构成斜面,如图所示。用刻度尺量出斜面底端A点到斜面上B点的距离L为80cm,B点距水平地面高度h为20cm。沿斜面向上用0.8N的拉力F将重为2N的木块匀速拉到B点,用时2s,则这段过程中拉力F做功的功率P=_________W,斜面的机械效率η=_________%,木块在该斜面上受到的滑动摩擦力f=________N。
17.小明观察到家里的电能表如图所示。他只将一个电热水器接入家庭电路正常工作,观察到电能表指示灯闪烁80次用时48秒,则这段时间内,电热水器消耗的电能为 ____________J,电热水器电阻丝阻值为 _________Ω;该热水器连续工作30min,电能表示数将变为 ___________kW·h。
18.塑料瓶是一种常见的生活物品,空塑料瓶可以做许多物理小实验。在安全情况下,小明用高压打气筒往封闭空塑料瓶内打入空气,如图所示。随着瓶内气压增加,气体内能增大,这是通过 _______方式改变瓶内气体内能。当气压达到一定程度时,瓶盖飞出,这一过程与内燃机 _______冲程的能量转化情况相同;瓶盖飞出的同时,瓶口冒“白雾”,其物态变化是 _______。
三、作图与实验探究题(本题共5小题,作图题请先用铅笔作图,确定后,再用黑色签字笔描黑,每图2分,其余每空1分,共20分)
19.如图所示,请根据通电螺线管上方小磁针静止时的指向,在虚线框内用箭头标出相应的电流方向和磁场方向。
20.一束激光从空气中以图示角度射入水中,其反射光线与折射光线刚好垂直。请在图中画出折射光线,并标出折射角的角度大小。

21.小明学习了比热容知识后,想比较A、B两种未知液体的比热容大小,进行如下实验:
(1)找来两个带保温层的相同电热杯,不计与外界发生的热传递,如图甲所示;
(2)将 _______相等的A、B两种液体分别倒入两个电热杯中,然后将两种液体均加热到60℃;
(3)将长时间处于室温的两个完全相同的铜块,分别浸没在两种液体中,盖好盖子;
(4)经过一段时间,温度计示数稳定后,A液体中温度计示数如图乙所示,则A液体温度降为 _________℃,B液体温度降为53.0℃;
(5)分析可知,_____液体放出的热量多,_____液体的比热容较大。
22.小明有一件重约15N的工艺品,用细线悬挂两端点A、B处于静止状态,如图甲所示。他想用平衡的知识,通过计算在A、B连线上找出O点的位置,以便用一根细线系在O点将工艺品悬挂起来,静止时如图乙所示,并计算出工艺品的重力。小明身边只有一把弹簧测力计(0~10N)、一把刻度尺和若干细线,他设计了如下实验,请完成以下实验步骤:
(1)取下工艺品,用刻度尺测出工艺品长度LAB=_________cm,如图丙所示;
(2)用弹簧测力计拉住A端,B端用细线悬挂,平衡时如图丁所示,此时弹簧测力计读数F1=8.0N;
(3)交换弹簧测力计和细线的位置,平衡时工艺品的位置也如图丁所示,弹簧测力计读数F2=6.0N;
(4)由此可以计算出该工艺品的重力G=_______N。
(5)计算出O点到端点A间的距离LOA=_______cm。
(6)反思:要准确找出O点的具体位置,除准确测量外,关键实验条件是 ___________(只须写出一个条件即可)。
23.小明与小军用两节干电池作为电源,测量未知电阻Rx的阻值。
(1)小明设计如图甲所示电路进行测量,请用笔画线代替导线,在图乙中替小明完成实验电路的连接_____;
(2)闭合开关前,小明应将滑动变阻器的滑片置于 _____端(选填“A”或“B”)。
(3)设计电路时,使用了滑动变阻器(0~20Ω),其作用除了保护电路之外,还有 ___________________;
(4)闭合开关,小明发现电压表和电流表均无示数。经检测,出现故障的元件为Rx或滑动变阻器中的一个,则故障原因是 ____________;
(5)排除故障后,闭合开关,观察到电流表的示数很小,电压表的示数接近3V,移动滑动变阻器的滑片,两表示数无明显变化,这是因为未知电阻Rx的阻值 _______;
(6)小明用电阻箱(0~9999Ω)代替待测电阻Rx,用等效替代法测量其阻值。他调节电阻箱的阻值为1000Ω时,电压表的示数接近3V,电流表示数很小,于是他得出Rx=1000Ω。小军指出他的测量不正确,理由是 _________________;
(7)小军用电阻箱(0~9999Ω)代替滑动变阻器,他将电阻箱的阻值调为1000Ω时,电压表的示数为2V,电流表的示数仍很小,小军通过计算得出待测电阻Rx=_________Ω。
四、计算题(本题共2个小题,第24题9分,第25题10分,共19分;要求写出必要的步骤、相关公式和文字说明)
24.某种带保温功能的电热水壶,其发热部分电路如图所示。已知电源电压U=220V保持不变,电阻丝R1=110Ω、R2=88Ω。通过调节开关S1、S2可以实现低温、中温、高温三挡的切换;当水温降到60℃时,电路自动切换成低温挡进行保温。已知
。
(1)当电热水壶处于中温挡时,求电热水壶消耗的电功率;
(2)当电热水壶分别处于高温挡与低温挡时,求通过电阻丝R1的电流之比;
(3)用电热水壶高温挡把m=2kg的水从t1=28℃加热到t2=100℃,自动断电,其中电热水壶加热效率η=84%。当电热水壶中水温降到60℃时,继续保温t=1.8h,问电热水壶这次加热和保温一共消耗多少度电?
25.科创小组设计了水库自动泄洪控制装置,将其制成顶部开有小孔的模型,如图所示。其中A为压力传感器,B是密度小于水且不吸水的圆柱体,能沿固定的光滑细杆在竖直方向自由移动。当模型内水深h0=15cm时,B与模型底面刚好接触且压力为零。水面上涨到设计的警戒水位时,圆柱体对压力传感器的压力为2N,触发报警装置,开启泄洪阀门。已知圆柱体B的底面积SB=50cm2,高hB=25cm,g取10N/kg,ρ水=1×103kg/m3。
(1)当B对模型底面压力F1=2.5N时,模型内水深h1为多少cm?
(2)刚触发报警装置时,B浸入水中的深度h2为多少cm?
(3)为了提高防洪安全性,警戒水位需要比原设计低5cm,在B的上方加上与B同材质同底面积的圆柱体C,则圆柱体C的高度h3应为多少cm?
参考答案
1.A
2.C
3.D
4.D
5.B
6.A
7.D
8.C
9.D
10.B
11.AC
12.BC
13. 核 机械 化学
14. 10.0 将光屏向左移动适当距离 照相机
15. 10 不变 26∶3
16. 0.32 62.5 0.3
17. 9.6×104 24.2 5219.1
18. 做功 做功 液化
19.
20.
21. 质量 56 A A
22. 35.0 14 15 杠杆平衡条件
23.
A 改变定值电阻两端的电压的作用 滑动变阻器断路 太大 没有控制电压表的示数不变 2000
24.(1)440W;(2)9∶5;(3)0.64度
25.(1)10cm;(2)19cm;(3)12.5cm
