2023年四川凉山中考物理试题及答案
第I卷 选择题(共40分)
一、选择题(本大题共20小题,每小题2分,共40分。每小题只有一个选项符合题意)
1. 在地球上观看日出时能看到地平线以下的太阳。下列现象与此原理相同的是( )
A. 茂密树荫下圆形的光斑 B. 汽车后视镜中的像
C. 海市蜃楼 D. 用潜望镜看到海面上的物体
【答案】C
【解析】
【详解】在地球上观看日出时能看到地平线以下的太阳,光学原理是光的折射。
A. 茂密树荫下圆形的光斑,原理是光在同种均匀的介质中沿直线传播,故A不符合题意;
B. 汽车后视镜中的像,利用的是凸面镜扩大视野的作用,故B不符合题意;
C. 海市蜃楼,原理是光的折射,故C符合题意;
D. 用潜望镜看到海面上的物体,是平面镜成像,原理是光的反射,故D不符合题意。
故选C。
2. 关于信息、材料和能源,下列说法中不正确的是( )
A. 家庭WiFi靠电磁波传递信号 B. 电动机线圈用超导体可将电能全部转化为内能
C. 光伏发电将太阳能转化为电能 D. 核电站利用核裂变释放的能量发电
【答案】B
【解析】
【详解】A.家庭WiFi能够发射电磁波,靠电磁波传递信号,故A正确,不符合题意;
B.电动机线圈用超导体可将电能全部转化为机械能,避免线圈把电能转化成内能,使线圈发热,故B错误,符合题意;
C.太阳能电池板能将太阳能转化为电能,光伏发电就是利用太阳能电池板发电,故C正确,不符合题意;
D.核电站的主要设备是核反应堆,核反应堆是利用核裂变释放的能量发电,故D正确,不符合题意。
故选B。
3. 下列的俗语、诗词等反映了人类对自然界的一定认识,其中从物理学的角度分析说法正确的是( )
A. “月落乌啼霜满天”:霜的形成是凝固现象
B. “缸穿裙,大雨淋”:是空气液化成小水珠附着在水缸表面形成的
C. “人面桃花相映红”中桃花看起来是红色的原因是吸收了红光
D. “春江水暖鸭先知”是由于水温升高,鸭子在水中由热传递的方式先感觉到
【答案】D
【解析】
【详解】A.霜是固态的小冰晶,是水蒸气凝华形成的,故A错误;
B.“缸穿裙,大雨淋”:是由于空气中的水蒸气遇冷,液化成小水珠,故B错误;
C.光照射不透明物体时,物体会吸收与自身颜色不同的光,反射与自身颜色相同的光,则桃花看起来是红色的原因是反射了红光,故C错误;
D.春天温度升高,水温也会随之升高,热量会从高温物体传递给低温的物体,所以“春江水暖鸭先知”是由于水温升高,鸭子在水中由热传递的方式先感觉到,故D正确。
故选D。
4. 如图所示,烧杯里装着水,试管中装着酒精,标准大气压下酒精的沸点为78℃,给烧杯加热使水沸腾,继续加热,则试管中的酒精( )
A. 能沸腾 B. 温度达不到沸点,不能沸腾
C. 温度能达到沸点,但不能沸腾 D. 以上三种情况都可能发生
【答案】A
【解析】
【详解】当烧杯中的水沸腾后,温度达到沸点,继续加热,试管中的酒精吸热,温度上升,且酒精的沸点低于水的沸点,故试管中的酒精温度能达到沸点,且能持续从水中吸热,故试管中的酒精能沸腾,A符合题意,BCD不符合题意。
故选A。
5. 车站广场上,常常看到人们将旅行包放在拉杆箱上,如图所示,若地面和拉杆箱A的上表面均水平,拉杆箱A和旅行包B在水平推力F的作用下,一起向右做匀速直线运动,不计空气阻力,下列分析正确的是( )
A. A对B具有水平向右的摩擦力
B. B的重力和A对B的支持力是一对平衡力
C. A的重力和地面对A的支持力是一对平衡力
D. B对A的压力和B的重力是一对相互作用力
【答案】B
【解析】
【详解】A.由题意可知,B做匀速直线运动,处于受力平衡状态,若A对B具有水平向右的摩擦力,则B在水平方向上受力不平衡,故A错误,不符合题意;
B.对B受力分析可知,B受到竖直向下的重力和竖直向上的A对B的支持力,B在这两个力的作用下做匀速直线运动,处于受力平衡状态,故B的重力和A对B的支持力是一对平衡力,故B正确,符合题意;
C.对A受力分析可知,A受到向下的重力、向上的地面对A的支持力和向下的B对A的压力,A在这三个力的作用下处于受力平衡状态,故A的重力和地面对A的支持力不是一对平衡力,故C错误,不符合题意;
D.B对A的压力作用在A上,B的重力作用在B上,两个力不是作用在同一个物体上,故不是一对相互作用力,故D错误,不符合题意。
故选B。
6. 小徐将塑料袋剪成细丝,用两块毛皮分别来回摩擦细丝和塑料管后,将细丝抛向空中,在其下方用塑料管靠近,细丝可以在空中飞舞,如图所示。下列说法中不正确的是( )
A. 毛皮摩擦后的细丝间会相互排斥
B. 细丝和塑料管带上相同的电荷
C. 摩擦时,正电荷在毛皮与塑料管之间发生了转移
D. 该现象可以解释验电器的工作原理
【答案】C
【解析】
【详解】A. 根据图片中,细丝间是彼此排斥的,所以,毛皮摩擦后的细丝间会相互排斥,故A正确,不符合题意;
B. 根据细丝可以在空中飞舞,所以,细丝和塑料管带上相同的电荷,同种电荷相互排斥,故B正确,不符合题意;
C. 在摩擦起电中,发生转移的是电子,得到电子的显负电,失去电子的带正电,故C错误,符合题意;
D. 验电器的工作原理是同种电荷相互排斥,与该现象的原理是一样的,故D正确,不符合题意。
故选C。
7. 2022年12月26日,“绿巨人”开进西昌,结束了凉山没有动车的历史。“绿巨人”采用能量回收制动方式:列车到站前停止供电,继续向前运行,内部线圈随车轮转动时切割磁感线,把机械能转化为电能进行回收。下图与其工作原理相同的是( )
A.
B.
C.
D.
【答案】D
【解析】
【详解】由题意可知,列车停止供电后,继续向前运行,内部线圈随车轮转动时切割磁感线,产生感应电流,这是电磁感应现象;
A.由图中可知,通电导线靠近小磁针后,会使小磁针发生偏转,这是电流的磁效应,故A不符合题意;
B.由图中可知,闭合开关后,导体会发生偏转,这是通电导体在磁场受到力的作用,故B不符合题意;
C.由图中可知,闭合开关后,缠绕有漆包线的铁钉会吸起铁屑,这是电磁铁的原理,故C不符合题意;
D.由图中可知,导体在磁场中切割磁感线后,电流计的指针会发生偏转,这是电磁感应现象,故D符合题意。
故选D。
8. 如图所示,电源电压保持不变,闭合开关S后,将滑动变阻器的滑片P向右移动的过程中,下列说法正确的是( )
A. 电流表
的示数不变,电压表V的示数变小
B. 电流表
的示数不变,电压表V的示数不变
C. 电压表V的示数与电流表
的示数比值不变
D. 电压表V的示数与电流表
的示数比值变小
【答案】C
【解析】
【详解】根据电路图可知,该电路是并联电路,电流表
测量通过R2的电流,电流表
测量干路的电流,电压表V测量电源电压;根据并联电路的电压特点可知,电压表V的示数不变;根据并联电路互不影响的特点可知,电流表
的示数不变;
根据并联电路的电流特点可知,电流表
的示数随着通过R1的电流的变化而变化,滑动变阻器的滑片P向右移动的过程中,R1的电阻变大,通过R1的电流变小,所以,电流表
的示数变小;
根据
可知,电压表V的示数与电流表
的示数之比等于定值电阻R2的大小,定值电阻R2的阻值不变;电压表V的示数与电流表
的示数之比等于滑动变阻器R1的大小,电阻是变大的。
故ABD错误,C正确。
故选C。
9. 如图所示,从A点沿水平桌面自由滚落的小球运动轨迹如虚线所示,C、F两处等高,D为球与水平地面的接触点,不计空气阻力,下列说法不正确的是( )
A. 小球在C点的机械能等于在F点的机械能
B. 小球在C点的动能大于在F点的动能
C. 小球从E点到F点的过程中,机械能不变
D. 小球从D点离开地面到达E点的过程中,动能转化为重力势能
【答案】A
【解析】
【详解】A B.C点运动到F点的过程,由于物体与地面发生碰撞,且上升的高度E点低于B点,故机械能有损失,小球在C点的机械能大于在F点的机械能;由图知C、F两处等高,小球的重力势能相同,但小球在 C点动能大于F点的不同,A错误,符合题意,B正确,不符合题意;
C.小球从E点到F点过程中,不计空气阻力,只有重力做功,故机械能守恒,C正确,不符合题意;
D.小球从D点离开地面时,弹性势能转化为动能;小球从D点离开地面到达E点的过程中,动能转化为重力势能,D正确,不符合题意。
故选A。
10. 如图所示,两个相同的圆柱形容器放在水平桌面上,分别装有甲、乙两种不同的液体。将体积相同、密度不同的实心球A、B分别放入容器中静止时,A球悬浮,B球漂浮,
,且两种液体对容器底的压强相等,下列说法正确的是( )
A. 两个小球受到的重力:![]()
B. 两个小球受到的浮力:![]()
C. 两种液体的密度:![]()
D. 两个容器对桌面的压强:![]()
【答案】BD
【解析】
【详解】C.两种液体对容器底的压强相等,且
,由
可知,两种液体的密度关系为
,故C错误;
B.A小球完全浸没在甲液体中,排开甲液体的体积等于A小球的体积,B小球漂浮在乙液体中,排开乙液体的体积小于B小球的体积,因为两小球体积相等,所以两小球排开液体的体积关系为
,由
可知,两个小球的浮力关系为:
,故B正确;
A.因为A小球在甲液体中沉底,
;B小球漂浮在乙液体中,受到的重力
,所以两个小球的重力关系为
,故A错误;
D.两种液体对容器底的压强相等,受力面积相等,根据
可知,甲和乙两种液体对容器底的压力相等,都为F,又因为容器为柱形容器且力的作用是相互的,所以液体对容器底的压力等于液体的重力和物体受到浮力之和,即
![]()
甲容器对桌面的压力等于容器的重力、液体的压力、实心球A对底面的压力之和
![]()
乙容器对桌面的压力为
![]()
即两个容器对桌面的压力关系为
,由于两个容器底面积相等,由
可知,两个容器对桌面的压强关系为
,故D正确。
故选BD。
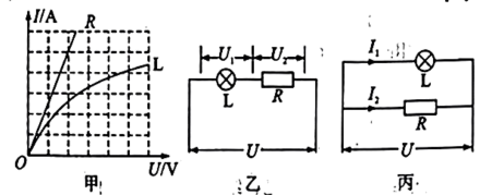
11. 如图所示,甲图是灯泡L和定值电阻R的
图像,将L和R先后以乙、丙图两种方式连在同一电源上,若乙图中
,丙图中
,则下列选项中不正确的是( )

A.
B.
C.
D. ![]()
【答案】D
【解析】
【详解】D.图乙中,灯泡与电阻串联,由欧姆定律可知,当电流相同时,电压与电阻成正比,即
![]()
图丙中,灯泡与电阻并联,由欧姆定律可知,当电压相同时,电流与电阻成反比,即
![]()
由图象甲可知,灯泡电阻随电压增大而增大,而乙图中灯泡两端电压比丙图中小,所以
![]()
则
![]()
即
ab <1
故D错误,符合题意;
ABC.由图象甲可知,在电流相同时,灯泡的电压较大,即
![]()
则
![]()
由前面的解答可知
![]()
则可得
![]()
比较可知
![]()
故ABC正确,不符合题意。
故选D。
第II卷 非选择题(共90分)
填空题(本大题共11小题,每空1分,共23分)
12. 图甲中铅笔的长度是___________cm;图乙中天平横梁平衡,木块的质量是___________g。
【答案】 ①. 6.00 ②. 157.8
【解析】
【详解】[1]由图甲可知,刻度尺的分度值为0.1cm,铅笔的左端与刻度尺的0刻度线对齐,铅笔的右端位于刻度尺的6.0cm刻度线处,估读到分度值的下一位,故可知该铅笔的长度为6.00cm。
[2]由图乙可知,天平的砝码质量为
m0=100g+50g+5g=155g
天平游码的分度值为0.2g,故天平游码的读数为m1=2.8g,故木块的质量为
m=m0+m1=155g+2.8g=157.8g
13. 智能音箱可以模仿很多动物的声音,该音响主要是模仿声音的______(选填“音调”“音色”或“响度”);休息时,智能音箱可以播放轻音乐舒缓身心但音量不能过大,是指声音的______(选填“音调”、“音色”或“响度”)要适中,以免影响听力。
【答案】 ①. 音色 ②. 响度
【解析】
【详解】[1]不同的发声体,发出声音的音色一般不同,而智能音箱可以模仿很多动物的声音,主要是模仿
声音的音色。
[2]休息时,智能音箱可以播放轻音乐舒缓身心,但音量不能过大,是指声音的响度不能太大,太大了会对人耳有影响。
14. 端午节煮粽子时,空气中弥漫着清香,这是___________现象。荷叶上的两滴水珠相遇时,能汇合成一滴较大的水珠是因为分子之间存在___________(选填“引力”或“斥力”)。攀登珠峰的运动员佩戴的护目镜能有效防止___________(选填“红外线”或“紫外线”)的伤害。
【答案】 ①. 扩散 ②. 引力 ③. 紫外线
【解析】
【详解】[1]能闻到粽子的清汤香味是由于分子不停地做无规则运动形成的扩散现象。
[2]水珠相遇后之所以会合成一滴是因为当分子相互靠近时分子间存在着相互作用的引力,将两滴水珠合成了一滴。
[3]护目镜能有效防止来自太阳的辐射,主要是能阻挡太阳光中的紫外线。
15. 在家庭电路中,为了防止触电,必须把用电器的开关装在___________线上;当把一个60W的台灯插头插入插座时,家中原来正常的其它用电器突然都停止工作,发生这种现象的原因可能是插头处___________。
【答案】 ①. 火 ②. 短路
【解析】
【详解】[1]为了安全,用电器的开关必须装在火线上,以防止用电器断开后仍带电。
[2]由于当台灯插头插入插座时,原本正常的其它用电器都停止工作,则没有电流流过用电器,发生了短路,则发生这种现象的原因可能是插头处短路。
16. 物理应用于生活。厨房中常在光滑的瓷砖上用到免打孔挂钩,使用时将吸盘用力按压到瓷砖上,由于___________的作用,挂钩将“吸”在瓷砖表面。刮大风时,当风沿着窗外的墙面吹过,窗口悬挂的窗帘会飘向窗外,这是由于窗外空气的流速大、压强___________(选填“大”或“小”)造成的。
【答案】 ①. 大气压强 ②. 小
【解析】
【详解】[1]将吸盘用力按压到瓷砖上时,吸盘内的空气被排出,在大气压强的作用下吸盘被压在瓷砖上,从而使得挂钩“吸”在瓷砖表面;
[2]当风沿着窗外的墙面吹过时,窗外的空气流速大、压强小,窗内的空气流速小,压强大,窗帘在压强差的作用下会飘向窗外。
17. 小明乘坐C43次动车,11∶58从甘洛南站发车,13∶48到达德昌西站,已知甘洛南到德昌西的路程约272km,这段路程的平均速度约为___________km/h(结果保留整数);在西昌西站上下乘客时,小明看到相邻站台上的另一辆动车正向北行驶,以那辆动车为参照物,C43次动车是向___________运动的(选填“南”或“北”),在行驶途中桌上的苹果突然向前滚动,此时动车正在做___________(选填“加速”“匀速”或“减速”)运动。
【答案】 ①. 148 ②. 南 ③. 减速
【解析】
【详解】[1]由题意可知,这段路程的距离为s=272km,这段路程的行驶时间为
![]()
故由
可得,这段路程的平均速度约为

[2]以站台为参照物,另一辆动车相对于站台向北运动,而以那辆动车为参照物,C43次动车向南运动。
[3]在行驶途中桌上的苹果突然向前滚动,是由于动车正在做减速运动,而苹果由于惯性仍然要保持原来的运动状态不变,故此时苹果会向前突然滚动。
18. 如图所示,工人用A、B两个相同的滑轮组成的滑轮组提升重540N的物体,所用的拉力F为200N,物体以0.2m/s的速度匀速上升了10s。不计绳重及摩擦,拉力F所做的功为___________J,C处天花板受到的拉力为___________N;若匀速提升重240N的物体,滑轮组的机械效率为___________。
【答案】 ①. 1200J ②. 460N ③. 80%
【解析】
【详解】[1]由题意知,物体上升的高度为
![]()
由图可知承担物重绳子的股数为n=3,则绳端移动的距离为
![]()
由
得,提升重540N的物体时拉力F做的功为
![]()
[2]因为不计绳重及摩擦时
![]()
所以动滑轮重力为
![]()
根据题意知,C处天花板受到的拉力为
![]()
[3]因为不计绳重及摩擦时,机械效率为
![]()
所以提升重240N物体时滑轮组的机械效率为
![]()
19. 小华在探究“不同物质的吸热能力”时,用相同的电加热器对质量均为1kg的水和另一种液体同时进行加热(不考虑热损失)。已知液体的比热容小于水的比热容,通过实验画出温度随时间变化的图像如图所示,分析图像可知:水在5min内吸收的热量为___________J,液体的比热容为___________
。
【答案】 ①.
②. ![]()
【解析】
【详解】[1]根据
及图像可得,水在20min内吸收的热量为
![]()
则水在5min内吸收的热量为
![]()
[2]根据
及图像可得,液体和水在15min内吸收的热量相同,可得液体的比热容为

20. 如图所示,物块A重15N、B重5N,B放在A上。用100N的水平推力F将A压在竖直墙上,恰能让A和B一起匀速下滑,A所受到的摩擦力是___________N。推力F保持不变,将B拿走,在A的下方施加一个竖直向上的力
,使物体A恰好向上做匀速直线运动,则
的大小为___________N。
【答案】 ①. 20 ②. 35
【解析】
【详解】[1]当A和B匀速下滑时,为平衡状态,受力平衡,A所受到的摩擦力等于A与B的重,所以摩擦力为
![]()
[2]根据影响摩擦力的因素知,当推力F保持不变时,A与墙面的摩擦力不变,仍为20N,在A的下方施加一个力F1,使物体A恰好向上做匀速直线运动,仍然为平衡状态,即F1与A的重和摩擦力平衡,故
![]()
21. 如图甲所示电路,电源电压不变,R1、R2是定值电阻,R2=2R1,闭合开关S,电流表和电压表示数如图乙,则通电5min后,R1、R2产生的总热量为___________J。
【答案】450
【解析】
【详解】由图中可知,R1与R2并联,电流表测流过R2的电流,电压表测电源电压,电流表选择小量程,故可知流过R2的电流为I2=0.2A,电压表选择小量程,故可知电源电压为U=2.5V,则由欧姆定律可知,电阻R2的阻值为
![]()
则电阻R1的阻值为
![]()
由欧姆定律可得,流过R1的电流为
![]()
由并联电路中的电流规律可得,干路中的电流为
I=I1+I2=0 4A+0.2A=0.6A
故由焦耳定律可得,通电5min后,R1、R2产生的总热量为
![]()
22. 如图甲,电源电压保持不变,闭合开关S,滑动变阻器滑片从b点滑到a点过程中,两个电压表示数随电流表示数变化的图象如图乙所示.则该过程中电路的总功率最大值为______W.

【答案】36
【解析】
【详解】由电路图知,滑动变阻器R和电阻R0串联,电压表V1测R0两端电压,V2测R两端电压,电流表测电路中电流. 滑动变阻器的滑片P从b点滑到a点的过程中,滑动变阻器R连入电路的电阻变小,电路中的电流变大,根据串联电路的分压原理可知:滑动变阻器两端的电压变小,R2两端的电压变大;所以图乙中dc是表示电压表V2的示数随电流表示数变化的图线,ec是表示电压表V1的示数随电流表示数变化的图线;
由电路图知,P在b点时,电路中电阻最大,电流最小,由图象可以看出,滑片P在b点时电流Ib=1A,U1=2V、U2=10V,
所以电源电压:U=U1+U2=2V+10V=12V,
滑片P在a点时,电路中电阻最小,电流最大,所以最大电流Ia=3A,
所以电路消粍的总功率最大值:
P=UIa=12V×3A=36W.
六、作图题(本大题共4小题,39、40、42题各2分,41题3分,共9分)
23. 如图所示,电流表正确连接在电路中,通电时请在括号中标出电源的正负极及小磁针静止时的N极。

【答案】
【解析】
【详解】由电流表的使用方法可知,电流应从电流表的正极流入,负极流出,故可知电源的左端为正极,右端为负极,即电流从螺线管的左端流入,右端流出,由安培定则可知,通电螺线管的左端为S极,右端为N极,再由磁极间的相互作用可知,小磁针静止时左端为S极,右端为N极,如下图所示:

24. 如图所示,螺髻山索道的封闭式轿厢随钢索向下方做匀速直线运动,请画出静止在轿厢内物体A的受力示意图。
【答案】
【解析】
【详解】对物体A受力分析可知,物体A受到竖直向下的重力G和竖直向上的轿厢对物体A的支持力F,且物体A做匀速直线运动,处于受力平衡状态,若轿厢对物体A有水平方向的摩擦力,则此时物体A在水平方向将受力不平衡,故可知物体A受到竖直向下的重力G和竖直向上的轿厢对物体A的支持力F,两个力大小相等,方向相反,如下图所示:
25. 如图甲是自行车的手闸,其中ABO部分可视为一个杠杆,其简化示意图如图乙,O为支点,
为阻力,请在图乙中画出:
(1)作用在A点的最小动力
及其力臂
;
(2)阻力
的力臂
。
【答案】
【解析】
【详解】由杠杆平衡条件可知,在阻力跟阻力臂的乘积一定时,动力臂越长,动力越小;图中支点在O点,因此OA作为动力臂
最长,动力的方向应该垂直OA向上,过点A垂直于OA向右作出最小动力
的示意图;从支点O作阻力F2作用线的垂线,支点到垂足的距离为阻力臂
,如图
26. 如图所示,凸透镜的主光轴与水面重合,F是凸透镜的焦点,水下有一块平面镜M,一束与水面平行的光线经凸透镜折射后进入水中,再经水中的平面镜反射后恰过P点,请将光路图补充完整。
【答案】
【解析】
【详解】由凸透镜折射的规律可知,平行于主光轴的光线经凸透镜折射后,折射光线经焦点射出,故平行光线经凸透镜折射后,折射光线经焦点F射出,折射光线射向水面后,会发生折射,此时的入射点为F,折射光线射向水中的平面镜后,会发生反射,反射光线经过P点,由光的反射规律可知,入射光线与反射光线分居法线两侧,反射角等于入射角,故可在平面镜上找到一点Q,使得入射光线FQ与法线的夹角等于反射光线QP与法线的夹角,光路图如下图所示:
七、实验探究题(本大题共3小题,每空1分,共14分)
27. 小丁在探究凸透镜成像规律的实验中:
(1)当烛焰、焦距为10cm的凸透镜A位于图甲中位置时,光屏上得到一个清晰的像,该像是一个倒立、___________(选填“放大”“缩小”或“等大”)的实像;
(2)保持蜡烛位置不变,小丁用焦距为5cm的凸透镜B在原位置替换凸透镜A,要使光屏上仍得到烛焰清晰的像,应该将光屏向___________(选填“靠近”或“远离”)凸透镜B的方向移动;
(3)如图乙所示,蜡烛和凸透镜之间放上近视眼镜,光屏上能得到清晰的像,若取下眼镜,要在光屏上重新得到清晰的像,应将光屏___________(选填“靠近”或“远离”示)凸透镜。
【答案】 ①. 缩小 ②. 靠近 ③. 靠近
【解析】
【详解】(1)[1]由图甲可知,此时物距大于像距,故由凸透镜成像的规律可知,此时凸透镜所成的像为倒立、缩小的实像。
(2)[2]用焦距为5cm的凸透镜B在原位置替换凸透镜A后,凸透镜对光的偏折能力增强,此时光线会聚点将位于光屏左侧,故要使光屏上仍得到烛焰清晰的像,应将光屏向靠近凸透镜B的方向移动。
(3)[3]近视眼镜对光线具有发散作用,取下眼镜后,光线会聚点将向靠近凸透镜的方向移动,故要在光屏上重新得到清晰的像,应将光屏靠近凸透镜。
28. 物理课上,同学们利用压强计“研究液体内部压强”,进行了如下的操作。
(1)实验前,用手指按压橡皮膜,发现U形管中的液面升降灵活,说明该装置___________(选填“漏气”或“不漏气”);
(2)通过比较___________两图,可得出结论:同一种液体的压强随深度的增加而增大;
(3)通过比较D、E两图,可探究液体压强与___________的关系;
(4)通过比较A、B、C三图,可得出结论:同种液体在相同深度向各个方向的压强___________;
(5)某次实验时,小王同学将探头放入水下,U形管两侧水面高度差为10cm,此时U形管内外的气压差为___________Pa。
【答案】 ①. 不漏气 ②. CD ③. 液体密度 ④. 相同 ⑤. ![]()
【解析】
【详解】(1)[1]根据装置气密性的知识可知,用手指按压橡皮膜,发现U形管中的液面升降灵活,说明该装置不漏气。
(2)[2]通过比较CD两图,液体的密度不变,深度越深,液体的压强越大,所以,可得出结论:同一种液体的压强随深度的增加而增大。
(3)[3]通过比较D、E两图,液体的深度是相同的,液体的密度不同,液体的压强就不同,所以,可探究液体压强与液体密度的关系。
(4)[4]通过比较A、B、C三图,液体密度和液体深度相同时,橡皮膜的方向不同,U形管的液面高度差相同,所以,可得出结论:同种液体在相同深度向各个方向的压强相同。
(5)[5]根据题意可知,U形管两侧水面高度差为10cm,此时U形管内外的气压差为
![]()
29. 小李利用以下器材探究“电流与电阻的关系”:学生电源、电流表(0~0.6A)、电压表(0~3V)、定值电阻(5Ω、10Ω、20Ω各一个)、开关、滑动变阻器和导线若干。
(1)请根据图甲所示的电路图,用笔画线代替导线将图乙所示的实物连接成完整电路(连线不得交叉);___________
(2)连接电路时,开关应___________(选填“断开”或“闭合”),且应将滑动变阻器的滑片移到最___________(选填“左”或“右”)端;
(3)小李把学生电源调至6V,将定值电阻依次接入电路,调节滑动变阻器的滑片,保持电压表示数不变,记下电流表的示数,得到图丙所示的电流I随电阻R变化的图像,由图像可以得出结论:电压一定时,电流与电阻成___________(选填“正比”或“反比”);
(4)正确连接电路后,实验中小李发现电压表示数突然变大,电流表示数几乎为零,则可能是定值电阻出现___________故障;
(5)在图丙中,定值电阻的阻值为5Ω和20Ω时,滑动变阻器的电功率分别为P1和P2,则P1∶P2=___________。
【答案】 ①.
②. 断开 ③. 右 ④. 反比 ⑤. 断路 ⑥. 4∶1
【解析】
【详解】(1)[1]由图甲可知,电压表测定值电阻两端电压,电流表测电路中电流,电压表应并联在定值电阻两端,电路连接如下图所示:
(2)[2][3]连接开关时,为了保护电路,开关应断开,且为了防止电路中电流过大,应将滑动变阻器的滑片滑到阻值最大处,故由图乙可知,应将滑动变阻器的滑片移到最右端。
(3)[4]由图丙可知,流过定值电阻的电流值与对应的定值电阻两端的电压值的乘积不变,故可得出结论:电压一定时,电流与电阻成反比。
(4)[5]实验中若电压表示数突然变大,电流表示数几乎为零,则可能是电路中出现了断路,此时电压表直接并联进电路,测量电源电压,故此时可能是定值电阻出现了断路故障。
(5)[6]由图丙中可知,当定值电阻阻值为R1=5Ω时,此时流过定值电阻的电流为I1=0.4A,则此时流过滑动变阻器的电流也为I1=0.4A,当定值电阻阻值为R2=20Ω时,此时流过定值电阻的电流为I2=0.1A,则此时流过滑动变阻器的电流也为I2=0.1A,且定值电阻两端的电压不变,电源电压也保持不变,则由串联电路的电压规律可知,滑动变阻器两端的电压也保持不变,故由P=UI可得
P1∶P2=UI1∶UI2=I1∶I2=0.4A∶0.1A=4∶1
八、计算题(本大题共2小题,46题5分,47题7分,共12分。解答过程必须写出必要的文字说明、公式和重要的演算步骤,只写最后答案的不能得分,有数值计算的题,答案中必须明确写出数值和单位)
30. 某电吹风的简化电路图如图所示,R1、R2是电热丝,M是电动机,开关S闭合,S1、S2断开时吹冷风,通过电动机的电流为0.5A;S、S1闭合,S2断开时吹温风,R1的阻值为110Ω;S、S1、S2均闭合时吹热风,电吹风的总功率为1100W。求:
(1)吹冷风时电动机的功率;
(2)吹温风时电路中的总电流;
(3)R2的阻值。
【答案】(1)110W;(2)2.5A;(3)88Ω
【解析】
【详解】解:(1)由电路图可知,开关S闭合、S1、S2断开时,只有电动机M接入电路,此时吹冷风,通过电动机的电流为I=0.5A,故由P=UI可得,吹冷风时电动机的功率为
P=UI=220V×0.5A=110W
(2)当S、S1闭合、S2断开时,电动机M与R1并联,此时吹温风,由欧姆定律可得,此时流过电阻R1的电流为
![]()
故由并联电路中的电流规律可知,吹温风时电路中的总电流为
I温=I+I1=0.5A+2A=2.5A
(3)S、S1、S2均闭合时,电动机M、R1、R2均并联,此时吹热风,则此时电阻R2的电功率为
P2=P总-P-P1=1100W-110W-220V×2A=550W
故由
得,电阻R2的阻值为

答:(1)吹冷风时电动机的功率为110W;
(2)吹温风时电路中的总电流为2.5A;
(3)R2的阻值为88Ω。
31. 邛海湿地公园湖边的一个圆台形花岗石墩(形状如图甲)不慎落入1.9m深的湖底,该石墩的上表面积为
,下表面积为
,高为0.9m,质量为1.482t。工人师傅用起重机将其匀速吊出水面,起重机的功率为440W。石墩从刚好脱离湖底上升到上表面与水面相平共耗时50s(如图乙)。花岗石密度
,不考虑石墩在水中运动受到的阻力。求:
(1)石墩的体积;
(2)石墩上升过程中,起重机的效率;
(3)若起吊前石墩与平整的湖底紧密接触(如图丙),湖底对石墩的支持力。
【答案】(1)
;(2)67%;(3)![]()
【解析】
【详解】解:根据
,可得石墩的体积为
![]()
(2)石墩上升过程中,有用功为
![]()
起重机做的总功为
![]()
起重机的效率为

(3)由于起吊前石墩与平整的湖底紧密接触,则石墩不受到浮力,可知湖底对石墩的支持力等于重力和水对石墩的压力,即有
![]()
![]()
可得,湖底对石墩的支持力
![]()
答:(1)石墩的体积为
;
(2)石墩上升过程中,起重机的效率为67%;
(3)湖底对石墩的支持力为
。
