2023年1月浙江普通高校招生选考技术试题及答案
考生须知:
1.考生答题前,务必将自己的姓名、准考证号用黑色字连的签字笔或钢笔填写在答题纸上。
2.选择题的答案须用2B铅笔将答题纸上对应题目的答案标号涂黑,如要改动,须将原填涂处用橡皮擦净。
3.非选择题的答案须用黑色字迹的签字笔或钢笔写在答题纸上相应区域内,作图时可先使用2B铅笔,确定后须用黑色字迹的签字笔或钢笔描黑,答案写在本试题卷上无效。
第一部分 信息技术(共50分)
一、选择题(本大题共12小题,每小题2分,共24分。每小题列出的四个备选项中只有一个是符合题目要求的,不选、多选、错选均不得分)
l.下列关于数据和信息的说法,正确的是( )
A.数据的表现形式只能是文字和图像 B.同一信息对所有人而言其价值是相同的
C.计算机中保存的数据可以是未经数字化的 D.信息是数据经分析、解释后得到的
2.下列关于人工智能的说法,不正确的是( )
A.深度学习方法一般脱离数据进行学习
B.采用行为主义方法的智能体通过与环境的交互学习提升智能
C.符号主义人工智能的实现依赖对符号的推理和运算
D.人工智能促进社会发展的同时也会带来一定的社会担忧
阅读下列材料,回答第3至5题。
某水果连锁店“智能收银系统”中,AI收银秤具备自动识别水果品种、称重、应付金额计算、扫码支付等功能,同时还具备和服务器数据库进行数据交换的功能。该系统主要设备的部分参数与功能如下表所示:
服务器 | AI收银秤 |
显示器:1280×1024 CPU:八核2.30GHz 硬盘:4TB 操作系统:Linux | 显示器:1920×1080 AI摄像头:自动识别水果品种 CPU:四核1.80GHz 扫码摄像头:支持多种付款码扫码 硬盘:64GB 秤体:内置传感器支持精确称重 操作系统:Windows 打印机:打印购物小票 |
3.下列关于该信息系统组成的说法,正确的是( )
A.Linux属于该系统的应用软件
B.该信息系统中的用户只有客户和店员
C.服务器和AI收银秤均属于该系统的硬件
D.服务器硬盘容量是AI收银秤硬盘容量的16倍
4.为提升该信息系统数据的安全性,下列措施中不合理的是( )
A.为系统不同的授权用户设置相应的权限 B.非营业时间关闭服务器防火墙
C.升级服务器端杀毒软件 D.定期备份服务器中数据
5.下列关于该信息系统中数据的说法,不正确的是( )
A.选购水果的重量数据可由秤体内置传感器采集得到
B.选购水果的品种数据可由AI摄像头自动识别得到
C.顾客付款码数据无需事先存放于该系统数据库
D.应付金额的计算只能在服务器端完成
6.下列关于网络技术的说法,正确的是( )
A.无线网络中的数据通信不需要传输介质
B.网络协议是实现不同网络之间正确通信的基础
C.网络中的资源就是指网络中的所有硬件资源
D.移动终端之间只能通过移动通信网络进行通信
7.某算法的部分流程图如图所示,执行这部分流程,若输入x的值依次为l0,7,8,12,0,则输出k的值是( )

A.2 B.3 C.4 D.5
8.下列二叉树中,中序遍历结果为BAEDFC的是( )
A.
B.
C.
D. 
9.有1个队列,队首到队尾的元素依次为8,3,2,9,5。约定:T操作是指队列中1个元素出队后再入队,Q操作是指队列中l个元素出队。则经过TTTQTTQ系列操作后,队列中队首到队尾的元素依次为( )
A.2,9,5 B.2,5,8 C.5,8,2 D.8,3,2
10.列表s包含8个互不相等的元素,即s[0],s[1],s[2],……,s[7],有如下Python程序段:
n=8
for i in range(l,n-l):
for j in range(l,n-i-l):
if s[j]>s[j-l]
s[j],s[j-1]=s[j-1],s[j]
该程序段实现的是( )
A.s[0]到s[5]的降序排列 B.s[1]到s[6]的降序排列
C.s[1]到s[7]的升序排列 D.s[2]到s[6]的升序排列
11.定义如下函数:
def rf(n):
if n<3:
return n
return rf(n-1)+rf(n-3)
执行语句v=rf(5),函数r被调用的次数是( )
A.11 B.5 C.7 D.15
12.有如下Python程序段:
import random
a='A','B','#','#','C','D','#']
stk=[0]*len(a);top=-l
for i in range(len(a)):
op=random. randint(0,1) # 随机生成0或1
if op= =l and a[i]l='#":
top+=l;stk[top]=a[i]
a[i]='#'
elif op= =0 and topl=-1 and a[i]= ='#':
a[i]=stk[top];top-=l
执行该程序段后,a的值不可能的是( )
A.['A','B','#','#','C','D','#'] B.'#','#','#','#','#','#','#']
C.['#','B','#','#','C';'D','A'] D.'#','#','A','B','C','D','#']
二、非选择题(本大题共3小题,其中第13小题8分,第14小题9分,第15小题9分,共26分)
13.小明为家庭小菜园搭建了环境温湿度监测系统,该系统结构示意图如第13题图所示。Web服务器端程序采用FlaskWeb框架开发。传感器采集的数据由智能终端经IOT模块发送到Web服务器,执行器用于实现温湿度的控制。请回答下列问题:

(1)下列选项标注了第l3题图中虚线框内的智能终端与传感器执行器之间的数据传输关系,其中合理的是____________(单选,填字母)。
A.
B.
C. 
(2)该系统网络应用软件的实现架构是_________(单选,填字母:A.BS架构/B.C/S架构)。
(3)若传感器的编号id为1,湿度值h为60提交数据到Web服务器的URL为http://192.168.1.6:5000/toserv?h=60&id=1,则服务器端应用实例app中与该URL.关联的路由设置语句是@app-route('___________')。
(4)菜园里的蔬菜适宜生长的空气温度范围是tmin-tmax.现要求当温度t正常、偏低、偏高时,将sta的值对应设为0、1、2。下列Python程序段中符合要求的有__________(多选,填字母)。(注:全部选对的得2分,选对但不全的得1分,不选或有选错的得0分)
A.if t<tmin:
sta=1
I ft>tmax:
sta=2
else:
sta=0
B.if t< tmin.
sta=1
elif t>tmax:
sta=2
else:
sta=0
C.sta=0
if t<tmin:
sta=l
else:
sta=2
D.sta=0
if t<tmin:
sta=1
if t>tmax:
sta=2
(5)小明设定采集并上传数据的时间间隔为1分钟。他用浏览器查看温湿度页面,页面动态显示最新的温度、湿度及其采集时间。系统正常工作一段时间后,他发现该页面不再变化,剧新后仍不变。结合第13题图,简要说明系统中可能造成上述问题的原因___________(本系统中,传感器损坏传感器和智能终端连接异常,不会造成上述问题)。(注:回答2项,1项正确得1分)
14.小红收集了部分城市202l年全年每大PM2.5、PM10、CO浓度数据。每大的数据分别保存在以8位日期字符串命名的CSV文件中,部分文件如第14题图a所示,每个文件记录了一天24小时的监测数据。示例如第l4题图b所示。

为统计分析城市A全年各月份PM2.5的月平均浓度(当月的日平均浓度的平均值),编写Python程序。请回答下列问题:
(l)定义pmday函数,功能为:读取某天的CSV文件,返回城市A当天PM2.5的日平均浓度。函数代
码如下,划线处应填入的代码为<单选,填字母)。
A.df['类型']= ='PM2.5 B.df['类型'=='PM2.5']
C.df[df['类型']]= ='PM2.5' D.df[df['类型']=='PM2.5']
import pandas as pd
def pmday(dayfile)
df=pd read_csv(dayfile) #读取文件dayfile中的数据
df=____________
return df['城市A'].mean() #返回城市A当天PM2.5的日平均浓度
(2)统计城市A各月份PM2.5的月平均浓度并绘制线型图。部分Python程序如下,请在划线处填写合适的代码:
import matplothb. pyplot as plt
def tstr(t):
if t<l0:
retrun '0'+str(t)
else:
retrun str(t)
pm=[0]*12
mdays=[31.28.31.30.31.30.31.31.30.31.30.31]
for m in range(12)
sm=0
mstr=tstr(m+1)
for d in range( ① ):
dstr=tstr(d+l)
day file='202l'+mstr+ dstr+'.csv'
sd=pmday(dayfile)
②
pm[m]=sm/mdays[m]
x=[1,2,3,4,5,6,7,8,9,10,11,12]
y= ③
plt. plot(x,y) #绘制线型图
#设置绘图参数,显示如第14题图c所示线型图,代码略

(3)城市A 2021年PM2.5年平均浓度为34.6微克/立方米。由第14题图c可知,城市A 2021年PM2.5月平均浓度超过年平均浓度的月份共________个。
15.有2组器件共n个,要用一台检测设备检测。每个送检器件的信息包含送达时间、检测时长和优先级。优先级有m(l<m<6)个等级。由高到低分别用0-m-l的整数表示。每个机器件的送达时间各不相同,已送达的器件按照各优先级通道分别排队,先到达先入队,设备每次检测都从当前各非空队列中,选取优先级最高的队列的队首器件出队进行检测。(同一时刻出现入队和出队时,先处理入队。)
编写程序模拟检测过程,先合并2组器件的数据,然后计算所有器件的平均等待时长,其中每个器件等待时长为其开始检测的时间与送达时间的时间差。(时间单位均为秒)
请回答下列问题:
(l)由题意可知,第l5题图中器件A、B、C、D的检测顺序为A-C-D-B,A、C、D的等待时长分别为0、l、0,B的等待时长是__________。

(2)定义如下merge(1stl,lst2)函数,参数lstl和lst2的每个元素由送达时间、检测时长和优先级3项构成,1stl和lst2均已按送达时间升序排列。函数功能是将lst2中的元素合并到1stl中,并将1stl按送达时间升序排列,函数返回1stl。
def merge(1stl,Ist2)
i=len(lstl)-l
j=len(lst2)-1
for t in range(len(lst2)):
1stl.append([0,0,0]) #为1stl追加一个元素[0,0,0]
k=len(1stl)-1
while j>=0
if i>=0 and 1stl[i][0]>lst2[j][0]:
1stl[k]=1stl[i]
i-=l
else:
1stl[k]=lst2[j]
j-=l
k-=1
return 1stl
①调用merge(1stl,lst2)函数,若1stl为([0,3,2],[1,1,2],[12,2,2]],1st2为[2,l,1],[4,3,0],[1l,3,2]],则while语句中循环体的执行次数是___________。
②若函数中while语句的条件“j>=0”误写为“k>=0”,会导致某些情况下无法得到符合函数功能的结果。调用merge(1stl,lst2)函数,下列4组数据中能测试出这一问题的是_________(单选,填字母)。
A.1stl=[[0,3,2],[4,3,0]]
lst2=[[1,1,2J]
B.1stl=[[1,1,2]]
1st2=[[0,3,2],[4,3,0]]
C.1stl=[[l,1,2],[4,3,0]]
lst2=[[0,3,2]]
D.1stl=[[4,3,0]]
1st2=[[0,3,2],[l,1,2]]
(3)实现模拟检测过程并计算平均等待时长的部分Python程序如下,请在划线处填入合适的代码。
def proc(data,m):
n=len(data)
queinfo=[]
for i in range(m):
queinfo append([-l,-1]) #queinfo追加一个元素[-l,-1]
for i in range(n):
data[i].append(-1) #data]追加一个元素-1
curtime=0
waitnum=0
i=0
①
while i<n or waitnum>0:
if i<n and datalill0]<=curtime:
k=data[i][2]
if queinfo[k][0]==-l:
queinfo[k][0]=i
else:
②
data[p][3]=i
queinfo[k][1]=i
waitnum+=l
i+=l
elif waitnum>0:
k=0
while queinfo[k][0]= =-1:
k+=l
p=queinfo[k][0]
total +=curtime-data[p][0]
curtime+=data[p][1]
③
waitnum-=1
else:
curtime=data[i][0]
return total/n
读取2组器件的数据,分别存入列表data1和data2中。2个列表的每个元素包含3个数据项,分别对应器件的送达时间、检测时长和优先级。data1和data2中的数据已分别按送达时间升序排列,代码略
读取优先级等级个数存入m,代码略
…
data=merge(data1,data2)
print(proc(data,m))
2023年1月浙江省普通高校招生选考科目考试
技术试题参考答案
第一部分信息技术(共50分)
一、选择题(本大题共12小题,每小题2分,共24分)
题号 | 1 | 2 | 3 | 4 | 5 | 6 | 7 | 8 | 9 | 10 | 11 | 12 |
答案 | D | A | C | B | D | B | B | C | B | A | C | D |
二、非选择题(本大题共3小题,其中第13小题8分,第14小题9分,第15小题9分,共26分)
13.(1)A(1分)
(2)A(1分)
(3)/toserv(2分)
(4)BD(2分)
(5)①连接物联网模块与Web服务器的无线路由器无法正常工作
②物联网模块损坏
③数据库数据量到一定程度不再更新
④Web服务器中数据库管理系统无法正常运行
(仅供参考)(2分)
14.(1)D(1分)
(2)①mdays[m] (2分)
②sm+=sd(2分)
③pm(2分)
(3)5(2分)
15.(1)6(1分)
(2)①4 ②A(2分)
(3)①total=0(2分)
②p= queinfo[k][1] (2分)
③queinfo[k][0]=data[p][3](2分)
第二部分通用技术(共50分)
一、选择题(本大题共12小题,每小题2分,共24分。每小题列出的四个备选项中只有一个是符合题目要求的,不选、多选、错选均不得分)
1.2022年11月,我国神舟十五号载人飞船成功发射,该飞船采用了多项改进的技术。下列关于技术性质的理解中不恰当的是( )
A.飞船发射要考虑多种因素,体现了技术的综合性
B.改进的技术使飞船更可靠,体现了技术的目的性
C.在解决舱门密封性检测耗时长问题的过程中,研发了快速检测技术,体现了技术的实践性
D.飞船处理器抗辐照加固技术的内容和体系复杂,体现了技术的复杂性
2.如图所示是为老人设计的椅子,造型上借鉴了明式“圈椅”的元素。内部采用两同心轴结构,使座面能随着身体的活动而运动。下列关于该椅子的分析与评价中不恰当的是( )

A.有助于活动身体,实现了人机关系的健康目标
B.座面可转动,符合设计的技术规范原则
C.同心轴结构使座面可转动,说明功能的实现需要相应的结构来保证
D.借鉴了明式“圈椅”造型,体现了技术与文化的有机结合
3.为了给窗户安装一个可开关的安全栅栏,小明设计了以下四种方案,其中不能开关的是( )
A.
B.
C.
D. 
4.下列是通用技术实践课上同学们进行的加工操作,其中不符合操作要领的是( )
A.
B.
C.
D. 
5.小明准备在通用技术实践室用实本板制作一个如图所示的工具篮,下列关于中间隔板加工流程的设计分析中不合理的是( )

A.用实木板加工时,先刨削再画线
B.加工外形时,先用板锯锯直边,再用钢丝锯锯曲边
C.加工提手孔时,先用手摇钻钻一排孔,再用钢丝锯锯割
D.提手孔倒角时,先用木工锉锉削,再用砂纸打磨
6.如图所示是两根传动轴连接结构的示意图。Md为驱动力矩,Mr为阻力矩。下列对工作时各个零件主要受力形式的分析中正确的是( )

A.轴1受剪切、套筒受压、圆锥销l受弯曲
B.轴l受扭转、套筒受扭转、圆锥销l受剪切
C.套筒受压、圆锥销2受剪切、轴2受扭转
D.套筒受扭转、圆锥销2受弯曲、轴2受剪切
7.如图所示是某形体的主视图和左视图,相对应的俯视图是( )

A.
B.
C.
D. 
如图所示的装配系统,包含工件输送子系统和机械手载配子系统,其工作过程:工件A整齐排列在传送带I上,当位置检测传感器检测到工件A时,传送带I暂停;工件B放置在传送带Ⅱ上,当工件B进入相机的拍摄范围时,传送带Ⅱ暂停;相机拍摄工件B的图像并传送到工控机,工控机根据工件B相对于基准位置的偏差确定工件B的坐标,控制机械手抓取工件A并装配到工件B上。请根据示意图和描述完成8-9题。

8.下列关于该装配系统的设计与分析中不恰当的是( )
A.工控机的运行速度会影响工件装配效率
B.位置检测传感器的可靠性对装配系统工作的稳定性没有影响
C.设计系统时需要根据产能要求计算传送带和机械手的运行速度
D.选择机械手时需要考虑工件A的质量大小
9.下列关于机械手装配子系统控制的分析中合理的是( )
A.装配速度是该装配子系统的被控量
B.基准位置的调整是工件装配的干扰因素
C.相机拍摄的工件B的图像信息是输入量
D.把工件A装配到工件B的过程采用了闭环控制方式
10.小明准备在面包板上搭建如图所示的电路,并探究5脚、2脚、3脚之间的电位关系,下列器材中不需要的是( )

A.
B.
C.
D. 
1l.如图所示的信号处理电路,M1为输入信号,M0为输出信号。下列输出波形与输入波形关系中可能的是( )

A.
B.
C.
D. 
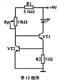
12.如图所示是小明设计的台灯模型的电路,工作时VT1、VT2均导通。下列分析中不合理的是( )

A.VT1、VT2均工作于放大状态 B.调大Rp的阻值,VD亮度变化不明显
C.电源电压改为12V,VD亮度基本不变 D.VT1放大倍数增加l倍,VD亮度明显变化
二、非选择题(本大题共3小题,第13小题8分,第14小题10分,第15小题8分,共24分。各小题中的“___________”处填写合适选项的字母编号)
13.小明为了在家中锻炼身体,准备在过道两侧墙壁之间安装一个简易单杠。小明首先上网收集相关资料,经过分析比较准备选择如图所示的产品。该产品长度可调,免钉安装,靠底座与墙面的摩擦力固定,但价格相对较高。小明根据该产品的安装要求对过道的墙面进行了简单测试,发现施加压力后墙面容易破损,不适合使用该产品,于是决定自己设计一种用膨胀螺栓安装的简易单杠。
请完成以下任务:

(l)小明在发现安装问题的过程中做的工作是(单选)______________;
A.上网收集资料; B.比较价格;C.测试墙面强度
(2)小明对收集到的信息进行分析,提出了以下设计要求:
A.杆的直径适合握持;
B.杆的握持部位要防滑;
C.适用于宽度为l100-l200mm的过道;
D.有足够的强度和刚度;
E.安装牢固可靠;
F.成本尽可能低。
其中与人机关系要实现的目标相关的有(多选)___________;
(3)根据设计要求,下列材料中适合用于制作单杠中间杆件的是(单选):
A.铜管; B.钢管; C.铝管; D.木棒
(4)根据设计要求,小明在构思单杠杆与两个安装座的连接结构方案时,决定采用一端可调另一端固定的形式,并设计了以下可调端的结构,其中能适用于过道任意宽度的有(多选)_________。
A.
B.
C. 
14.小明看到物流配送到小区后,都要靠人工将货物从卡车上卸下来(如图所示),当货物体积或质量较大时,货物容易滑下来,砸伤搬运人员、损坏货物。小明准备设计一个具有起重功能的装置辅助搬运人员将货物从车厢卸到地面。已知车厢底板离地高度为800mm,车厢底板至顶板距离为2500mm。装置设计要求如下:

(a)能将货物从车厢底板上卸到地面;
(b)在卸货过程中装置运动平稳可靠;
(c)能承载尺寸为800mm×600mm×l800mm(长×宽×高)、质量为l00kg的货物;
(d)安装在车厢尾部的底板或侧板上;
(e)驱动方式不限。
请完成以下任务:
(l)在头脑中构思符合设计要求的多个方案,画出其中最优方案的设计草图(装置安装设计到的车厢底板或侧板用线条表示,如果采用电机驱动,电机可用方框表示),简要说明方案的工作过程:
(2)在草图上标注主要尺寸:
(3)小明准备在装置安装后进行技术试验,并设计了试验方案。以下试验步骤中做法不合理的是__________(单选)。
A.准备一个托盘若干不同质量的码和一只尺寸为800mm×600mm×l800mm(长×宽×高)的开口纸箱;
B.将装置中承载构件(用于装载货物的构件)悬空,并锁定驱动构件;
C.将组合好的l00kg码加载到承载构件上,测试装置的强度是否符合要求,并记录测试结果;
D.将托盘放置在车厢底板上,在托盘上添加一定质量的砝码,将开口纸箱罩在托盘上并固定,操纵装置把带有砝码和纸箱的托盘从车厢移动到地面,测试装置运动是否平稳可靠,并记录测试结果;逐次添加砝码,重复上述过程,直至托盘与砝码总质量增加到100kg;
E.撰写试验报告。
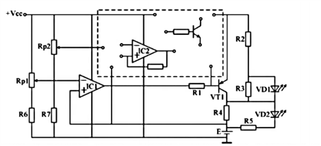
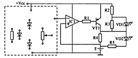
15.如图所示是小明设计的具有快慢充功能的电池充电电路。E是充满电压为l.5V的充电电池,快慢充转换的基准电压设定为l.42V。当电池快充到l.42V后,转换为慢充:两个发光二极管分别指示快充和慢充状态。请完成以下任务:

(l)根据电路原理分析,快充状态指示灯是(单选)_________;
A.VD1; B.VD2
(2)小明搭建了电路并通电测试,当IC1的输出为低电平时,VD1、VD2同时发光,无法正确指示快充与慢充状态,可能的原因有(多选)__________;
A.R1阻值偏大; B.R1阻值偏小; C.R4阻值偏小; D.R4阻值偏大
(3)小明在对题图电路的测试中发现电池充满后还保持充电状态,可能会造成安全隐患,于是决定改进电路,使电池充到l.5V后能自动停止充电。小明画出了部分电路,请在虚线框中连接给定的元器件,将电路补充完整;

(4)小明还发现电源电压波动时,会导致快慢充转换的基准电压也发生波动。为了稳定基准电压,需要在题图的基础上进行改进,请在虚线框中连接给定的元器件(二极管为硅管),将电路补充完整。

技术试题参考答案
第二部分通用技术(共50分)
一、选择题(本大题共12小题,每小题2分,共24分)
题号 | 1 | 2 | 3 | 4 | 5 | 6 | 7 | 8 | 9 | 10 | 11 | 12 |
答案 | A | B | C | D | C | B | A | B | C | D | A | D |
二、非选择题(本大题共3小题,其中第13小题8分,第14小题10分,第15小题8分,共26分)
13.(1)C(1分)
(2)ABDE(4分)
(3)B(1分)
(4)AC(2分)
14. (1)略(2)略(9分)
(3)C(2分)
15.(1)B(1分)
(2)AC(2分)
(3)如图(2分)

(4)如图(3分)

