2022年6月浙江普通高中学业水平选择性考试技术试题及答案
第一部分 信息技术(共50分)
一、选择题(本大题共12小题,每小题2分,共24分。每小题列出的四个备选项中只有一个是符合题目要求的,不选、多选、错选均不得分)
1.下列关于信息安全的说法,不正确的是( )
A.登录系统时进行刷脸认证,其作用是防止未经授权用户使用相关信息
B.泄漏的个人隐私信息可能被用于“量身定做”的精准诈骗
C.计算机磁盘中出现了很多来历不明的文件,可能是感染了病毒
D.接收好友发来的电子邮件,运行附件中的程序是安全的
2.下列关于网页和浏览器的说法,正确的是( )
A.网页中的图像、超链接等元素是由HTTP进行描述的
B.可以用搜索引擎根据关键字检索网页信息
C.通过网页中超链接访问的资源均为网页
D.将某网页的URL添加到收藏夹后,再次启动浏览器将自动访问该网页
3.小明开发“在线学习系统”,为学生提供在线选课和学习服务。使用Access软件设计该系统的数据库,部分界面如图所示。

下列说法正确的是( )
A.“在线学习系统”是数据库管理系统
B.在当前数据库中不能创建新的数据表
C.“学号”字段的数据类型不可能为“自动编号”
D.“考核”字段名称改为“是否通过”,该字段数据会丢失
4.下列关于信息编码的说法,正确的是( )
A.十进制数36转换为二进制数后,该二进制数中1的个数为4
B.二进制整数最右边增加1位后,奇偶性不会发生变化
C.某字符的ASCII码十六进制表示为74,在计算机中存储为二进制编码01110100
D.扫描某文字稿生成只有黑、白两种颜色的图像,每个像素至少用两位二进制数编码
5.使用GoldWave软件录制并编辑某音频文件,部分界面如图所示。

下列关于该音频的说法,正确的是( )
A.每个采样点量化值的编码长度为24字节
B.设置“淡出”效果可能会减少该音频的量化位数
C.删除选中部分后直接保存,其存储容量变为原来的1/2
D.另存为“旁白.mp3”文件的过程中采用了有损压缩编码方法
6.一个时长为80秒、2048×1080像素、24位色、25帧/秒的未经压缩的AVI格式无声视频文件,其存储容量约为( )
A.506.3MB B.1.5GB C.12.4GB D.98.9GB
7.下列VB表达式中,值最大的是( )
A.Asc(''F'')-Asc(''A'') B.Sqr(20) C.Rnd( )*5 D.Len(''2022'')
8.某算法的部分流程图如图所示,若输入n的值为17879,则输出s的值是( )

A.42 B.60 C.68 D.78
9.某排序算法的VB程序段如下:
'读取n个整数,依次存入a(1)到a(n)中,代码略
For i=1 To n - 1
For j=n To i+ 1 Step -l
If a(j)>a(j-1)Then t=a(j):a(j)=a(j-1):a(j-1)=t
Next j
Next i
执行上述程序段,下列说法正确的是( )
A.交换过位置的数据,可能会再回到其初始位置
B.执行完成后,数组元素a(1)到a(n)从小到大排列
C.若n为5,整个排序过程总的比较次数是20
D.整个排序过程总的交换次数至少为1
10.数组元素a(1)到a(n*2)为互不相等的正整数(n≥1),要在其中找到最大值和次大值,并分别存储到变量m1和m2中。实现该功能的VB程序段如下:
m1=0:m2=0
For i=1 To n * 2 Step 2
If a(i)>a(i+1)Then
t1=a(i):t2=a(i+1)
Else
t1=a(i+1):t2=a(i)
End If
If (1) Then
m1=t1:m2=t2
ElseIf (2) Then
m2=m1:m1=t1
ElseIf (3) Then
m2=t1
End If
Next i
上述程序段中方框处可选代码为:①t1>m1 ②t1>m2 ③t2>m1
则(1)(2)(3)处代码依次为( )
A.①②③ B.②③① C.③①② D.③②①
11.有如下VB程序段:
k=3:sum=0:j=0:c=0
For i=1 To Len(s)、
ch=Mid(s,i,1)
If ch >= ''0''And ch<= ''9'' Then
c=c * 10+Val(ch)
j=j+1
Else
If j=k Then sum=sum+c
j=0:c=0
End If
Next i
字符串s为''ab300cde2022fg002h'' 时,执行该程序段后,sum的值为( )
A.300 B.302 C.504 D.2324
12.有如下VB程序段:
n=6
For i=1 To n\2
flag=True:t=a(i+1)-a(1)
j=i+2
Do While j<=n And flag
If a(j)-a(j-i)=t Then j=j+1 Else flag=False
Loop
If j>n Then Exit For 'Exit For表示退出循环
Next i
整型数组元素a(1)到a(6)的值依次为“3,x,11,14,19,22”,执行该程序段后,变量i的值为2,则x的值为( )
A.5 B.6 C.7 D.8
二、非选择题(本大题共4小题,其中第13小题4分,第14小题8分,第15小题7分,第16小题7分,共26分)
13.收集某校高二(7)班2022年4月校园消费数据,并使用Excel软件进行处理,如第13题图a所示。

请回答下列问题:
(1)区域G4:I42的数据是通过公式计算得到的,在G4单元格中输入公式________,然后使用自动填充功能完成区域G4:I42的计算。(提示:各项消费占比是指该学生相应项目的消费金额占该学生三项消费总金额的百分比)
(2)为直观反映该月高二(7)班校园各项消费的占比情况,根据图a中的数据制作的图表如第13题图b所示。创建该图表的数据区域为D3:F3,_______。

(3)对图a中的数据进行分析,下列说法正确的有______(多选,填字母)。
A.当前选中的单元格是通过合并区域A1:I1得到的,单元格名称为A1
B.设置区域F4:F42的单元格格式为“数值”、1位小数,区域I4:I42中数据会发生改变
C.以“性别”为男、“食堂消费”小于400进行筛选,可以找出该班食堂消费低于400元的男生
D.选中区域D3:I42,按“超市消费”降序排序后,该班超市消费金额最高的学生姓名显示在B4单元格中
(注:全部选对的得2分,选对但不全的得1分,不选或有选错的得0分)
14.小王创作主题为“冬奥会中的人工智能”的多媒体作品。首先使用Photoshop软件处理图像,然后使用Flash软件制作动画作品。请回答下列问题:

(1)处理图像的部分界面如第14题图a所示。在当前状态下,下列操作可行的有______(多选,填字母)。
A.使用“矩形选框”工具选中文字“手语”并删除 B.使用“自由变换”命令对文字进行缩放和移动
C.选中“人物”图层并添加“光照效果”滤镜 D.选中“背景”图层并删除该图层
(注:全部选对的得2分,选对但不全的得1分,不选或有选错的得0分)
(2)制作动画作品的部分界面如第14题图b所示,当前选中的内容是“冬奥会中的人工智能”。“标题”图层第1帧到第10帧的补间类型为_______(选填:动画/形状)。“按钮”图层中的声音时长为7.5秒,同步属性为“数据流”,测试场景时该声音播放_______秒。

(3)要使“主播”图层第1帧至第9帧显示内容与第10帧的相同,且保持其他动画效果不变,则在该图层可进行的操作是________。
(4)当前作品的部分交互要求为:“主交互”场景播放到最后一帧时停止;单击“AI主播”“AI裁判”按钮,分别跳转到“AI主播”“AI裁判”场景第1帧开始播放,播放到最后一帧(有关键帧)时返回并停止在“主交互”场景的最后一帧;单击“更多”按钮,在浏览器中打开同目录下的文件“more.htm”;单击“退出”按钮,关闭动画放映。下列操作中符合上述交互要求的有________(多选,填字母)。
A.在“AI主播”按钮上添加动作脚本on(release){play( );}
B.在“AI裁判”按钮上添加动作脚本on(release){gotoAndPlay(1);}
C.在“更多”按钮上添加动作脚本on(press){getURL(''more. htm'');}
D.在“退出”按钮上添加动作脚本fscommand(''quit'');
E.在“AI主播”“AI裁判”场景最后一帧均添加动作脚本gotoAndStop(''主交互'',50);
(注:全部选对的得2分,选对但不全的得1分,不选或有选错的得0分)
15.有m个人结伴旅行(m≤9,每个人用整数1~m编号)。期间既有全员参与的集体活动,也有自主参与的小团队活动。每项活动的消费由参与人平均分摊,其中一人先行垫付并记录。记录内容包括该项活动的人均消费金额(整数,单位:元)、参与人。每项活动的参与人用字符串表示,垫付人排在第1位。如“25134”表示2、5、1、3、4号参与该项活动,其中2号是垫付人。旅行结束后依据所有活动的消费记录进行结算:
1)计算每个人的应还款(应还款=应分摊的总金额-先行垫付的总金额);
2)根据所有人的应还款数据计算转账明细(应还款为正的人转给应还款为负的人)。
根据上述要求编写VB程序,功能如下:运行程序,读取消费记录数据并在列表框List 1中显示。单击“结算”按钮Command 1,在列表框List 2中显示每个人的应还款,在列表框List 3中显示转账明细。程序运行界面如第15题图所示。

(1)结合程序与界面可知,AddItem是List 2的_______(单选,填字母:A.方法名/B.事件名/C.属性名)。
(2)实现上述功能的部分VB程序如下,请在划线处填入合适的代码。
(3)程序中加框处代码有错,请改正。
Const n=9,m=15
Dim x(1 To n)As Integer 'x(i)存储第i项消费记录的人均消费金额
Dim a(1 To n)As String 'a(i)存储第i项消费记录的参与人
Private Sub Form_Load( )
′读取所有消费记录,存入数组x和a中,并显示在列表框List 1中
′代码略
End Sub
Private Sub Commandl_Click( )
Dim i As Integer,j As Integer,k As Integer,p As Integer
Dim c As Integer,w As Integer,v As Integer
Dim b(1 To m)As Integer '保存应还款数据
For i= 1 To m
b(i)=0
Next i
For i=1 To n '根据消费记录计算应还款
k=Len(a(i))
p=Val(Mid(a(i),1,1))
b(p)=b(p)-(k–1)*x(i)
For j=2 To k
p=Val(Mid(a(i),j,1))
①
Next j
Next i
c=0
For i=1 To m
List 2. AddItem Str(i)+“号”+Str(b(i))
If b(i)>0 Then c=c+1
Next i
i=1:j=1 '根据应还款数据计算转账明细
Do While ②
Do While b(i)<=0
i=i+1
Loop
Do While b(j)>=0
j=j+1
Loop:
③
If w>0 Then v=b(j)Else v =b(i)
b(i)=b(i)-v:b(j)=b(j)+v
List 3. AddItem Str(i)+“号->”+Str(j)+“号 ”+Str(v)
If w<=0 Then c=c–1
Loop
End Sub
16.有n个从小到大排列的正整数依次存储在数组a中,另有m(m<n)个正整数存储在数组b中。现要求只保留上述n+m个数据中从小到大排列的前n个数据,并依次存入数组a中,其余数据被剔除。
小李为了解决该问题,首先结合数组a的有序性,找出a,b两个数组中要剔除的m个数据,再将数组b中保留的数据插入到数组a中。示例如下:
n=10,数组a:2,4,6,8,10,12,14,16,18,20 m=5,数组b:41,11,17,29,9 处理后的数组a:2,4,6,8,9,10,11,12,14,16 |
(1)若n=8,m=4,数组a的元素依次为“3,4,6,10,13,14,21,25”,数组b的元素依次为“3,18,7,15”,按上述要求剔除m个数据后,数组b中保留的数据个数为______个。
(2)实现上述功能的部分VB程序如下,请在划线处填入合适的代码。
Const n=1000,m=50
Dim a(1 To n)As Integer,b(1 To m)As Integer
Function getImax(k As Integer)As Integer
'在数组元素b(1)~b(k)中找出值最大的元素,返回其下标,代码略
End Function
Private Sub Commandl_Click( )
Dim i As Integer,j As Integer,k As Integer
Dim na As Integer,nb As Integer,imax As Integer,mean As Integer
'读取数据分别存入数组a、b,代码略
na=n:nb=m
imax=getImax(nb)
For i=1 To m
If a(na)<= ① Then
b(imax)=b(nb)
nb=nb-1
If nb>0 Then imax=getImax(nb)
Else
na=na-1
End If
Next i
Do While nb>0
i=1:j=na
imax= getImax(nb)
Do While i<=j
mean =(i+j)\2
If a(mean)<b(imax) Then i= mean +1 Else j=mean-1
Loop
For k=na To I Step-1
②
Next k
a(i+nb-1)=b(imax)
b(imax)=b(nb)
③
nb=nb-1
Loop
'输出数组a,代码略
End Sub
第二部分 通用技术(共50分)
一、选择题(本大题共13小题,每小题2分,共26分。每小题列出的四个备选项中只有一个是符合题目要求的,不选、多选、错选均不得分)
1.如图所示的手持式吸尘器,集尘仓透明,配有多种长度和形状的吸尘头,适用于不同场合,手柄顶部的LED屏可显示电量、挡位等。下列关于该吸尘器的评价中,不正确的是( )

A.手柄的外形设计使人不易疲劳,考虑了人的生理需求
B.工作噪音较小,考虑了人的心理需求
C.配有多种吸尘头,考虑了特殊人群的需要
D.透明集尘仓和LED屏的设计,考虑了信息交互的需要
2.如图所示的一款智能手电钻,应用了激光测量、数字调平、数字水准等技术。触摸屏上可显示钻孔的角度、设定钻孔深度,当钻孔达到设定深度时手电钻自动停止。下列关于该手电钻的说法中,不正确的是( )

A.激光测量、数字调平、数字水准等技术使该电钻的设计得以实现
B.手电钻智能技术融合了激光测量、数字调平、数字水准等体现了技术的综合性
C.手电钻操作程序变得复杂体现了技术的两面性
D.可显示角度和设定深度符合设计的创新和实用原则
3.小明在通用技术实践课中设计了一把如图所示的平口手钳。钳把之间铰连接,钳口与钳把通过销轴相连,四个销轴孔到铰连接孔的距离相等,当松开与夹紧钳把时钳口平行开合。下列四种钳口结构方案中,合理的是( )
A.
B.
C.
D.![]()
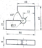
4.如图所示的图样中,存在的错误共有( )

A.1处 B.2处 C.3处 D.4处
5.下列钳工操作中,不规范的是( )

A.划线 B.冲眼 C.起锯 D.锉削
6.如图所示的滑轮装置,滑轮在力F和Q的作用下处于平衡状态。下列对支架和销轴主要受力形式的分析中,正确的是( )

A.支架受弯曲、销轴受剪切 B.支架受弯曲、销轴受弯曲
C.支架受拉、销轴受弯曲 D.支架受拉、销轴受扭转
7.如图所示是木屑等物料的干燥工艺流程图。鼓风机将燃烧室产生的热空气送入干燥机干燥湿物料,物料收集器将干物料与热尾气分离,并除去热尾气中的水分。热尾气一部分循环利用,剩余部分经环保设备处理后排放。下列关于该流程的说法中,不合理的是( )

A.鼓风机的使用有利于实现流程设计的高效目标 B.循环利用热尾气有利于实现流程设计的节能目标
C.干燥机和环保设备的工作是串行环节 D.环保设备用于处理循环热尾气
如图所示是纸箱输送系统的示意图。电机驱动输送带将纸箱送到输送辊道,纸箱自由下滑至装载平台。光电传感器检测光线是否被遮挡,当光线被遮挡时间超过设定值时,表明纸箱在输送辊道上拥堵,控制器控制电机停止转动;当光电传感器重新检测到光线时,控制器控制电机重新启动。请根据图及其描述完成第8-9题。

8.下列关于该纸箱输送系统的说法中,不正确的是( )
A.电机输出的功率应能驱动输送带运动,体现了系统的相关性
B.光电传感器的目的是检测光线是否被遮挡,体现了系统的目的性
C.该系统在不同地域均可正常使用,体现了系统的环境适应性
D.通过计算摩擦力确定输送辊道角度确保纸箱能自由下滑,体现了系统分析的科学性原则
9.下列关于输送带控制子系统的分析中,不正确的是( )
A.输入量是光电传感器检测到的信号 B.执行器是电机
C.控制量是纸箱在输送辊道上的运动状态 D.控制方式属于开环控制
10.下列电子元器件的名称中,正确的是( )

A.负温度系数热敏电阻 B.可调电阻器 C.湿敏电阻 D.无极性电容器
11.小明搭建了如图所示的光控电路,断开S后,用指针式多用电表的合适挡位测量相关点位间的电阻值,来判断元器件的好坏。考虑周围电路对测量结果的影响,下列判断中,正确的是( )

A.黑表笔搭f点,红表笔搭d点,电阻值约330Ω,表明V3损坏
B.黑表笔搭e点,红表笔搭c点,电阻值约3.3kΩ,表明V2损坏
C.黑表笔搭b点,红表笔搭d点,光线变化时指针摆动,表明V1损坏
D.黑表笔搭a点,红表笔搭d点,光线变化时指针摆动,表明Rg损坏
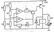
12.如图所示是光线监测报警电路。光线正常时不报警,光线过暗时V1发光,蜂鸣器发声,光线过强时V2发光、蜂鸣器发声。下列分析中,不正确的是( )

A.蜂鸣器发声过程中,通过R4的电流基本不变 B.电路中三个逻辑门均起到逻辑非的作用
C.Rp1滑动端信号是模拟信号,V2正极是数字信号 D.光线过强时,Rp1滑动端电位低于Rp2滑动端电位
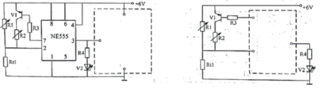
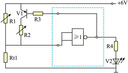
13.如图所示的控制电路,当温度低于下限时继电器J吸合,加热器开始加热;温度高于上限时继电器J释放,加热器停止加热;Rt短路或断路时,加热器均不加热。下列分析中,不正确的是( )

A.R6断路且温度低于下限时,V5发光 B.R3短路时,加热器不会加热
C.加热器加热时,N1输出低电平 D.Rt断路时,N2输出高电平
二、非选择题(本大题共4小题,第14小题6分,第15小题9分,第16小题3分,第17小题6分,共24分。各小题中的“____”处填写合适选项的字母编号)
14.如图所示是用于饮料封装的自动化生产线。余料辊间歇运动,余料辊停顿时完成成型、充填、热封、冲裁等环节的工作;各环节完成后余料辊继续转动,并牵引基材、覆膜向前移动设定长度。成品通过输送带送出。请根据示意图和描述,完成以下任务:

(1)余料辊停顿时完成成型、充填、热封,冲裁等环节的工作,这些环节属于_____(A.串行环节;B.并行环节);
(2)关于该生产线设计的描述不正确的是___________(A.余料辊收集余料以便回收,遵循了可持续发展原则;B.减少充填量以提高效率,遵循了经济原则;C.生产线设计中涉及的他人专利技术获得了授权,遵循了道德原则;D.设计时兼顾生产线和成品的外观,遵循了美观原则);
(3)在生产线安装完成后,开机进行空载试验,查看生产线能否正常运转,该试验方法属于______(A.优选试验法;B.强化试验法;C.模拟试验法;D.虚拟试验法);
(4)小明针对成型、热封和冲裁设计了如下装置,其中适合用于热封的是__________

(5)余料辊停顿的时间由________上决定(A.各环节完成的平均时间;B.各环节完成的总时间;C.用时最短的环节;D.用时最长的环节)。
15.小明家的电视机摆放在电视柜上(如图所示),高度位置不能调整。为了满足不同姿势看电视的需要;准备移除电视柜,在墙上安装一个装置,电视机通过背面的螺纹孔安装在装置上,装置可带动电视机升降和俯仰。请你帮助小明设计该装置,具体要求如下:

A.电视机的升降范围0~600mm;
B.电视机的俯仰角度范围-20°~+20°;
C.电视机能保持在所调节的位置;
D.采用减速电机驱动(数量不限);
E.整个装置结构简单,具有一定的强度和稳定性;,
F.其余材料自选。
请你完成以下任务:
(1)设计装置时,可以不考虑的是_______(A.电视机的重量;B.电视机的厚度;C.墙体材料);
(2)设计装置时,在考虑装置可靠性的同时兼顾外观、成本等,体现了系统分析的_______(A.科学性原则;B.整体性原则;C.综合性原则);
(3)设计过程中,不合理的做法是_________(A.尽量选用标准件;B.完成零件的机械加工图后,绘制整体结构草图;C.用软件进行装置的运动仿真,验证能否升降和俯仰);
(4)画出该装置机械部分的设计草图(电机可用方框表示,电视机可用简单线条表示,必要时可用文字说明);
(5)在设计草图上标注主要尺寸。
16.请补全三视图中所缺的3条图线(超过3条图线倒扣分)。

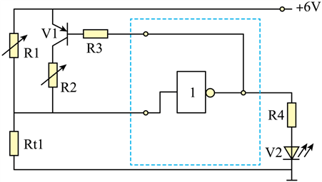
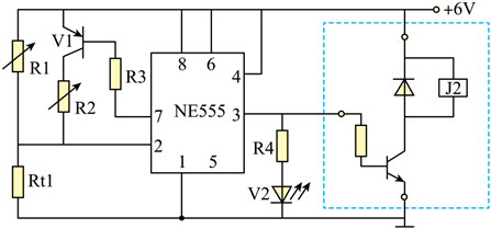
17.如图所示是车间降温原理示意图及小明设计的温度控制试验电路。当车间温度高于上限时V2发光,表示风机和水泵运行,水泵工作产生水帘,风机排出热空气吸入经水帘冷却的空气,使车间降温。当车间温度低于下限时V2熄灭,表示风机和水泵停止运行。请完成以下任务:
555电路功能表
2脚 | 6脚 | 3脚 | 7脚 |
| 任意 | 高电平 | 断开 |
|
| 保持 | 保持 |
|
| 低电平 | 接地 |

(1)电路中的Rt1应采用__________(A.正温度系数热敏电阻;B.负温度系数热敏电阻);
(2)设定温度上限和温度下限,合理的调试手段是__________(A.上限调R1、下限调R2;B.上限调R2、下限调R1);
(3)小明准备用1个继电器同时控制风机和水泵工作,用555电路3脚的输出信号通过三极管驱动继电器,当继电器吸合时风机和水泵运行。现有继电器J1(线圈额定电压3V)、继电器J2(线圈额定电压6V)、继电器J3(线圈额定电压9V)、电阻器、二极管、NPN三极管、PNP三极管各1个,请选择4个合适的元器件在虚线框内完成电路设计,要求三极管采用共发射极接法,并标出所选继电器的编号;
(4)小明想用逻辑门代替555电路实现原有电路功能,请你选用课本中的逻辑门,并在虚线框中画出电路,要求电路简单。

技术试题参考答案
第一部分 信息技术参考答案
一、选择题(本大题共12小题,每小题2分,共24分。每小题列出的四个备选项中只有一个是符合题目要求的,不选、多选、错选均不得分)
1. D 2. B 3. C 4. C 5. D 6. C 7. A 8. B 9. A 10. 11.B 12. B
二、非选择题(本大题共4小题,其中第13小题4分,第14小题8分,第15小题7分,第16小题7分,共26分)
13. ①
=D4/SUM($D4:$F4)或= D4/ ($D4+$E4+$F4) ②. D43:F43 ③. AC
14. ①. BD ②. 形状 ③. 4 ④. 将第10帧复制到第1帧 或 在第10帧执行复制帧,在第1帧执行粘贴帧 ⑤. ACE
15. ①. A ②. b(p)= b(p)+x(i) ③. c>0 ④. w=b(i)+b(j) ⑤. v=b(i)-w 或v=-b(j) 或 v=Abs(b(j))
16. ①. 2 ②. b(imax) ③. a(k+nb)=a(k) ④. na=k 或 na=j 或na=i-1
第二部分 通用技术参考答案
一、选择题(本大题共13小题,每小题2分,共26分。每小题列出的四个备选项中只有一个定符合题目要求的,不选、多选、错选均不得分)
1. C 2. C 3. A 4. B 5. B 6. B 7. D 8. B 9. C 10. D 11. A 12. C 13. A
二、非选择题(本大题共4小题,第14小题6分,第15小题9分,第16小题3分,第17小题6分,共24分。各小题中的“____”处填写合适选项的字母编号)
14. ①. A ②. B ③. C ④. A ⑤. D
15. ①. B ②. C ③. B ④. 略
16.
【答案】
17. ①. B ②. B ③.
④.
或
或

