2023年湖南邵阳中考物理试题及答案
一、选择题(本大题共15个小题,每小题给出的四个选项中,只有一个最符合题意。每小题3分,共45分)
1. 为了纪念著名的物理学家欧姆,用他的名字作为单位的物理量是( )
A. 电阻 B. 电压 C. 电功 D. 电流
2. 物理是一门以观察、实验为基础的学科,下列估测最符合实际的是( )
A. 教室内气温约为60℃
B. 八年级物理课本的质量约为2kg
C. 中学生课桌高度约为80cm
D. 教室里一盏日光灯正常工作时电流约为5A
3. 2023年5月28日上午,全球首架C919大型客机从上海虹桥机场顺利起飞,到达北京首都机场,完成首次商业载客飞行(如图)。飞机飞行过程中,某乘客看到机翼是静止的,他所选的参照物是( )
A. 云朵 B. 地面 C. 机翼 D. 座椅
4. 学校举行红歌比赛,团团同学班合唱《歌唱祖国》,“五星红旗迎风飘扬,胜利歌声多么嘹亮……”。“多么嘹亮”指声音的( )
A. 音色好 B. 音调高 C. 响度大 D. 频率高
5. 京剧是中国的国粹之一,如图京剧演员正在对着镜子画脸谱,他利用的光学原理是( )
A. 光的色散 B. 光的反射
C. 光的折射 D. 光沿着直线传播
6. 2022年,我市积极应对严重旱情,推行“蓄、调、引、节、送、降”等“六水抗旱”措施,实现“大旱之年无大灾”。为了响应政府号召,我们要大力推广节水灌溉,下列措施中不属于节水灌溉的是( )
A. 喷灌 B. 微灌 C. 滴灌 D. 大水漫灌
7. 下列关于家庭电路和安全用电的说法或做法中,正确的是( )
A. 湿手触摸开关
B. 家庭电路中电流过大的原因一定是发生短路
C. 导线的绝缘皮破损后,应立即断电维修
D. 更换灯泡或搬动电器前,不需断开电源开关
8. 2023年5月30日,长征二号F遥十六运载火箭搭载神舟十六号载人飞船成功发射(如图)。火箭使用一种叫做偏二甲肼的液体燃料,是因为该燃料具有较大的( )
A. 热值 B. 比热容 C. 密度 D. 体积
9. 毛主席在《沁园春·雪》一词中写到:“一代天骄,成吉思汗,只识弯弓射大雕”。对于“弯弓”的过程中所蕴含的物理知识,下列理解正确的是( )
A. “弯弓”发生的塑性形变
B. “弯弓”说明力可以改变物体的运动状态
C. “弯弓”的过程中弓的弹性势能增大
D. “弯弓”的过程中弓的机械能不变
10. 如图所示为内燃机工作时的某冲程示意图,该冲程是( )

A. 吸气冲程 B. 压缩冲程
C. 做功冲程 D. 排气冲程
11. 幸福人生是大树,安全行为是沃土。同学们,我们要增强安全意识,努力营造浓厚的校园安全文化氛围。下列安全宣传标语与所蕴含的物理知识不相对应的是( )
A. 下课不疯跑,小心别摔倒—防止惯性带来的危害
B. 你冲我撞危险存,你谦我让安全行—物体间力的作用是相互的
C. 护栏保安全,翻越最危险—高度越高,重力势能越大
D. 上下楼梯静悄悄,不滑扶梯不吵闹—从扶梯上滑下,动能转化为重力势能
12. 2023年5月5日,在亚洲举重锦标赛女子49公斤级比赛项目中,我国选手蒋惠花包揽“抓挺总”三金。如图为蒋惠花手举杠铃保持静止时的情景,下列属于一对平衡力的是( )
A. 蒋惠花对杠铃的作用力和杠铃所受的重力
B. 杠铃对蒋惠花的作用力和杠铃的受的重力
C. 蒋惠花对杠铃的作用力和地面对蒋惠花的支持力
D. 蒋惠花对杠铃的作用力和杠铃对蒋惠花的作用力
13. 劳动课上,同学们在老师的带领下挖坑植苗、挥锹培土、脚踩夯实、提桶浇水……校园农场里一片热火朝天的忙碌景象。关于劳动中所涉及的物理知识,下列说法正确的是( )
A. 挥锹培土时,铁锹是省力杠杆
B. 人提着水桶水平前进,人对水桶做了功
C. 脚踩夯实,用力踩土是采用减小压力的方法减小压强
D. 锄头的刀口很锋利,是采用减小受力面积的方法增大压强
14. 细心的圆圆同学注意到自家汽车上设有安全带未系提示系统。当他坐在座椅上时,座椅下的开关S1闭合,若未系安全带,安全带控制开关S2断开,车上的电铃会发出警报声;若系上安全带,安全带控制开关S2闭合,警报声消失。下列按要求设计的电路图最合理的是( )
A.
B.
C.
D.
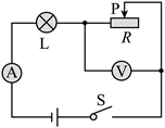
15. 如图所示,电源电压4.5V保持不变,电流表的量程为0-0.6A,电压表的量程为0-3V,灯泡L标有“3V 1.5W”字样(不考虑灯丝电阻的变化),滑动变阻器
标有“20Ω 1A”字样。将滑片P置于中点位置,闭合开关S,在保证电路安全的情况下,下列判断正确的是( )
A. 滑片P向左移动过程中,滑动变阻器消耗的电功率一直变大
B. 滑片P向左移动过程中,滑动变阻器消耗的电功率先变大后变小
C. 滑片P向右移动过程中,滑动变阻器消耗的电功率一直变大
D. 滑片P向右移动过程中,滑动变阻器消耗的电功率先变大后变小
二、填空题(本大题共4个小题,每空2分,共16分)
16. 邵阳正在飞速发展,2022年度邵阳新建5G基站2666座,5G基站利用______(选填“电磁波”或“声波”)传递信息。随着“气化邵阳”二期惠民工程建设的推进,越来越多的家庭用上了天然气,天然气是______(选填“可再生”或“不可再生”)能源。
17. 亮亮同学在新闻上看到“福建舰”上使用了电磁弹射装置,从网上查阅了某电磁弹射装置的原理;给线圈提供电流时产生磁场,炮弹(铁质)被磁化,受到强大的吸引力而加速运动,达到线圈中间时,迅速断电,炮弹飞出炮口(如下图)。当线圈通电时,炮弹头是______(选填“S”或“N”)极。断电后,炮弹还能继续飞行,是因为炮弹具有______。.
18. 邵阳古楼茶曾被明太祖朱元璋钦定为贡茶,古楼绿茶茶香四溢,余味悠长。绿茶制作的主要工序有杀青、揉捻、干燥,在干燥这一工序中,除去茶叶中的水分过程中所发生的物态变化是______。用开水泡茶时,茶水变绿得更快,说明分子的热运动与______有关。
19. 如图所示,用动滑轮将物体匀速提升0.2m,绳子自由端的拉力F为6N,则拉力F所做的功为______J。如果使用该滑轮提升更重的物体,机械效率会______(选填“增大”或“减小”)。
三、作图题(本大题共2个小题,每小题2分,共4分)
20. 请将所示光路补充完整。
21. 请画出图中物体所受支持力的示意图。
四、实验探究题(本大题共3个小题,其中22、23小题各6分,24小题8分,共20分)
22. 晶晶同学旅游时捡到一颗漂亮的鹅卵石。他从学校物理实验室借来天平(含砝码)、量筒测量这颗鹅卵石的密度,步骤如下:
(1)将天平放在水平桌面上,游码移至标尺左端的零刻线处,调节平衡螺母,使横梁平衡;
(2)将鹅卵石放在天平的左盘上,往右盘中加减砝码并移动游码,直到天平再次平衡。所放的砝码和游码的位置如图甲所示,则鹅卵石的质量为______g ;
(3)如图乙,使用量筒时,正确的读数方法是______(选填①或②或③),晶晶同学测出鹅卵石的体积为
;
(4)计算出该鹅卵石的密度为______g/cm3。
23. 顺顺与利利同学在探究“滑动摩擦力的大小与哪些因素有关”时,作了如下猜想:
A.可能与接触的粗糙程度有关
B.可能与压力的大小有关
顺顺同学考虑到在实际操作中很难控制弹簧测力计和滑块一起做匀速直线运动,于是进行了改进:
(1)如图甲,在小桶内装入适量的沙子,使滑块恰好在水平木板上做匀速直线运动,为了测出滑块受到的滑动摩擦力大小,应测量_________的重力;
(2)如图乙,在滑块上加砝码,发现需要装入更多的沙子,滑块才能做匀速直线运动。比较甲、乙两次实验,验证了猜想_________(选填“A”或“B”)是正确的;
(3)利利同学觉得用钩码代替小桶和沙子可以简化实验操作步骤,他这么做_________(选填“能”或“不能”)达到目的。
24. 欢欢与乐乐同学利用图甲所示的电路测量未知电阻Rx的阻值。
(1)请你根据甲电路图,用笔画线代替导线,帮助欢欢同学在图乙中完成实验电路的连接,要求滑片P向右移动时,电流表示数小;________
(2)将滑片P置于阻值最大位置 ,闭合开关S,欢欢同学发现,无论怎样移动滑片P电流表的示数始终为零,电压表示数接近电源电压,则电路中存在的故障可能是_________(选填“Rx短路”或“Rx断路”);
(3)排除故障后,移动滑片P,记录多组数据,画出了待测电阻的R的I-U图像,如图丙所示,由图像可得Rx=________Ω;
(4)乐乐风水宝地觉得不使用电压表也能测出Rx的阻值,于是设计了另一种方案,电路如图丁所示。定值电阻R0,电源电压未知且恒定不变。测量步骤如下:
①只闭合开关S1时,电流表读数为I1;
② 当开关S1、S2都闭合时,电流表读数为I2;
③待测电阻Rx=_________(用已知和测出的物理量R0、I1、I2表示)。
五、计算题(本大题共2个小题,第25题6分,第26题9分,共15分)
25. 贝贝在妈妈指导下用电熨斗熨烫衣服,她首先阅读说明书,知道电熨斗有“低温”“高温”两个档位,其简化电路如图所示。
是电热丝,
,S为旋转式开关。
(1)当旋转触片接触点1和2时,求电路中的电流;
(2)当旋转触片接触点2和3时,求电路消耗的总功率。
26. 现有一个不吸水材料的长方体A,底面积为
,体积为
,质量为0.9kg。将它放入底面积为
,装有适量水的薄壁圆柱形容器中,容器足够高,A漂浮于水面(如图甲所示)。(
,
)
(1)求A的重力;( )
(2)求A的底部受到的液体压强;( )
(3)如图乙所示,将重10N,体积为
的长方体B(不吸水)置于A上,待两物体静止时,请判断B浸入水中的情况:_________(选填“不会浸入”或“部分浸入”或“全部浸入”并说明理由________,求放入B后容器内水面上升的高度。( )
参考答案
一、选择题(本大题共15个小题,每小题给出的四个选项中,只有一个最符合题意。每小题3分,共45分)
【1题答案】
【答案】A
【2题答案】
【答案】C
【3题答案】
【答案】D
【4题答案】
【答案】C
【5题答案】
【答案】B
【6题答案】
【答案】D
【7题答案】
【答案】C
【8题答案】
【答案】A
【9题答案】
【答案】C
【10题答案】
【答案】D
【11题答案】
【答案】D
【12题答案】
【答案】A
【13题答案】
【答案】D
【14题答案】
【答案】B
【15题答案】
【答案】BC
二、填空题(本大题共4个小题,每空2分,共16分)
【16题答案】
【答案】 ①. 电磁波 ②. 不可再生
【17题答案】
【答案】 ①. S ②. 惯性
【18题答案】
【答案】 ①. 汽化 ②. 温度
【19题答案】
【答案】 ①. 2.4 ②. 增大
三、作图题(本大题共2个小题,每小题2分,共4分)
【20题答案】
【答案】
【21题答案】
【答案】
四、实验探究题(本大题共3个小题,其中22、23小题各6分,24小题8分,共20分)
【22题答案】
【答案】 ①. 27.2 ②. ② ③. 2.72
【23题答案】
【答案】 ①. 小桶和沙子 ②. B ③. 不能
【24题答案】
【答案】 ①.
②. Rx断路 ③. 5 ④. ![]()
五、计算题(本大题共2个小题,第25题6分,第26题9分,共15分)
【25题答案】
【答案】(1)
;(2)![]()
【26题答案】
【答案】 ①. 9N ②. 600Pa ③. 部分浸入 ④. 见解析 ⑤. 0.025m
