2023年天津中考物理试卷及答案
本试卷分为第Ⅰ卷(选择题)、第Ⅱ卷(非选择题)两部分。第Ⅰ卷为第1页至第4页,第Ⅱ卷为第5页至第10页。试卷满分100分。
答题时,务必将答案涂写在“答题卡”上,答案答在试卷上无效。考试结束后,将本试卷和“答题卡”一并交回。
祝你考试顺利!
第Ⅰ卷
注意事项:
1.每题选出答案后,用2B铅笔把“答题卡”上对应题目的答案标号的信息点涂黑。如需改动,用橡皮擦干净后,再选涂其他答案标号的信息点。
2.本卷共两大题,其39分。
一、单项选择题(本大题共10小题,每小题3分,共30分。每小题给出的四个选项中,只有一项最符合题意)
1.如图1所示,将正在发声的音叉,轻触系在细绳上的乒乓球,乒乓球被弹开。弹开的幅度越大,音叉发出声音的( )

A.音调越高
B.响度越大
C.音色越好
D.速度越大
2.我国著名地质学家李四光,经年累月奋斗在地质勘探的一线,练就了快速、准确丈量的本领。他跨出每一步的步幅几乎是相同的,其步幅合理的是( )
A.85m B.85dm
C.85cm D.85mm
3.如图2所示,建筑工人在砌墙时常用铅垂线来检查墙壁是否竖直。这是利用了( )

A.重力的方向
B.重力的大小
C.重力的作用点
D.重力与质量的关系
4.电位器实质是一种变阻器,图3是电位器的结构和连入电路的示意图,A、B、C是接线柱。当滑片向A端旋转时,连入电路的电阻( )

A.变大
B.变小
C.不变
D.先变大后变小
5.对下列安全教育内容进行分析,所用物理知识错误的是( )
A.交通安全:驾车要系好安全带——防范惯性危害
B.遇险自救:用破窗锤破窗逃生——牛顿第一定律
C.用电安全:更换灯泡断开电源——安全用电原则
D.出行安全:等候列车不越安全线——流体压强与流速的关系
6.小华利用饮料瓶完成了如图4所示的实验,可以证明大气压存在的是( )
A.
B.
C.
D.
7.定值电阻R的U-I关系图象如图5所示,当该电阻两端电压为3V时,通过它的电流为( )

A.1A
B.2A
C.3A
D.4A
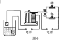
8.党的二十大报告指出“科技是第一生产力”。某学校为了培养学生的科学素养,组织科技创新大赛,小明在比赛中制作了水位自动报警器,原理图如图6所示。当水位达到金属块A时(一般的水都能导电),则( )

A.两灯都亮
B.两灯都不亮
C.只有绿灯亮
D.只有红灯亮
9.体育运动中蕴含着物理知识,下列运动现象所涉及的物理知识正确的是( )
序号 | 现象 | 物理知识 |
① | 跳远时助跑 | 增大惯力 |
② | 穿滑雪板滑雪 | 增大压强 |
③ | 向前游泳时向后划水 | 力的作用是相互的 |
④ | 跳远运动员越过横杆下落 | 重力势能增大 |
A.① B.② C.③ D.④
10.如图7所示电路,开关闭合后,灯不发光。用试电笔接触a、b、c三处,氖管都发光;接触d处,氖管不发光。则故障可能是( )

A.灯丝断了
B.灯短路了
C.开关处断路
D.cd间断路
二、多项选择题(本大题共3小题,每小题3分,共9分。每小题给出的四个选项中,均有多个选项符合题意,全部选对的得3分,选对但不全的得1分,不选或选错的得0分)
11.在探究凸透镜成像规律时,蜡烛和凸透镜的位置如图8所示,移动光屏可承接到烛焰清晰等大的像(图中未画出光屏)。若保持透镜位置不交,将蜡烛调至20cm刻度处时,下列判断正确的是( )

A.该透镜的焦距是10cm
B.移动光屏可承接到烛焰清晰放大的像
C.像的位置在60cm~70cm刻度之间
D.照相机应用了该次实验的成像规律
12.在测量滑轮组机械效率的实验中,用如图9所示的滑轮组先匀速提升重为是
的物体,额外功与有用功之比为1:3;再匀速提升重为
的物体。先后两次绳子自由端的拉力之比为2:5。若不计绳重和摩擦,则( )

A.![]()
B.![]()
C.先后两次滑轮组的机械效率之比为3:4
D.先后两次滑轮组的机械效率之比为5:6
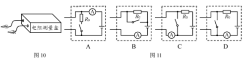
13.如图10所示的“电阻测量盒”,内有电源(电压不变且未知)、阻值已知的定值电阻
、开关和电流表,并引出两根导线到盒外。将盒外的两根导线分别与待测电阻
的两端相连,根据开关闭合、断开时电流表的示数,可以算出
的阻值。图11是设计的盒内电路图,其中符合要求的是( )

2023年天津市初中学业水平考试试卷
物理
第Ⅱ卷
注意事项:
1.用黑色字迹的签字笔将答案写在“答题卡”上(作图可用2B铅笔)。
2.本卷共两大题,共61分。
三、填空题(本大题共6小题,每小题4分,共24分)
14.中华优秀传统文化蕴含着丰富的物理知识。《墨经》中记载了世界上最早的“小孔成像”实验(如图12所示),小孔成像是由于光的______形成的;唐代诗句“潭清疑水浅”描绘了潭水清澈,让人感觉水变浅了,这是由于光的______造成的。

15.图13是我国古代汲水装置——桔槔,图14是它水平静止时的简化模型,该装置是______(填简单机械名称);此时配重物重力为
,水桶重力为
,
,若不计杆重,则
______。

16.热爱劳动的津津学做天津特色菜“贴饽饽熬鱼”。烹饪时主要是通过______的方式来增大食材的内能(选填“做功”或“热传递”);锅内冒出的大量“白气”是水蒸气______形成的小水滴(填物态变化名称)。
17.某节能灯标有“220V 22W”字样,当它正常工作时,电功率为______W,通过它的电流为______A。
18.第七届世界智能大会于2023年5月18日在天津开幕,大会上展示了可穿戴的“外骨骼”机器人。参观者戴上该设备,轻松地将50kg的物体匀速举高1m,用时2s,此过程中对物体做功______J,功率为______W。(g取10Nkg)
19.在探究串、并联电路中电流的规律时,做了如图15所示的实验。闭合开关后,电流表A1、A2的示数分别为0.5A和0.3A,则通过小灯泡
的电流为______A,通过小灯泡
的电流为______A。

四、综合题(本大题共6小题,共37分。解题中要求有必要的分析和说明,计算题还要有公式及数据代入过程,结果要有数值和单位)
20.(7分)额定功率为1000W的电热水壶正常工作时,把质量为1kg的水从10℃加热到100℃,用时420s,已知
,求:
(1)水吸收的热量;
(2)电热水壶的效率。
21.(6分)为了测量一个金属零件的密度,小明进行了以下实验:
(1)实验步骤
①把天平放在水平桌面上,将游码移至标尺左端零刻线处,发现指针在分度盘上的位置如图16甲所示,为使横梁平衡应将平衡螺母向______调节(选填“左”或“右”);
②用天平测出零件的质量,如图16乙所示;
③用量筒测出零件的体积,如图16丙所示。

(2)实验数据处理
请将实验数据及计算结果填入下表。
零件质量
| 量筒中水的体积
| 量筒中水和零件总体积
| 零件体积
| 零件密度
|
|
|
|
|
|
22.(6分)如图17所示的电路,电源电压为5V,四个定值电阻的阻值均为5Ω。请完成下列任务:

(1)画出开关均断开时的等效电路图(只画出电路中工作电阻的连接方式);
(2)当开关均闭合时,求电流表的示数。
23.(6分)同学们在观看冰壶比赛时,发现了如下两个现象:
现象一:运动员蹬冰脚的鞋底为橡胶制成,滑行脚的鞋底为塑料制成;
现象二:运动员蹬冰时要用力,
他们认为上述现象与摩擦力的知识有关,于是提出了“滑动摩擦力的大小与什么因素有关”的问题,并进行了如下探究。
【猜想与假设】根据同学们的发现,猜想滑动摩擦力的大小可能与______和______有关。
【设计并进行实验】
用弹簧测力计水平拉动木块,使它沿水平长木板匀速滑动,测出木块受到的滑动摩擦力。进行了三次实验,如图18所示。

【分析与论证】
(1)甲图中,木块受到的滑动摩擦力为______N;
(2)对比乙、丙两图,可得结论:__________________;
(3)许多情况下摩擦是有用的,人们常常设法增大它。请列举在冰壶运动中增大摩擦的措施,并利用实验结论进行解释。(至少写出一例)________________________。
24.(6分)小明要测出一个电压约为30V的电源电压(电压保持不变),手边可供选用的器材如下:待测电源;一块电压表(量程0~15V);一块电流表(量程0~0.6A);
两个阻值已知的电阻,分别为
(20Ω)和
(40Ω);一个开关及若干导线。请你合理选择器材,设计实验测出该电源的电压。要求:
(1)画出实验电路图;
(2)写出主要的实验步骤和需要测量的物理量;
(3)写出电源电压的表达式(用已知量和测量量表示)。
25.(6分)在学习“阿基米德原理”时,可用“实验探究”与“理论探究”两种方式进行研究。请你完成下列任务:
【实验探究】
通过图19所示的实验,探究浮力的大小跟排开液体所受重力的关系。由实验可得结论:________________________。这就是阿基米德原理。

【理论探究】
第一步:建立模型——选取浸没在液体中的长方体进行研究,如图20所示;
第二步:理论推导——利用浮力产生的原因推导阿基米德原理。
请你写出推导过程。提示:推导过程中所用物理量需要设定(可在图20中标出)。

【原理应用】
水平桌面上有一底面积为
的柱形平底薄壁容器,内装质量为m的液体。现将一个底面积为
的金属圆柱体放入液体中,圆柱体静止后直立在容器底且未完全浸没(与容器底接触但不密合),整个过程液体未溢出。金属圆柱体静止时所受浮力
______。
参考答案
一、单项选择题(本大题共10小题,每小题3分,共30分)
1.B 2.C 3.A 4.B 5.B
6.A 7.A 8.D 9.C 10.D
二、多项选择题(本大题共3小题,每小题3分,共9分。全部选对的得3分,选对但不全的得1分,不选或选错的得0分)
11.ACD 12.BD 13.ABD
三、填空题(本大题共6小题,每小题4分,共24分)
14.直线传播;折射 15.杠杆;1:2 16.热传递;液化
17.22;0.1 18.500;250 19.0.2:0.3
2023年天津蓟州区中考物理真题及答案四、综合题(本大题共6小题,共37分)
20.(7分)
(1)![]()
(2)![]()
21.(6分)
(1)右
(2)
零件质量
| 量筒中水的体积
| 量筒中水和零件总体积
| 零件体积
| 零件密度
|
27 | 30 | 40 | 10 | 2.7 |
22.(6分)
(1)如图答1

(2)![]()
说明:其他方法正确也可得分。
图答1
23.(6分)
【猜想与假设】接触面粗糙程度;压力
【分析与论证】
(1)0.6
(2)压力相同时,接触面越粗糙,滑动摩擦力越大
(3)蹬冰脚鞋底用橡胶制成;增大接触面粗糙程度
说明:其他说法正确也可得分。
24.(6分)
方法一:
(1)如图答2

(2)①按照电路图连接电路
②闭合开关S,读出电压表的示数![]()
(3)![]()
方法二:
(1)如图答3

(2)①按照电路图连接电路
②闭合开关S,读出电流表的示数I
(3)![]()
说明:其他方法正确也可得分。
25.(6分)
【实验探究】![]()
【理论探究】设长方体的底面积为S、高为h,液体密度为
,长方体上、下表面所处的深度及受力情况如图答4所示。

液体对长方体向上的压力大于液体对它向下的压力,两者之差即为浮力
![]()
![]()
![]()
【原理应用】![]()
说明:其他方法正确也可得分
