2022年北京普通高中学业水平等级性考试物理试题及答案
本试卷共8页,100分。考试时长90分钟。考生务必将答案答在答题卡上,在试卷上作答无效。考试结束后,将本试卷和答题卡一并交回。
第一部分
本部分共14题,每题3分,共42分。在每题列出的四个选项中,选出最符合题目要求的一项。
1.氢原子从某激发态跃迁到基态,则该氢原子()
A.放出光子,能量增加 B.放出光子,能量减少
C.吸收光子,能量增加 D.吸收光子,能量减少
2.下列现象能说明光是横波的是()
A.光的衍射现象 B.光的折射现象 C.光的偏振现象 D.光的干涉现象
3.如图所示,一定质量的理想气体从状态a开始,沿图示路径先后到达状态b和c。下列说法正确的是()

A.从a到b,气体温度保持不变 B.从a到b,气体对外界做功
C.从b到c,气体内能减小 D.从b到c,气体从外界吸热
4.某理想变压器的原线圈接在
的正弦交流电源上,副线圈输出电压为
,输出电流为
。该变压器()
A.原、副线圈的匝数之比为100∶1 B.输入电流为
C.输入电流的最大值为
? D.原、副线圈交流电的频率之比为1∶100
5.如图所示,质量为m的物块在倾角为
的斜面上加速下滑,物块与斜面间的动摩擦因数为
。下列说法正确的是()

A.斜面对物块的支持力大小为
B.斜面对物块的摩擦力大小为
C.斜面对物块作用力的合力大小为
D.物块所受的合力大小为
6.在如图所示的
坐标系中,一条弹性绳沿x轴放置,图中小黑点代表绳上的质点,相邻质点的间距为a。
时,
处的质点
开始沿y轴做周期为T、振幅为A的简谐运动。
时的波形如图所示。下列说法正确的是()

A.
时,质点
沿y轴负方向运动 B.
时,质点
的速度最大
C.
时,质点
和
相位相同D.该列绳波的波速为
7.正电子是电子的反粒子,与电子质量相同、带等量正电荷。在云室中有垂直于纸面的匀强磁场,从P点发出两个电子和一个正电子,三个粒子运动轨迹如图中1、2、3所示。下列说法正确的是()

A.磁场方向垂直于纸面向里? B.轨迹1对应的粒子运动速度越来越大
C.轨迹2对应的粒子初速度比轨迹3的大 D.轨迹3对应的粒子是正电子
8.我国航天员在“天宫课堂”中演示了多种有趣的实验,提高了青少年科学探索的兴趣。某同学设计了如下实验:细绳一端固定,另一端系一小球,给小球一初速度使其在竖直平面内做圆周运动。无论在“天宫”还是在地面做此实验,()

A.小球的速度大小均发生变化 B.小球的向心加速度大小均发生变化
C.细绳的拉力对小球均不做功 D.细绳的拉力大小均发生变化
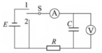
9.利用如图所示电路观察电容器的充、放电现象,其中E为电源,R为定值电阻,C为电容器,A为电流表,V为电压表。下列说法正确的是()

A.充电过程中,电流表的示数逐渐增大后趋于稳定
B.充电过程中,电压表的示数迅速增大后趋于稳定
C.放电过程中,电流表的示数均匀减小至零
D.放电过程中,电压表的示数均匀减小至零
10.质量为
和
的两个物体在光滑水平面上正碰,其位置坐标x随时间t变化的图像如图所示。下列说法正确的是()

A.碰撞前
的速率大于
的速率 B.碰撞后
的速率大于
的速率
C.碰撞后
的动量大于
的动量D.碰撞后
的动能小于
的动能
11.如图所示平面内,在通有图示方向电流I的长直导线右侧,固定一矩形金属线框
,
边与导线平行。调节电流I使得空间各点的磁感应强度随时间均匀增加,则()

A.线框中产生的感应电流方向为
B.线框中产生的感应电流逐渐增大
C.线框
边所受的安培力大小恒定? D.线框整体受到的安培力方向水平向右
12.“雪如意”是我国首座国际标准跳台滑雪场地。跳台滑雪运动中,裁判员主要根据运动员在空中的飞行距离和动作姿态评分。运动员在进行跳台滑雪时大致经过四个阶段:①助滑阶段,运动员两腿尽量深蹲,顺着助滑道的倾斜面下滑;②起跳阶段,当进入起跳区时,运动员两腿猛蹬滑道快速伸直,同时上体向前伸展;③飞行阶段,在空中运动员保持身体与雪板基本平行、两臂伸直贴放于身体两侧的姿态;④着陆阶段,运动员落地时两腿屈膝,两臂左右平伸。下列说法正确的是()

A.助滑阶段,运动员深蹲是为了减小与滑道之间的摩擦力
B.起跳阶段,运动员猛蹬滑道主要是为了增加向上的速度
C.飞行阶段,运动员所采取的姿态是为了增加水平方向速度
D.着陆阶段,运动员两腿屈膝是为了减少与地面的作用时间
13.某同学利用压力传感器设计水库水位预警系统。如图所示,电路中的
和
,其中一个是定值电阻,另一个是压力传感器(可等效为可变电阻)。水位越高,对压力传感器的压力越大,压力传感器的电阻值越小。当a、b两端的电压大于
时,控制开关自动开启低水位预警;当a、b两端的电压小于
(
、
为定值)时,控制开关自动开启高水位预警。下列说法正确的是()

A.
B.
为压力传感器
C.若定值电阻的阻值越大,开启高水位预警时的水位越低
D.若定值电阻的阻值越大,开启低水位预警时的水位越高
14.2021年5月,中国科学院全超导托卡马克核聚变实验装置(
)取得新突破,成功实现了可重复的1.2亿摄氏度101秒和1.6亿摄氏度20秒等离子体运行,创造托卡马克实验装置运行新的世界纪录,向核聚变能源应用迈出重要一步。
等离子体状态不同于固体、液体和气体的状态,被认为是物质的第四态。当物质处于气态时,如果温度进一步升高,几乎全部分子或原子由于激烈的相互碰撞而离解为电子和正离子,此时物质称为等离子体。在自然界里,火焰、闪电、极光中都会形成等离子体,太阳和所有恒星都是等离子体。下列说法不正确的是()
A.核聚变释放的能量源于等离子体中离子的动能
B.可以用磁场来约束等离子体
C.尽管等离子体整体是电中性的,但它是电的良导体
D.提高托卡马克实验装置运行温度有利于克服等离子体中正离子间的库仑斥力
第二部分
本部分共6题,共58分。
15.(8分)
物理实验一般都涉及实验目的、实验原理、实验仪器、实验方法、实验操作、数据分析等。
(1)用电压表(内阻约为
)和电流表(内阻约为
)测量一个电阻的阻值(约为
)。要求尽量减小实验误差,应该选择的测量电路是图1中的______________(选填“甲”或“乙”)。

(2)一多用电表表盘上的电阻刻度线正中间标有“15”字样。用它测量约
电阻的阻值,下列实验步骤正确的操作顺序为______________(填各实验步骤前的字母)。
A.将选择开关置于“
”位置
B.将选择开关置于“
”位置
C.将两表笔分别接触待测电阻两端,读出其阻值后随即断开
D.将两表笔直接接触,调节欧姆调零旋钮,使指针指向“0”
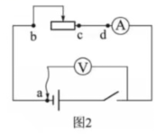
(3)图2是“测量电源的电动势和内电阻”实验的电路图。某同学在实验中,闭合开关后,发现无论怎么移动滑动变阻器的滑片,电压表有示数且不变,电流表始终没有示数。为查找故障,在其他连接不变的情况下,他将电压表连接a位置的导线端分别试触b、c、d三个位置,发现试触b、c时,电压表有示数;试触d时,电压表没有示数。若电路中仅有一处故障,则______________(选填选项前的字母)。

A.导线
断路 B.滑动变阻器断路
C.导线
断路 D.滑动变阻器短路
16.(10分)
某同学利用自由落体运动测量重力加速度,实验装置如图1所示,打点计时器接在频率为
的交流电源上。
使重锤自由下落,打点计时器在随重锤下落的纸带上打下一系列点迹。挑出点迹清晰的一条纸带,依次标出计数点1,2,…,8,相邻计数点之间还有1个计时点。分别测出相邻计数点之间的距离
,并求出打点2,3,…,7时对应的重锤的速度。在坐标纸上建立
坐标系,根据重锤下落的速度作出
图线并求重力加速度。

(1)图2为纸带的一部分,打点3时,重锤下落的速度
______________
(结果保留3位有效数字)。

(2)除点3外,其余各点速度对应的坐标点已在图3坐标系中标出,请在图中标出速度
对应的坐标点,并作出
图线。

(3)根据图3,实验测得的重力加速度
______________
(结果保留3位有效数字)。
(4)某同学居家学习期间,注意到一水龙头距地面较高,而且发现通过调节水龙头阀门可实现水滴逐滴下落,并能控制相邻水滴开始下落的时间间隔,还能听到水滴落地时发出的清脆声音。于是他计划利用手机的秒表计时功能和刻度尺测量重力加速度。为准确测量,请写出需要测量的物理量及对应的测量方法。
?
?
17.(9分)
体育课上,甲同学在距离地面高
处将排球击出,球的初速度沿水平方向,大小为
;乙同学在离地
处将排球垫起,垫起前后球的速度大小相等,方向相反。已知排球质量
,取重力加速度
。不计空气阻力。求:

(1)排球被垫起前在水平方向飞行的距离x;
(2)排球被垫起前瞬间的速度大小v及方向;
(3)排球与乙同学作用过程中所受冲量的大小I。
18.(9分)
如图所示,真空中平行金属板M、N之间距离为d,两板所加的电压为U。一质量为m、电荷量为q的带正电粒子从M板由静止释放。不计带电粒子的重力。

(1)求带电粒子所受的静电力的大小F;
(2)求带电粒子到达N板时的速度大小v;
(3)若在带电粒子运动
距离时撤去所加电压,求该粒子从M板运动到N板经历的时间t。
19.(10分)
利用物理模型对问题进行分析,是重要的科学思维方法。
(1)某质量为m的行星绕太阳运动的轨迹为椭圆,在近日点速度为
,在远日点速度为
。求从近日点到远日点过程中太阳对行星所做的功W。
(2)设行星与恒星的距离为r,请根据开普勒第三定律(
)及向心力相关知识,证明恒星对行星的作用力F与r的平方成反比。
(3)宇宙中某恒星质量是太阳质量的2倍,单位时间内向外辐射的能量是太阳的16倍。设想地球“流浪”后绕此恒星公转,且在新公转轨道上的温度与“流浪”前一样。地球绕太阳公转的周期为
,绕此恒星公转的周期为
,求
。
20.(12分)
指南针是利用地磁场指示方向的装置,它的广泛使用促进了人们对地磁场的认识。
现代科技可以实现对地磁场的精确测量。
(1)如图1所示,两同学把一根长约
的电线两端用其他导线连接一个电压表,迅速摇动这根电线。若电线中间位置的速度约
,电压表的最大示数约
。粗略估算该处地磁场磁感应强度的大小
。

(2)如图2所示,一矩形金属薄片,其长为a,宽为b,厚为c。大小为I的恒定电流从电极P流入、从电极Q流出,当外加与薄片垂直的匀强磁场时,M、N两电极间产生的电压为U。已知薄片单位体积中导电的电子数为n,电子的电荷量为e。求磁感应强度的大小B。

(3)假定(2)中的装置足够灵敏,可用来测量北京地区地磁场磁感应强度的大小和方向,请说明测量的思路。
?
?
?
?
?
?
北京市2022年普通高中学业水平等级性考试
物理参考答案
第一部分共14题,每题3分,共42分。
1.B2.C3.D4.B5.B6.D7.A8.C9.B10.C11.D12.B13.C14.A
第二部分共6题,共58分。
15.(8分)
(1)甲(2)ADCB(3)C
16.(10分)
(1)1.15
(2)
(3)9.75
(4)需要测量的物理量:水滴下落的高度h和下落的时间t。
测量h的方法:用刻度尺测量水龙头出水口到地面的高度,多次测量取平均值;
测量t的方法:调节水龙头阀门,使一滴水开始下落的同时,恰好听到前一滴水落地时发出的清脆声音。用手机测量n滴水下落的总时间
,则
。
17.(9分)
(1)设排球在空中飞行的时间为t,则
得
则排球在空中飞行的水平距离
(2)乙同学垫起排球前瞬间排球在竖直方向速度的大小
得
则
得
设速度方向与水平方向夹角为
(如答图2所示),

答图2
则
(3)根据动量定理,排球与乙同学作用过程中所受冲量的大小
18.(9分)
(1)两极板间的场强
带电粒子所受的静电力
(2)带电粒子从静止开始运动到N板的过程,根据功能关系有
得
(3)设带电粒子运动
距离时的速度大小为
,根据功能关系有
带电粒子在前
距离做匀加速直线运动,后
距离做匀速运动,设用时分别为
。
有
得
19.(10分)
(1)根据动能定理有
(2)设行星绕恒星做匀速圆周运动,行星的质量为m,运动半径为r,运动速度大小为v。
恒星对行星的作用力F提供向心力,
则
运动周期
根据开普勒第三定律
,k为常量。
得
即恒星对行星的作用力F与r的平方成反比。
(3)假定恒星的能量辐射各向均匀,地球绕恒星做半径为r的圆周运动,恒星单位时间内向外辐射的能量为
。以恒星为球心,以r为半径的球面上,单位面积单位时间接受到的辐射能量
。
设地球绕太阳公转半径为
,在新轨道上公转半径为
。地球在新公转轨道上的温度与“流浪”前一样,必须满足P不变,由于恒星单位时间内向外辐射的能量是太阳的16倍,
得
设恒星质量为M,地球在轨道上运行周期为T。
万有引力提供向心力
得
由于恒星质量是太阳质量的2倍,
得
20.(12分)
(1)由
可估算得该处地磁场磁感应强度
的大小的数量级为
。
(2)设导电电子定向移动的速率为v,
时间内通过横截面的电量为
,
有
导电电子定向移动过程中,在
方向受到的电场力与洛伦兹力平衡,
有
得
(3)如答图3建立三维直角坐标系
。设地磁场磁感应强度在三个方向的分量为
。把金属薄片置于
平面内,M、N两极间产生电压
仅取决于
。

答图3
由(2)得
由
的正负(M、N两极电势的高低)和电流I的方向可以确定
的方向。
同理,把金属薄片置于
平面内,可得
的大小和方向;把金属薄片置于
平面内,可得
的大小和方向。
地磁场的磁感应强度的大小为
。
根据
的大小和方向可确定此处地磁场的磁感应强度的方向。
